Запчасти Komatsu SDA6D140E-2E-9 ВОЗДУХООЧИСТИТЕЛЬ КРЕПЛЕНИЕ(№-) ДВИГАТЕЛЬ

Схема запчастей Komatsu SDA6D140E-2E-9 - ВОЗДУХООЧИСТИТЕЛЬ КРЕПЛЕНИЕ(№-) ДВИГАТЕЛЬ
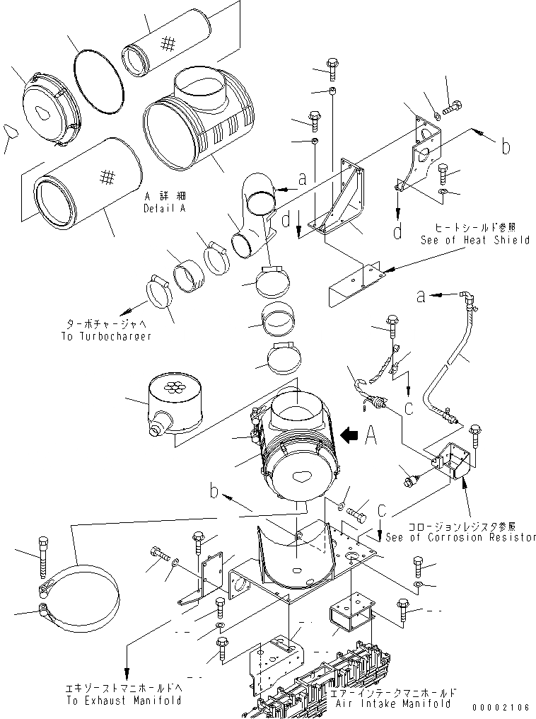
1
1
2
3
4
5
6
7
8
8
9
10
11
12
12
13
14
14
15
16
17
18
19
20
21
22
23
24
25
26
27
28
29
30
31
32
32
33
33
34
35
36
37
38
39
40
41
42
1
1
2
3
4
5
6
7
8
8
9
10
11
12
12
13
14
14
15
16
17
18
19
20
21
22
23
24
25
26
27
28
29
30
31
32
32
33
33
34
35
36
37
38
39
40
41
42
FIT
1:1
100%

Артикул

Название

Примечание

Количество

|$1

6240-81-7402

AIR CLEANER ASS'Y

SN: 33641-UP

1шт.

|$2

0

AIR CLEANER ASS'Y

SN: 30560-33640

1шт.

1

6240-81-7411

BODY

SN: 30560-UP

1шт.

|$4

600-185-6100

ELEMENT ASS'Y

SN: 30560-UP

1шт.

2

600-184-1671

O-RING

SN: 30560-UP

1шт.

3

600-185-6110

ELEMENT,OUTER

SN: 30560-UP

1шт.

4

0

ELEMENT,INNER

SN: 30560-UP

1шт.

5

600-184-1632

COVER

SN: 33641-UP

1шт.

5

0

COVER

SN: 30560-33640

1шт.

6

600-184-2810

PLATE

SN: 30560-UP

1шт.

7

600-183-7581

PRECLEANER

SN: 33192-UP

1шт.

7

0

PRE CLEANER

SN: 30560-33191

1шт.

8

6240-11-9910

BAND

SN: 30560-UP

2шт.

9

6643-11-4641

BOLT

SN: 30560-UP

2шт.

10

6218-11-4450

CONNECTOR

SN: 30560-UP

1шт.

11

6212-12-4460

HOSE

SN: 30560-UP

1шт.

12

07289-00170

CLAMP,HOSE

SN: 30560-UP

2шт.

13

6218-11-4320

HOSE

SN: 30560-UP

1шт.

14

07289-00160

CLAMP,HOSE

SN: 30560-UP

2шт.

15

6217-11-4810

BRACKET

SN: 30560-UP

1шт.

16

01010-81045

BOLT

SN: 30560-UP

4шт.

17

01643-31032

WASHER

SN: 30560-UP

4шт.

18

01435-01045

BOLT

SN: 30560-UP

1шт.

19

6631-11-5630

SPACER

SN: 30560-UP

1шт.

20

01435-01035

BOLT

SN: 30560-UP

1шт.

21

6151-61-3781

SPACER

SN: 30560-UP

1шт.

22

6212-12-4550

BRACKET

SN: 30560-UP

1шт.

23

01010-81030

BOLT

SN: 30560-UP

4шт.

24

01643-31032

WASHER

SN: 30560-UP

4шт.

25

6212-12-4580

BRACKET

SN: 30560-UP

1шт.

26

01435-01030

BOLT

SN: 30560-UP

4шт.

27

6212-12-4630

BRACKET

SN: 30560-UP

1шт.

28

01435-01030

BOLT

SN: 30560-UP

4шт.

29

6212-12-4560

BRACKET

SN: 30560-UP

1шт.

30

01010-81045

BOLT

SN: 30560-UP

2шт.

31

01643-31032

WASHER

SN: 30560-UP

2шт.

32

01010-81030

BOLT

SN: 30560-UP

4шт.

33

01643-31032

WASHER

SN: 30560-UP

4шт.

34

6212-12-4570

BRACKET

SN: 30560-UP

1шт.

35

01010-E1040

BOLT

SN: 30560-UP

2шт.

36

01010-81030

BOLT

SN: 30560-UP

4шт.

37

01643-31032

WASHER

SN: 30560-UP

4шт.

38

08672-01000

INDICATOR

SN: 30560-UP

1шт.

39

08671-50050

HOSE

SN: 30560-UP

1шт.

40

7861-93-1490

SENSOR

SN: 30560-UP

1шт.

41

08193-20010

CLIP

SN: 30560-UP

1шт.

42

01435-01016

BOLT

SN: 30560-UP

1шт.

|$1

6240-81-7402

AIR CLEANER ASS'Y

SN: 33641-UP

1шт.

|$2

0

AIR CLEANER ASS'Y

SN: 30560-33640

1шт.

1

6240-81-7411

BODY

SN: 30560-UP

1шт.

|$4

600-185-6100

ELEMENT ASS'Y

SN: 30560-UP

1шт.

2

600-184-1671

O-RING

SN: 30560-UP

1шт.

3

600-185-6110

ELEMENT,OUTER

SN: 30560-UP

1шт.

4

0

ELEMENT,INNER

SN: 30560-UP

1шт.

5

600-184-1632

COVER

SN: 33641-UP

1шт.

5

0

COVER

SN: 30560-33640

1шт.

6

600-184-2810

PLATE

SN: 30560-UP

1шт.

7

600-183-7581

PRECLEANER

SN: 33192-UP

1шт.

7

0

PRE CLEANER

SN: 30560-33191

1шт.

8

6240-11-9910

BAND

SN: 30560-UP

2шт.

9

6643-11-4641

BOLT

SN: 30560-UP

2шт.

10

6218-11-4450

CONNECTOR

SN: 30560-UP

1шт.

11

6212-12-4460

HOSE

SN: 30560-UP

1шт.

12

07289-00170

CLAMP,HOSE

SN: 30560-UP

2шт.

13

6218-11-4320

HOSE

SN: 30560-UP

1шт.

14

07289-00160

CLAMP,HOSE

SN: 30560-UP

2шт.

15

6217-11-4810

BRACKET

SN: 30560-UP

1шт.

16

01010-81045

BOLT

SN: 30560-UP

4шт.

17

01643-31032

WASHER

SN: 30560-UP

4шт.

18

01435-01045

BOLT

SN: 30560-UP

1шт.

19

6631-11-5630

SPACER

SN: 30560-UP

1шт.

20

01435-01035

BOLT

SN: 30560-UP

1шт.

21

6151-61-3781

SPACER

SN: 30560-UP

1шт.

22

6212-12-4550

BRACKET

SN: 30560-UP

1шт.

23

01010-81030

BOLT

SN: 30560-UP

4шт.

24

01643-31032

WASHER

SN: 30560-UP

4шт.

25

6212-12-4580

BRACKET

SN: 30560-UP

1шт.

26

01435-01030

BOLT

SN: 30560-UP

4шт.

27

6212-12-4630

BRACKET

SN: 30560-UP

1шт.

28

01435-01030

BOLT

SN: 30560-UP

4шт.

29

6212-12-4560

BRACKET

SN: 30560-UP

1шт.

30

01010-81045

BOLT

SN: 30560-UP

2шт.

31

01643-31032

WASHER

SN: 30560-UP

2шт.

32

01010-81030

BOLT

SN: 30560-UP

4шт.

33

01643-31032

WASHER

SN: 30560-UP

4шт.

34

6212-12-4570

BRACKET

SN: 30560-UP

1шт.

35

01010-E1040

BOLT

SN: 30560-UP

2шт.

36

01010-81030

BOLT

SN: 30560-UP

4шт.

37

01643-31032

WASHER

SN: 30560-UP

4шт.

38

08672-01000

INDICATOR

SN: 30560-UP

1шт.

39

08671-50050

HOSE

SN: 30560-UP

1шт.

40

7861-93-1490

SENSOR

SN: 30560-UP

1шт.

41

08193-20010

CLIP

SN: 30560-UP

1шт.

42

01435-01016

BOLT

SN: 30560-UP

1шт.

Выбрано товаров: 94