Запчасти Komatsu D275A-5R ГУСЕНИЧНАЯ РАМА (ЗАДН. ТЕЛЕЖКА) (ПОЛН. ЗАЩИТА КАТКОВ) (ПРАВ.)(№-) ХОДОВАЯ

Схема запчастей Komatsu D275A-5R - ГУСЕНИЧНАЯ РАМА (ЗАДН. ТЕЛЕЖКА) (ПОЛН. ЗАЩИТА КАТКОВ) (ПРАВ.)(№-) ХОДОВАЯ
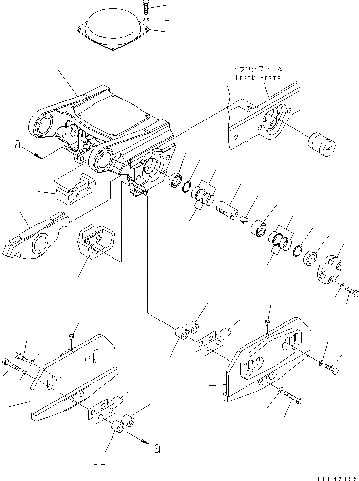
1
2
3
4
5
6
7
8
9
10
10
11
11
12
12
13
14
15
16
17
18
19
19
20
20
21
21
22
22
22
22
23
23
24
24
25
25
26
26
FIT
1:1
100%

Артикул

Название

Примечание

Количество

|$7

17M-30-00630

BOGIE ASS'Y

SN: 35001-UP

1шт.

1

17M-30-56112

BOGIE

SN: 35001-UP

1шт.

2

17M-30-56130

PAD

SN: 35001-UP

1шт.

3

01010-81020

BOLT

SN: 35001-UP

4шт.

4

01643-31032

WASHER

SN: 35001-UP

4шт.

5

17M-30-56122

BOGIE

SN: 35001-UP

2шт.

|$17

17M-30-56201

PIN ASS'Y

SN: 35001-UP

2шт.

6

17M-30-56221

RING

SN: 35001-UP

1шт.

7

17M-30-56231

RING

SN: 35001-UP

1шт.

8

17M-30-56241

RING

SN: 35001-UP

1шт.

9

17M-30-56251

SHAFT

SN: 35001-UP

1шт.

10

17M-30-56261

SPACER

SN: 35001-UP

2шт.

|$23

17M-30-00500

FLOATING SEAL ASS'Y

SN: 35001-UP

2шт.

11

0

SEAL

SN: 35001-UP

2шт.

12

0

O-RING

SN: 35001-UP

2шт.

13

209-30-63150

PLUG

SN: 35001-UP

1шт.

14

17M-30-56341

COVER

SN: 35001-UP

2шт.

15

01010-61640

BOLT

SN: 35001-UP

8шт.

16

01643-31645

WASHER

SN: 35001-UP

8шт.

17

17M-30-57370

GUARD,L.H.

SN: 35001-UP

1шт.

18

17M-30-57380

GUARD,R.H.

SN: 35001-UP

1шт.

19

07049-01012

PLUG

SN: 35001-UP

2шт.

20

01010-63070

BOLT

SN: 35001-UP

2шт.

21

01643-33080

WASHER

SN: 35001-UP

2шт.

22

207-01-11220

COLLAR

SN: 35001-UP

4шт.

23

17M-30-57420

PLATE

SN: 35001-UP

12шт.

24

17M-30-57131

GUIDE

SN: 35001-UP

2шт.

25

01011-62440

BOLT

SN: 35001-UP

4шт.

26

01643-32460

WASHER

SN: 35001-UP

4шт.

Выбрано товаров: 29