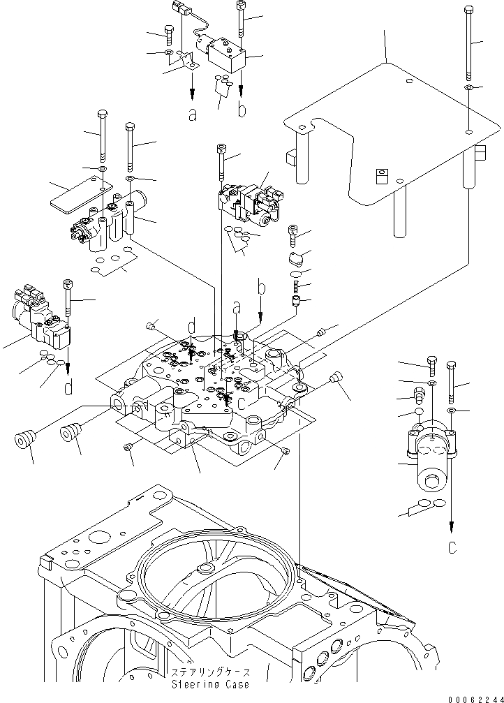
Запчасти Komatsu D275A-5R РУЛЕВ. УПРАВЛЕНИЕ (КЛАПАН РУЛЕВОГО УПРАВЛЕНИЯ)(№-) СИЛОВАЯ ПЕРЕДАЧА И КОНЕЧНАЯ ПЕРЕДАЧА

Схема запчастей Komatsu D275A-5R - РУЛЕВ. УПРАВЛЕНИЕ (КЛАПАН РУЛЕВОГО УПРАВЛЕНИЯ)(№-) СИЛОВАЯ ПЕРЕДАЧА И КОНЕЧНАЯ ПЕРЕДАЧА
1
2
3
4
4
4
4
5
6
7
8
8
9
9
10
10
11
12
13
14
15
16
17
18
19
20
21
22
23
24
25
26
26
27
28
29
30
31
32
33
34
35
36
37
38
FIT
1:1
100%

Артикул

Название

Примечание

Количество

|$$1

SERIAL NO. IN ( ) INDICATES TRANSMISSION SERIAL NO.

-1шт.

|$3

17M-22-51101

STEERING ASS'Y

SN: (103160)-UP

1шт.

|$4

17M-22-51100

STEERING ASS'Y

SN: 35001-(103159)

1шт.

|$$4

THESE ASSEMBLIES CONSIST OF ALL PARTS SHOWN IN FIGS.F2370-51C0 TO F2370-57C0.

-1шт.

|$7

17M-22-52003

STEERING VALVE ASS'Y

SN: 35001-UP

1шт.

|$8

17M-22-52002

STEERING VALVE ASS'Y

SN: 35001-35004

1шт.

1

17M-22-47260

COVER

SN: 35001-UP

1шт.

2

07043-70312

PLUG

SN: 35001-UP

2шт.

3

07043-70617

PLUG

SN: 35001-UP

1шт.

4

07043-70211

PLUG

SN: 35001-UP

20шт.

5

07043-70617

PLUG

SN: 35001-UP

1шт.

6

17A-22-46401

VALVE ASS'Y,BRAKE

SN: 35001-UP

2шт.

6

0

ECMV ASS'Y,BRAKE

SN: (35001-35004)

2шт.

7

56B-15-25301

ECMV GROUP,CLUTCH

SN: 35001-UP

2шт.

7

0

ECMV GROUP,CLUTCH

SN: 35001-35004

2шт.

8

01252-70650

BOLT

SN: 35001-UP

16шт.

9

07000-72015

O-RING

SN: 35001-UP

16шт.

10

07000-71007

O-RING

SN: 35001-UP

4шт.

11

07750-01623

VALVE

SN: 35001-UP

1шт.

12

07750-01628

SPRING

SN: 35001-UP

1шт.

13

07000-72021

O-RING

SN: 35001-UP

1шт.

14

709-25-11670

PLATE

SN: 35001-UP

1шт.

15

01252-60616

BOLT

SN: 35001-UP

2шт.

16

569-15-51720

FILTER ASS'Y

SN: 35001-UP

1шт.

16

569-15-51731

ELEMENT ASS'Y

SN: 35005-UP

1шт.

16

0

ELEMENT ASS'Y

SN: 35001-35004

1шт.

16

07000-02060

O-RING

SN: 35001-UP

1шт.

17

07040-11812

PLUG

SN: 35001-UP

1шт.

18

07002-61823

O-RING

SN: 35001-UP

1шт.

19

07000-73022

O-RING

SN: 35001-UP

2шт.

20

01010-81030

BOLT

SN: 35001-UP

1шт.

21

01643-31032

WASHER

SN: 35001-UP

1шт.

22

01010-81080

BOLT

SN: 35001-UP

2шт.

23

01643-31032

WASHER

SN: 35001-UP

2шт.

24

195-22-71101

VALVE ASS'Y,PARKING BRAKE

SN: 35001-UP

1шт.

25

01010-80895

BOLT

SN: 35001-UP

2шт.

26

01643-30823

WASHER

SN: 35001-UP

4шт.

27

17M-22-42150

PLATE

SN: 35001-UP

1шт.

28

6132-11-6460

BOLT

SN: 35001-UP

2шт.

29

07000-72015

O-RING

SN: 35001-UP

4шт.

30

17M-22-42100

VALVE ASS'Y,PREVENT STEEP BRAKE

SN: 35001-UP

1шт.

31

01252-70650

BOLT

SN: 35001-UP

4шт.

32

07000-72010

O-RING

SN: 35001-UP

4шт.

33

08193-20010

CLIP

SN: 35001-UP

1шт.

34

01010-81020

BOLT

SN: 35001-UP

1шт.

35

01643-31032

WASHER

SN: 35001-UP

1шт.

36

17M-22-57281

COVER

SN: 35001-UP

1шт.

37

01011-81290

BOLT

SN: 35001-UP

4шт.

38

01643-31232

WASHER

SN: 35001-UP

4шт.

Выбрано товаров: 49