Запчасти Komatsu SAA6D140E-5HR-W ЭЛЕМЕНТЫ БЛОКА ЦИЛИНДРОВ(№-) ДВИГАТЕЛЬ

Схема запчастей Komatsu SAA6D140E-5HR-W - ЭЛЕМЕНТЫ БЛОКА ЦИЛИНДРОВ(№-) ДВИГАТЕЛЬ
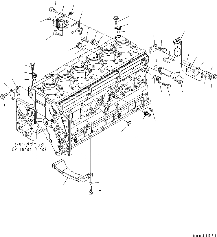
1
2
3
4
5
6
7
8
9
10
11
12
13
14
15
16
17
18
19
20
21
22
23
24
25
26
27
28
29
30
31
31
31
32
33
33
33
33
34
34
34
34
1
2
3
4
5
6
7
8
9
10
11
12
13
14
15
16
17
18
19
20
21
22
23
24
25
26
27
28
29
30
31
31
31
32
33
33
33
33
34
34
34
34
FIT
1:1
100%

Артикул

Название

Примечание

Количество

1

6261-21-1990

COVER

SN: 630006-UP

1шт.

2

6261-21-1970

GASKET

SN: 630006-UP

1шт.

3

01435-01065

BOLT

SN: 630006-UP

4шт.

4

01435-01035

BOLT

SN: 630006-UP

1шт.

5

07043-A0415

PLUG

SN: 630006-UP

1шт.

6

07043-70108

PLUG

SN: 630006-UP

2шт.

7

6219-81-1961

SENSOR ASS'Y,OIL PRESSURE

SN: 630006-UP

1шт.

7

6219-81-1991

O-RING

SN: 630006-UP

1шт.

8

6150-21-1180

PLUG

SN: 630006-UP

1шт.

9

6150-21-1190

O-RING

SN: 630006-UP

1шт.

10

6217-21-1220

BRACKET

SN: 630006-UP

1шт.

11

01010-81050

BOLT

SN: 630006-UP

4шт.

12

01643-31032

WASHER

SN: 630006-UP

4шт.

13

6261-21-7130

FILLER,OIL

SN: 630006-UP

1шт.

14

01435-01030

BOLT

SN: 630006-UP

1шт.

15

07000-73034

O-RING

SN: 630006-UP

1шт.

16

07025-00100

CAP,OIL FILLER

SN: 630006-UP

1шт.

17

6261-21-7210

PLATE

SN: 630006-UP

1шт.

18

01435-01025

BOLT

SN: 630006-UP

2шт.

19

6261-21-7290

PLATE

SN: 630006-UP

1шт.

20

01435-01090

BOLT

SN: 630006-UP

2шт.

21

6221-81-6940

SPACER

SN: 630006-UP

2шт.

22

07283-34354

CLIP

SN: 630006-UP

1шт.

23

07283-54353

SEAT

SN: 630006-UP

1шт.

24

01643-31032

WASHER

SN: 630006-UP

2шт.

25

01597-01009

NUT

SN: 630006-UP

2шт.

26

07046-44016

PLUG

SN: 630006-UP

1шт.

27

6261-81-6901

SENSOR ASS'Y,TEMPERATURE

SN: 630094-UP

1шт.

27

6261-81-6900

SENSOR ASS'Y,TEMPERATURE

SN: 630006-630093

1шт.

27

6261-81-6910

SENSOR

SN: 630006-630093

1шт.

27

6261-84-9740

O-RING

SN: 630006-UP

1шт.

28

6210-21-1950

FLANGE

SN: 630006-UP

1шт.

29

6696-61-9921

GASKET

SN: 630006-UP

1шт.

30

01435-01225

BOLT

SN: 630006-UP

2шт.

31

6217-21-1940

COVER

SN: 630006-UP

3шт.

32

6218-21-1940

COVER

SN: 630006-UP

1шт.

33

6215-61-6630

O-RING

SN: 630188-UP

4шт.

33

07000-73025

O-RING

SN: 630006-630187

4шт.

34

01435-01020

BOLT

SN: 630006-UP

4шт.

1

6261-21-1990

COVER

SN: 630006-UP

1шт.

2

6261-21-1970

GASKET

SN: 630006-UP

1шт.

3

01435-01065

BOLT

SN: 630006-UP

4шт.

4

01435-01035

BOLT

SN: 630006-UP

1шт.

5

07043-A0415

PLUG

SN: 630006-UP

1шт.

6

07043-70108

PLUG

SN: 630006-UP

2шт.

7

6219-81-1961

SENSOR ASS'Y,OIL PRESSURE

SN: 630006-UP

1шт.

7

6219-81-1991

O-RING

SN: 630006-UP

1шт.

8

6150-21-1180

PLUG

SN: 630006-UP

1шт.

9

6150-21-1190

O-RING

SN: 630006-UP

1шт.

10

6217-21-1220

BRACKET

SN: 630006-UP

1шт.

11

01010-81050

BOLT

SN: 630006-UP

4шт.

12

01643-31032

WASHER

SN: 630006-UP

4шт.

13

6261-21-7130

FILLER,OIL

SN: 630006-UP

1шт.

14

01435-01030

BOLT

SN: 630006-UP

1шт.

15

07000-73034

O-RING

SN: 630006-UP

1шт.

16

07025-00100

CAP,OIL FILLER

SN: 630006-UP

1шт.

17

6261-21-7210

PLATE

SN: 630006-UP

1шт.

18

01435-01025

BOLT

SN: 630006-UP

2шт.

19

6261-21-7290

PLATE

SN: 630006-UP

1шт.

20

01435-01090

BOLT

SN: 630006-UP

2шт.

21

6221-81-6940

SPACER

SN: 630006-UP

2шт.

22

07283-34354

CLIP

SN: 630006-UP

1шт.

23

07283-54353

SEAT

SN: 630006-UP

1шт.

24

01643-31032

WASHER

SN: 630006-UP

2шт.

25

01597-01009

NUT

SN: 630006-UP

2шт.

26

07046-44016

PLUG

SN: 630006-UP

1шт.

27

6261-81-6901

SENSOR ASS'Y,TEMPERATURE

SN: 630094-UP

1шт.

27

6261-81-6900

SENSOR ASS'Y,TEMPERATURE

SN: 630006-630093

1шт.

27

6261-81-6910

SENSOR

SN: 630006-630093

1шт.

27

6261-84-9740

O-RING

SN: 630006-UP

1шт.

28

6210-21-1950

FLANGE

SN: 630006-UP

1шт.

29

6696-61-9921

GASKET

SN: 630006-UP

1шт.

30

01435-01225

BOLT

SN: 630006-UP

2шт.

31

6217-21-1940

COVER

SN: 630006-UP

3шт.

32

6218-21-1940

COVER

SN: 630006-UP

1шт.

33

6215-61-6630

O-RING

SN: 630188-UP

4шт.

33

07000-73025

O-RING

SN: 630006-630187

4шт.

34

01435-01020

BOLT

SN: 630006-UP

4шт.

Выбрано товаров: 78