Запчасти Komatsu PC750LC-6K-01 СИЛОВАЯ ПЕРЕДАЧА, PTO(МЕХ-М ОТБОРА МОЩНОСТИ) ПРИВОД (№-) СИСТЕМА ОХЛАЖДЕНИЯ

Схема запчастей Komatsu PC750LC-6K-01 - СИЛОВАЯ ПЕРЕДАЧА, PTO(МЕХ-М ОТБОРА МОЩНОСТИ) ПРИВОД (№-) СИСТЕМА ОХЛАЖДЕНИЯ
21
20
19
18
17
16
15
14
13
12
11
10
9
8
7
6
5
4
3
2
1
24
25
22
23
21
20
19
18
17
16
15
14
13
12
11
10
9
8
7
6
5
4
3
2
1
24
25
22
23
FIT
1:1
100%

Артикул

Название

Примечание

Количество

|$0

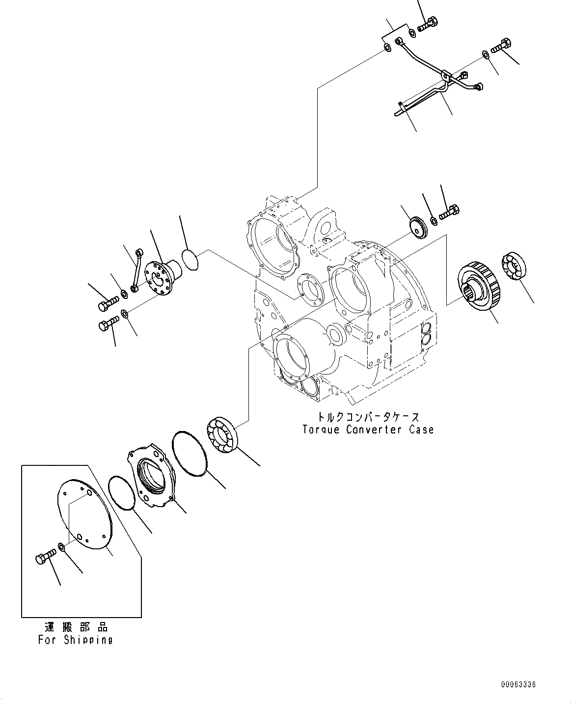
17M-22-50100

Power Train Assembly

SN: 35021-UP

1шт.

|$1

17M-13-51101

Power Piston Assembly

SN: 35021-UP

1шт.

1

17M-13-44240

Shaft

SN: 35021-UP

1шт.

2

07000-72095

O-ring, (Kit : K01, K02)

SN: 35021-UP

1шт.

3

01010-81235

Bolt

SN: 35021-UP

6шт.

4

01643-31232

Washer

SN: 35021-UP

6шт.

5

17A-15-18350

Holder

SN: 35021-UP

1шт.

6

01010-61645

Bolt

SN: 35021-UP

1шт.

7

01643-31645

Washer

SN: 35021-UP

1шт.

8

17M-13-46311

Tube

SN: 35021-UP

1шт.

9

07206-31216

Bolt, Joint

SN: 35021-UP

4шт.

10

07005-01612

Seal, Washer, (Kit : K01, K02)

SN: 35021-UP

8шт.

11

562-13-16860

Clip

SN: 35021-UP

1шт.

12

01010-81220

Bolt

SN: 35021-UP

1шт.

13

01643-31232

Washer

SN: 35021-UP

1шт.

14

17M-13-46390

Tube

SN: 35021-UP

1шт.

15

07206-31216

Bolt, Joint

SN: 35021-UP

2шт.

16

07005-01612

Seal, Washer, (Kit : K01, K02)

SN: 35021-UP

4шт.

17

17M-13-42120

Gear

SN: 35021-UP

1шт.

18

17M-13-42160

Bearing

SN: 35021-UP

1шт.

19

714-12-39340

Bearing

SN: 35021-UP

1шт.

20

154-13-64480

Cover

SN: 35021-UP

1шт.

21

07000-75210

O-ring, (Kit : K01, K02)

SN: 35021-UP

1шт.

22

17M-13-54490

Cover

SN: 35021-UP

1шт.

23

07000-75165

O-ring, (Kit : K01, K02)

SN: 35021-UP

1шт.

24

01010-62460

Bolt

SN: 35021-UP

2шт.

25

01643-32460

Washer

SN: 35021-UP

2шт.

|$0

17M-22-50100

Power Train Assembly

|$1

17M-13-51101

Power Piston Assembly

1

17M-13-44240

Shaft

2

07000-72095

O-ring, (Kit : K01, K02)

3

01010-81235

Bolt

4

01643-31232

Washer

5

17A-15-18350

Holder

6

01010-61645

Bolt

7

01643-31645

Washer

8

17M-13-46311

Tube

9

07206-31216

Bolt, Joint

10

07005-01612

Seal, Washer, (Kit : K01, K02)

11

562-13-16860

Clip

12

01010-81220

Bolt

13

01643-31232

Washer

14

17M-13-46390

Tube

15

07206-31216

Bolt, Joint

16

07005-01612

Seal, Washer, (Kit : K01, K02)

17

17M-13-42120

Gear

18

17M-13-42160

Bearing

19

714-12-39340

Bearing

20

154-13-64480

Cover

21

07000-75210

O-ring, (Kit : K01, K02)

22

17M-13-54490

Cover

23

07000-75165

O-ring, (Kit : K01, K02)

24

01010-62460

Bolt

25

01643-32460

Washer

Выбрано товаров: 54