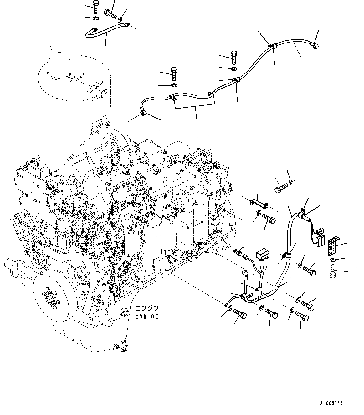
Запчасти Komatsu D275A-5R ДВИГАТЕЛЬ ПРОВОДКА (№-) ДВИГАТЕЛЬ ПРОВОДКА

Схема запчастей Komatsu D275A-5R - ДВИГАТЕЛЬ ПРОВОДКА (№-) ДВИГАТЕЛЬ ПРОВОДКА
12
14
15
16
17
18
19
20
21
22
23
24
25
26
27
28
29
30
31
32
33
34
35
36
37
38
11
1
2
3
4
5
6
7
8
9
10
11
39
40
41
42
43
13
FIT
1:1
100%

Артикул

Название

Примечание

Количество

1

17M-06-43821

Wiring Harness

SN: 35045-UP

1шт.

2

04434-51410

Clip

SN: 35045-UP

2шт.

3

01010-81025

Bolt

SN: 35045-UP

1шт.

4

01643-31032

Washer

SN: 35045-UP

1шт.

5

04434-52110

Clip

SN: 35045-UP

1шт.

6

07095-20314

Cushion

SN: 35045-UP

1шт.

7

01010-81025

Bolt

SN: 35045-UP

1шт.

8

01643-31032

Washer

SN: 35045-UP

1шт.

9

04434-52112

Clip

SN: 35045-UP

1шт.

10

07095-20314

Cushion

SN: 35045-UP

1шт.

11

08038-02027

Cap, Terminal

SN: 35045-UP

2шт.

12

17M-06-43131

Wiring Harness

SN: 35045-UP

1шт.

13

19M-06-31720

Resistor

SN: 35045-UP

1шт.

14

17A-911-4391

Bracket

SN: 35045-UP

1шт.

15

01010-81025

Bolt

SN: 35045-UP

1шт.

16

01643-31032

Washer

SN: 35045-UP

1шт.

17

04434-52712

Clip

SN: 35045-UP

1шт.

18

07095-20419

Cushion

SN: 35045-UP

1шт.

19

01010-81220

Bolt

SN: 35045-UP

1шт.

20

01643-31232

Washer

SN: 35045-UP

1шт.

21

04434-52711

Clip

SN: 35045-UP

1шт.

22

07095-20419

Cushion

SN: 35045-UP

1шт.

23

01010-81020

Bolt

SN: 35045-UP

1шт.

24

01643-31032

Washer

SN: 35045-UP

1шт.

25

600-051-2190

Clip

SN: 35045-UP

1шт.

26

01010-81020

Bolt

SN: 35045-UP

1шт.

27

01643-31032

Washer

SN: 35045-UP

1шт.

28

600-051-2140

Clip

SN: 35045-UP

1шт.

29

01010-81020

Bolt

SN: 35045-UP

1шт.

30

01643-31032

Washer

SN: 35045-UP

1шт.

31

600-051-2140

Clip

SN: 35045-UP

1шт.

32

01010-81020

Bolt

SN: 35045-UP

1шт.

33

01643-31032

Washer

SN: 35045-UP

1шт.

34

01010-81020

Bolt

SN: 35045-UP

1шт.

35

01643-31032

Washer

SN: 35045-UP

1шт.

36

17M-06-43691

Bracket

SN: 35045-UP

1шт.

37

01010-81225

Bolt

SN: 35045-UP

2шт.

38

01643-31232

Washer

SN: 35045-UP

2шт.

39

175-06-51440

Cable

SN: 35045-UP

1шт.

40

01010-81225

Bolt

SN: 35045-UP

1шт.

41

01643-31232

Washer

SN: 35045-UP

1шт.

42

01010-81020

Bolt

SN: 35045-UP

1шт.

43

01643-31032

Washer

SN: 35045-UP

1шт.

Выбрано товаров: 43