Запчасти Komatsu PC750LC-6K-01 СИЛОВАЯ ПЕРЕДАЧА, КЛАПАН РУЛЕВОГО УПРАВЛЕНИЯ КРЕПЛЕНИЕ (№-()) СИСТЕМА ОХЛАЖДЕНИЯ

Схема запчастей Komatsu PC750LC-6K-01 - СИЛОВАЯ ПЕРЕДАЧА, КЛАПАН РУЛЕВОГО УПРАВЛЕНИЯ КРЕПЛЕНИЕ (№-()) СИСТЕМА ОХЛАЖДЕНИЯ
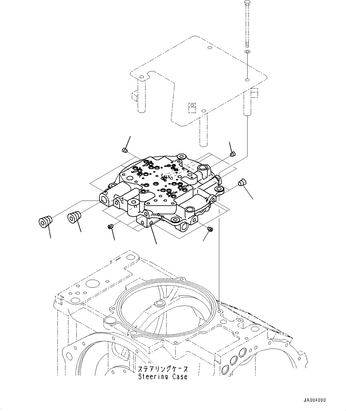
2
1
4
5
3
4
4
4
2
1
4
5
3
4
4
4
FIT
1:1
100%

Артикул

Название

Примечание

Количество

|$0

17M-22-50100

Power Train Assembly

SN: 35021-@

1шт.

|$1

17M-22-51101

Steering Assembly

SN: 35021-@

1шт.

|$2

17M-22-52003

Valve Assembly, Steering

SN: 35021-(103204

1шт.

1

17M-22-47260

Cover

SN: 35021-(103204

1шт.

2

07043-70312

Plug

SN: 35021-@

2шт.

3

07043-70617

Plug

SN: 35021-@

1шт.

4

07043-70211

Plug

SN: 35021-(103204

20шт.

5

07043-70617

Plug

SN: 35021-@

1шт.

|$0

17M-22-50100

Power Train Assembly

|$1

17M-22-51101

Steering Assembly

|$2

17M-22-52003

Valve Assembly, Steering

1

17M-22-47260

Cover

2

07043-70312

Plug

3

07043-70617

Plug

4

07043-70211

Plug

5

07043-70617

Plug

Выбрано товаров: 16