Запчасти Komatsu PC750LC-6K-01 СИЛОВАЯ ПЕРЕДАЧА, ГИДРАВЛ МАСЛ. НАСОС КРЕПЛЕНИЕ (№-) СИСТЕМА ОХЛАЖДЕНИЯ

Схема запчастей Komatsu PC750LC-6K-01 - СИЛОВАЯ ПЕРЕДАЧА, ГИДРАВЛ МАСЛ. НАСОС КРЕПЛЕНИЕ (№-) СИСТЕМА ОХЛАЖДЕНИЯ
3
2
1
3
2
1
FIT
1:1
100%

Артикул

Название

Примечание

Количество

|$0

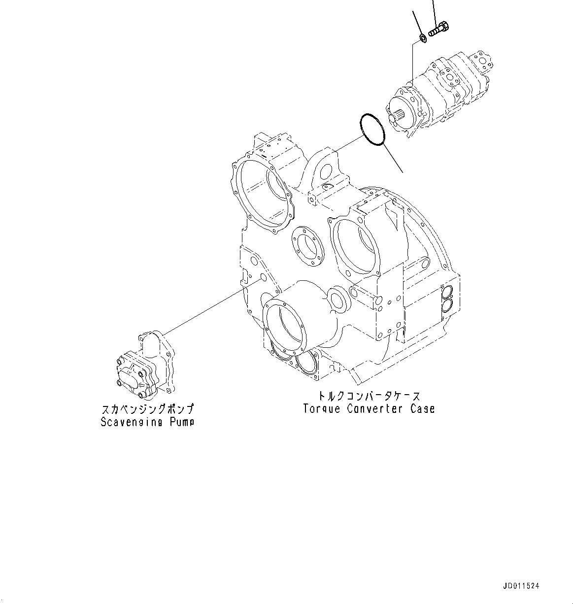
17M-22-50100

Power Train Assembly

SN: 35021-UP

1шт.

1

07000-72130

O-ring

SN: 35021-UP

1шт.

2

01010-61645

Bolt

SN: 35021-UP

2шт.

3

01643-31645

Washer

SN: 35021-UP

2шт.

|$0

17M-22-50100

Power Train Assembly

1

07000-72130

O-ring

2

01010-61645

Bolt

3

01643-31645

Washer

Выбрано товаров: 8