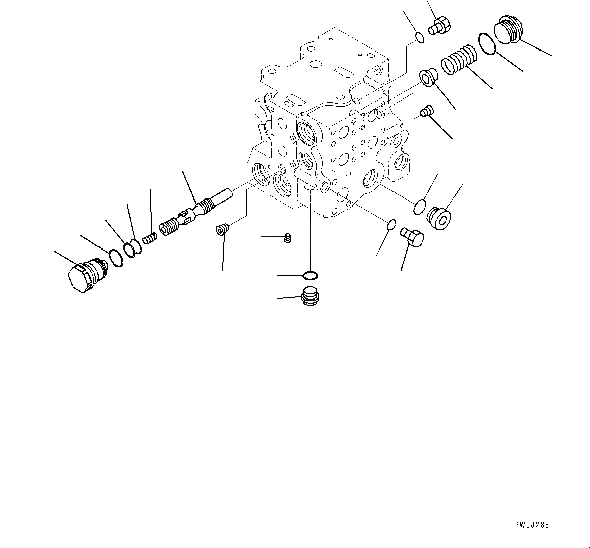
Запчасти Komatsu D275A-5R КРЫЛО, УПРАВЛЯЮЩ. КЛАПАН, 4-Х СЕКЦИОНН. (/9) (№-) КРЫЛО, С ВЫСОК. ЕМК. АККУМУЛЯТОР, БЕЗ ЗАДН. ОБОРУД-Е

Схема запчастей Komatsu D275A-5R - КРЫЛО, УПРАВЛЯЮЩ. КЛАПАН, 4-Х СЕКЦИОНН. (/9) (№-) КРЫЛО, С ВЫСОК. ЕМК. АККУМУЛЯТОР, БЕЗ ЗАДН. ОБОРУД-Е
16
15
18
17
3
4
9
10
13
14
12
11
6
1
2
5
4
3
7
8
6
FIT
1:1
100%

Артикул

Название

Примечание

Количество

|$0

723-64-23400

Valve Assembly, Control

SN: 45001-UP

1шт.

1

709-74-91860

Plug

SN: 45001-UP

1шт.

2

07002-12434

O-ring

SN: 45001-UP

1шт.

3

702-21-55620

Plug

SN: 45001-UP

2шт.

4

07002-11423

O-ring

SN: 45001-UP

2шт.

5

708-21-12541

Plug

SN: 45001-UP

10шт.

6

Plug

SN: 45001-UP

2шт.

7

07040-13316

Plug

SN: 45001-UP

1шт.

8

07002-13334

O-ring

SN: 45001-UP

1шт.

9

Spool

SN: 45001-UP

1шт.

10

Piston

SN: 45001-UP

1шт.

11

723-63-32570

Plug

SN: 45001-UP

1шт.

12

07002-14234

O-ring

SN: 45001-UP

1шт.

13

07000-13032

O-ring

SN: 45001-UP

1шт.

14

07001-03032

Ring, Back-up

SN: 45001-UP

1шт.

15

723-63-32560

Spring

SN: 45001-UP

1шт.

16

723-63-31540

Retainer

SN: 45001-UP

1шт.

17

723-63-31550

Plug

SN: 45001-UP

1шт.

18

07002-14234

O-ring

SN: 45001-UP

1шт.

Выбрано товаров: 19