Запчасти Komatsu D275A-5R ГУСЕНИЧНАЯ РАМА, ПАТРУБОК И COVER, ПРАВ. (№-) ГУСЕНИЧНАЯ РАМА, С ПОЛН. LENGTH ЗАЩИТА ОПОРНЫХ КАТКОВ

Схема запчастей Komatsu D275A-5R - ГУСЕНИЧНАЯ РАМА, ПАТРУБОК И COVER, ПРАВ. (№-) ГУСЕНИЧНАЯ РАМА, С ПОЛН. LENGTH ЗАЩИТА ОПОРНЫХ КАТКОВ
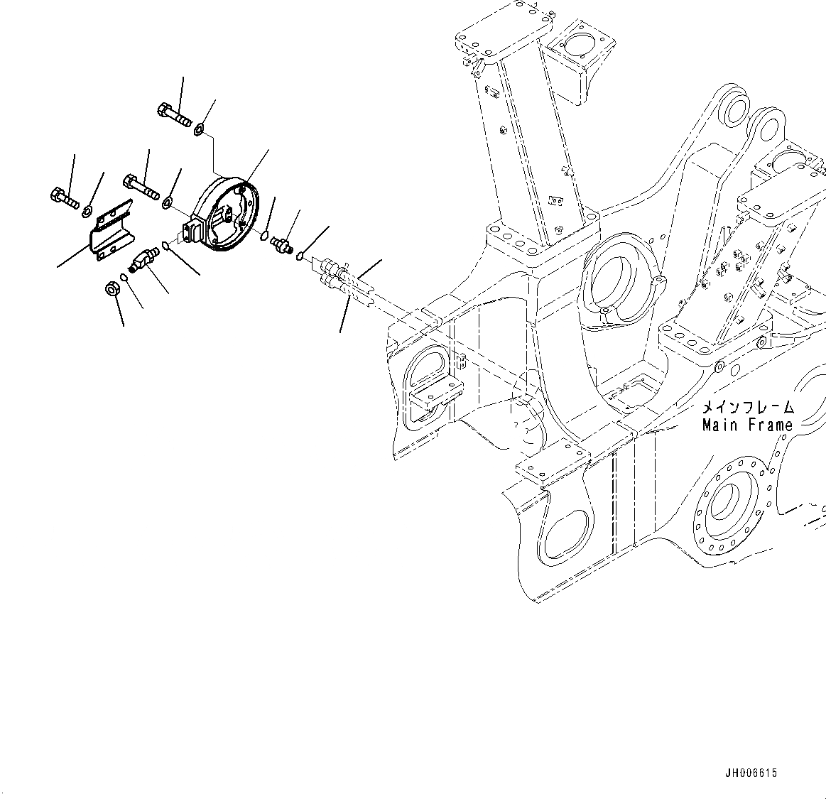
16
15
12
3
4
9
10
11
11
8
14
1
13
5
6
7
2
FIT
1:1
100%

Артикул

Название

Примечание

Количество

1

02781-00422

Union

SN: 45001-UP

2шт.

2

02896-11012

O-ring

SN: 45001-UP

2шт.

3

07002-12034

O-ring

SN: 45001-UP

2шт.

4

17M-50-41212

Cover

SN: 45001-UP

1шт.

5

17M-61-41110

Elbow

SN: 45001-UP

2шт.

6

02896-11012

O-ring

SN: 45001-UP

2шт.

7

07002-12034

O-ring

SN: 45001-UP

2шт.

8

02789-00422

Plug

SN: 45001-UP

2шт.

9

01010-81685

Bolt

SN: 45001-UP

5шт.

10

01011-81610

Bolt

SN: 45001-UP

1шт.

11

01643-31645

Washer

SN: 45001-UP

6шт.

12

17M-30-61290

Cover

SN: 45001-UP

1шт.

13

01010-81630

Bolt

SN: 45001-UP

4шт.

14

01643-31645

Washer

SN: 45001-UP

4шт.

15

17M-61-53131

Hose

SN: UP

-1шт.

16

17M-61-53141

Hose

SN: UP

-1шт.

Выбрано товаров: 16