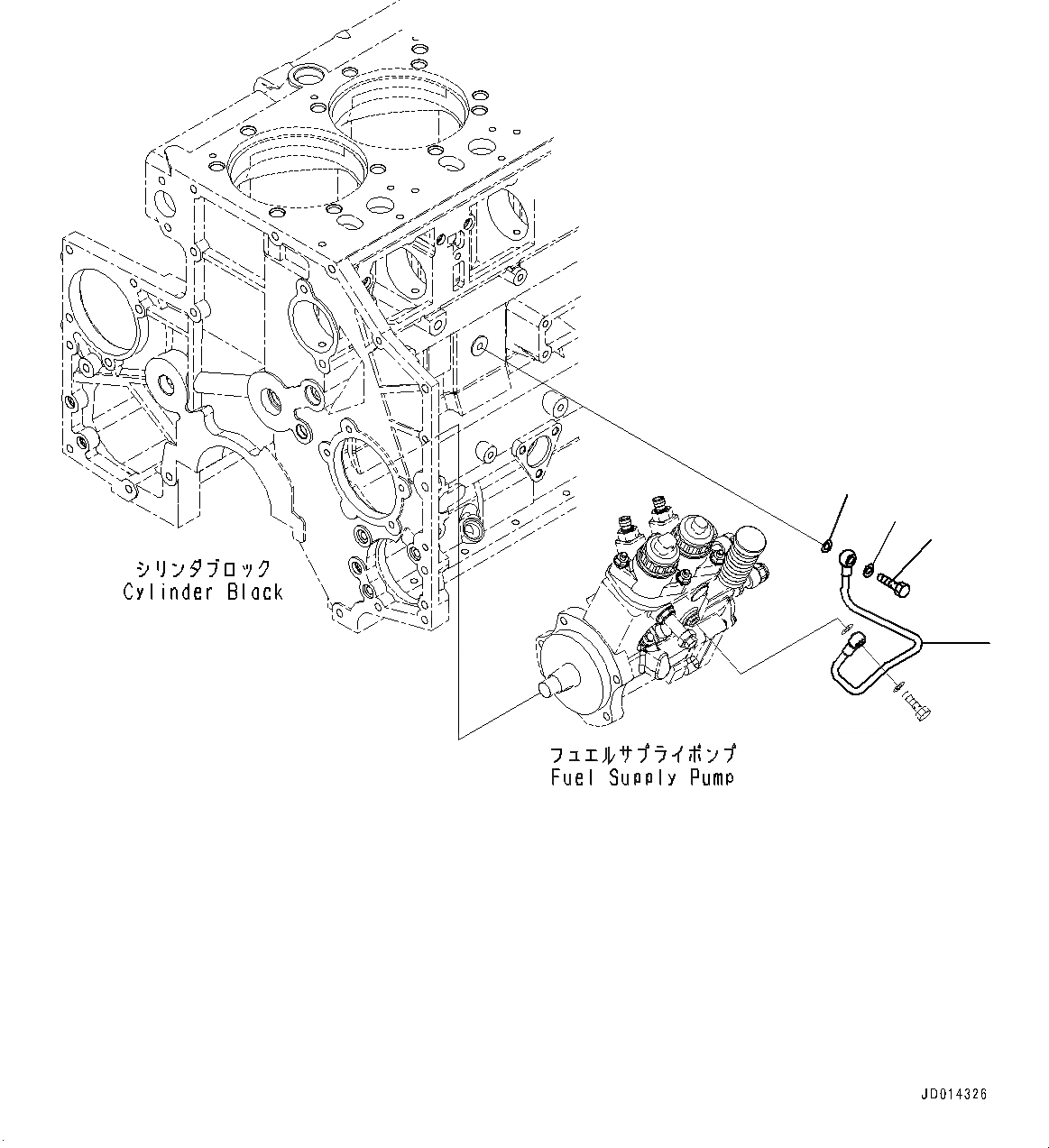
Запчасти Komatsu SAA6D140E-5AH ТОПЛИВН. НАСОС СМАЗКА (№-) ТОПЛИВН. НАСОС СМАЗКА

Схема запчастей Komatsu SAA6D140E-5AH - ТОПЛИВН. НАСОС СМАЗКА (№-) ТОПЛИВН. НАСОС СМАЗКА
1
2
2
3
1
2
2
3
FIT
1:1
100%

Артикул

Название

Примечание

Количество

1

6261-51-7110

Tube, Supply

SN: 630336-UP

1шт.

2

07005-01012

Seal, Washer

SN: 630336-UP

2шт.

3

6934-72-7190

Bolt, Joint

SN: 630336-UP

1шт.

1

6261-51-7110

Tube, Supply

SN: 630336-UP

1шт.

2

07005-01012

Seal, Washer

SN: 630336-UP

2шт.

3

6934-72-7190

Bolt, Joint

SN: 630336-UP

1шт.

Выбрано товаров: 6