Запчасти Komatsu D275AX-5-KO ПРИБОРНАЯ ПАНЕЛЬ (С ОБОГРЕВ-ЛЕМ ИЛИ КОНДИЦ. ВОЗДУХА) КАБИНА ОПЕРАТОРА И СИСТЕМА УПРАВЛЕНИЯ

Схема запчастей Komatsu D275AX-5-KO - ПРИБОРНАЯ ПАНЕЛЬ (С ОБОГРЕВ-ЛЕМ ИЛИ КОНДИЦ. ВОЗДУХА) КАБИНА ОПЕРАТОРА И СИСТЕМА УПРАВЛЕНИЯ
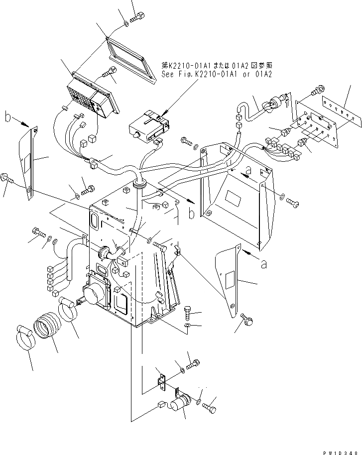
1
2
2
3
4
5
6
7
7
8
9
10
11
12
13
14
15
16
16
16
17
17
17
18
19
20
21
22
22
23
24
25
25
26
27
FIT
1:1
100%

Артикул

Название

Примечание

Количество

1

195-54-72211

COVER,L.H.

SN: 20001-UP

1шт.

2

01435-00814

BOLT

SN: 20001-UP

4шт.

3

195-54-72221

COVER,R.H.

SN: 20001-UP

1шт.

4

17M-54-44420

PANEL

SN: 20001-UP

1шт.

5

7831-62-3000

PANEL

SN: 20001-UP

1шт.

6

195-54-69671

COVER

SN: 20001-UP

1шт.

7

01252-80630

BOLT

SN: 20001-UP

6шт.

8

01643-70623

WASHER

SN: 20001-UP

4шт.

9

198-06-55250

WIRING HARNESS

SN: 20001-UP

1шт.

10

14X-06-12160

SWITCH

SN: 20001-UP

4шт.

11

7824-85-4810

SWITCH

SN: 20001-UP

2шт.

12

198-06-56570

BUZZER

SN: 20001-UP

1шт.

13

01010-80616

BOLT

SN: 20001-UP

2шт.

14

01643-20619

WASHER

SN: 20001-UP

2шт.

15

198-06-52351

BRACKET

SN: 20001-UP

1шт.

16

01010-81225

BOLT

SN: 20001-UP

3шт.

17

01643-31232

WASHER

SN: 20001-UP

3шт.

18

17M-06-41181

WIRING HARNESS

SN: 20001-UP

1шт.

|18

08501-21507

SWITCH

SN: 20001-UP

1шт.

|18

08504-10000

CAP

SN: 20001-UP

1шт.

19

04434-52711

CLIP

SN: 20001-UP

1шт.

20

01010-81020

BOLT

SN: 20001-UP

1шт.

21

01643-31032

WASHER

SN: 20001-UP

1шт.

22

08034-00414

BAND

SN: 20001-UP

3шт.

23

155-911-1790

CLIP

SN: 20035-UP

1шт.

|23

195-01-12520

CLIP

SN: 20001-20034

1шт.

24

17A-911-1250

HOSE

SN: 20001-UP

1шт.

25

07281-01159

CLAMP

SN: 20001-UP

2шт.

26

01010-81235

BOLT

SN: 20001-UP

6шт.

27

01643-31232

WASHER

SN: 20001-UP

6шт.

Выбрано товаров: 30