Запчасти Komatsu D275AX-5-KO СИЛОВАЯ ПЕРЕДАЧА (/)¤ ЭЛЕМЕНТЫ КРЕПЛЕНИЯ СИЛОВАЯ ПЕРЕДАЧА И КОНЕЧНАЯ ПЕРЕДАЧА

Схема запчастей Komatsu D275AX-5-KO - СИЛОВАЯ ПЕРЕДАЧА (/)¤ ЭЛЕМЕНТЫ КРЕПЛЕНИЯ СИЛОВАЯ ПЕРЕДАЧА И КОНЕЧНАЯ ПЕРЕДАЧА
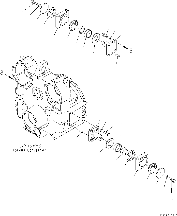
1
1
2
2
3
3
4
4
5
5
6
6
7
7
8
8
8
8
9
9
10
10
11
11
12
12
FIT
1:1
100%

Артикул

Название

Примечание

Количество

|1

17M-22-40000

POWER TRAIN ASS'Y

SN: 20001-UP

1шт.

|$$2

THIS ASSEMBLY CONSISTS OF ALL PARTS SHOWN IN FIGS.F2300-51A0 TO F2300-62A0.

-1шт.

|1

17M-22-40020

POWER LINE A.,(WITH HEATER)

SN: 20001-UP

1шт.

|$$4

THIS ASSEMBLY CONSISTS OF ALL PARTS SHOWN IN FIGS.F2300-51A1 TO F2300-63A1.

-1шт.

1

17A-21-12110

PIN

SN: 20001-UP

2шт.

2

01010-62055

BOLT

SN: 20001-UP

8шт.

3

01643-32060

WASHER

SN: 20001-UP

8шт.

4

04020-01434

PIN,DOWEL

SN: 20001-UP

4шт.

5

17A-21-12151

CAP

SN: 20001-UP

2шт.

6

154-01-21330

CUSHION

SN: 20001-UP

2шт.

7

154-01-21320

CUSHION

SN: 20001-UP

2шт.

8

154-01-21310

CUSHION

SN: 20001-UP

4шт.

9

14X-01-11140

SPACER

SN: 20001-UP

2шт.

10

14X-01-11150

PLATE

SN: 20001-UP

2шт.

11

01010-61645

BOLT

SN: 20001-UP

2шт.

12

01643-31645

WASHER

SN: 20001-UP

2шт.

Выбрано товаров: 16