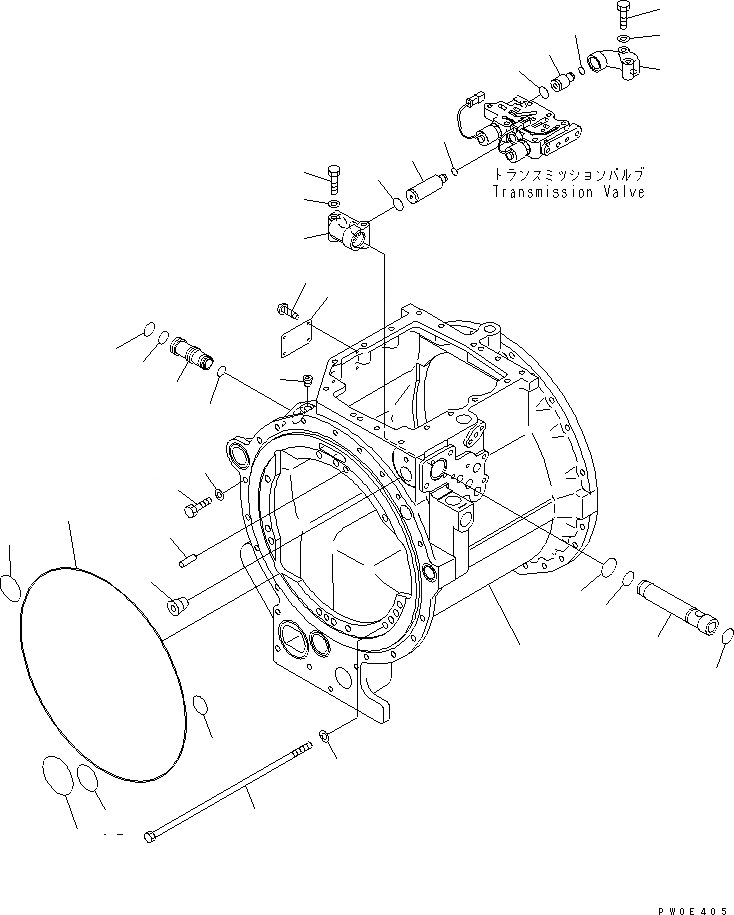
Запчасти Komatsu D275AX-5-KO ТРАНСМИССИЯ (7/8)¤ КОРПУС СИЛОВАЯ ПЕРЕДАЧА И КОНЕЧНАЯ ПЕРЕДАЧА

Схема запчастей Komatsu D275AX-5-KO - ТРАНСМИССИЯ (7/8)¤ КОРПУС СИЛОВАЯ ПЕРЕДАЧА И КОНЕЧНАЯ ПЕРЕДАЧА
1
2
3
4
5
6
7
8
9
10
11
12
13
14
15
16
17
18
19
20
21
22
23
24
25
26
27
28
29
30
31
32
32
33
34
FIT
1:1
100%

Артикул

Название

Примечание

Количество

|1

17M-15-41001

TRANSMISSION ASS'Y

SN: 20001-UP

1шт.

|$$2

THIS ASSEMBLY CONSISTS OF ALL PARTS SHOWN IN FIGS.F2320-51A0 TO F2320-63A0.

-1шт.

|1

17M-15-00211

CASE ASS'Y

SN: 20001-UP

1шт.

1

0

CASE

SN: 20001-UP

1шт.

2

07043-71019

PLUG

SN: 20001-UP

5шт.

3

07043-70312

PLUG

SN: 20001-UP

1шт.

4

09608-05080

PLATE¤ NAME

SN: 20001-UP

1шт.

5

04418-13060

SCREW

SN: 20001-UP

4шт.

6

17A-15-25181

SLEEVE

SN: 20001-UP

1шт.

7

07000-73030

O-RING (K2)

SN: 20001-UP

1шт.

8

07000-73028

O-RING (K2)

SN: 20001-UP

1шт.

9

17A-15-25150

BLOCK

SN: 20001-UP

1шт.

10

01010-81075

BOLT

SN: 20001-UP

2шт.

11

01643-31032

WASHER

SN: 20001-UP

2шт.

12

17M-15-45160

SLEEVE

SN: 20001-UP

1шт.

13

07000-72014

O-RING (K2)

SN: 20001-UP

1шт.

14

07000-73025

O-RING (K2)

SN: 20001-UP

1шт.

15

17A-15-25140

BLOCK

SN: 20001-UP

1шт.

16

01010-81060

BOLT

SN: 20001-UP

2шт.

17

01643-31032

WASHER

SN: 20001-UP

2шт.

18

17M-15-45190

SLEEVE

SN: 20001-UP

1шт.

19

07000-73022

O-RING (K2)

SN: 20001-UP

1шт.

20

07000-72014

O-RING (K2)

SN: 20001-UP

1шт.

21

17M-15-44150

SLEEVE

SN: 20001-UP

1шт.

22

07000-73025

O-RING (K2)

SN: 20001-UP

1шт.

23

07000-73030

O-RING (K2)

SN: 20001-UP

1шт.

24

07000-73032

O-RING (K2)

SN: 20001-UP

1шт.

25

426-15-11260

BOLT

SN: 20001-UP

13шт.

26

145-14-11571

WASHER

SN: 20001-UP

13шт.

27

04020-01434

PIN,DOWEL

SN: 20001-UP

2шт.

28

01010-81235

BOLT

SN: 20001-UP

19шт.

29

01643-31232

WASHER

SN: 20001-UP

19шт.

30

198-16-11290

O-RING (K2)

SN: 20001-UP

1шт.

31

07000-72085

O-RING (K2)

SN: 20001-UP

1шт.

32

07000-72055

O-RING (K2)

SN: 20001-UP

2шт.

33

07000-73038

O-RING (K2)

SN: 20001-UP

1шт.

34

07000-73045

O-RING (K2)

SN: 20001-UP

1шт.

Выбрано товаров: 37