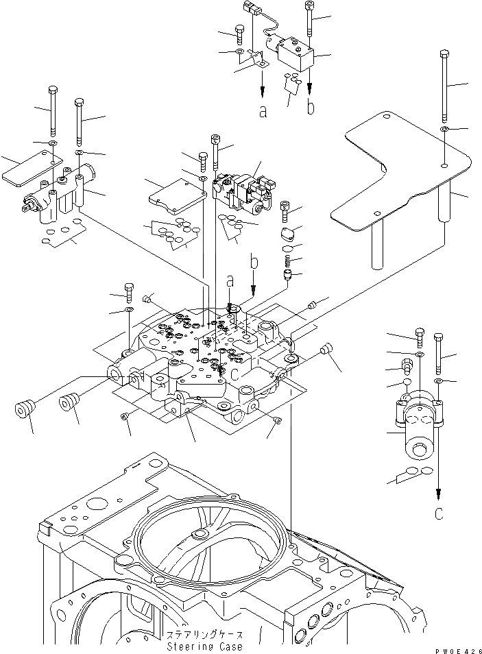
Запчасти Komatsu D275AX-5-KO РУЛЕВ. УПРАВЛЕНИЕ (8/9)¤ КЛАПАН РУЛЕВОГО УПРАВЛЕНИЯ СИЛОВАЯ ПЕРЕДАЧА И КОНЕЧНАЯ ПЕРЕДАЧА

Схема запчастей Komatsu D275AX-5-KO - РУЛЕВ. УПРАВЛЕНИЕ (8/9)¤ КЛАПАН РУЛЕВОГО УПРАВЛЕНИЯ СИЛОВАЯ ПЕРЕДАЧА И КОНЕЧНАЯ ПЕРЕДАЧА
1
2
3
4
4
4
4
5
6
7
8
9
10
11
12
13
14
15
16
17
18
19
20
21
22
23
24
25
26
26
27
28
29
30
31
31
32
33
34
35
36
37
38
39
40
41
42
42
FIT
1:1
100%

Артикул

Название

Примечание

Количество

|1

17M-22-41001

STEERING ASS'Y

SN: 20001-UP

1шт.

|1

17M-22-41020

STEERING ASS'Y,(WITH HEATER)

SN: 20001-UP

1шт.

|$$3

THIS ASSEMBLY CONSISTS OF ALL PARTS SHOWN IN FIGS.F2370-51A0 TO F2370-59A0.

-1шт.

|1

17M-22-42001

VALVE ASSY

SN: 20001-UP

1шт.

1

17M-22-47260

COVER

SN: 20001-UP

1шт.

2

07043-70312

PLUG

SN: 20001-UP

2шт.

3

07043-70617

PLUG

SN: 20001-UP

1шт.

4

07043-70211

PLUG

SN: 20001-UP

20шт.

5

07043-70617

PLUG

SN: 20001-UP

1шт.

6

17M-22-45100

ECMV ASS'Y

SN: 20005-UP

2шт.

|6

195-22-75101

ECMV ASS'Y

SN: 20001-20004

2шт.

7

01252-70650

BOLT

SN: 20001-UP

8шт.

8

07000-72015

O-RING

SN: 20001-UP

8шт.

9

07000-71007

O-RING

SN: 20001-UP

2шт.

10

17M-22-47270

COVER

SN: 20001-UP

1шт.

11

07000-72015

O-RING

SN: 20001-UP

8шт.

12

07000-71007

O-RING

SN: 20001-UP

2шт.

13

01010-80620

BOLT

SN: 20001-UP

4шт.

14

01643-30623

WASHER

SN: 20001-UP

4шт.

15

07750-01623

VALVE

SN: 20001-UP

1шт.

16

07750-01628

SPRING

SN: 20001-UP

1шт.

17

07000-72021

O-RING

SN: 20005-UP

1шт.

|17

07000-72012

O-RING

SN: 20001-20004

1шт.

18

709-25-11670

PLATE

SN: 20001-UP

1шт.

19

01252-60616

BOLT

SN: 20001-UP

2шт.

20

714-23-11720

FILTER

SN: 20001-UP

1шт.

|20

714-23-11730

ELEMENT ASS'Y

SN: 20001-UP

1шт.

|20A

07000-02060

O-RING

SN: 20001-UP

1шт.

21

07040-11812

PLUG

SN: 20001-UP

1шт.

22

07002-11823

O-RING

SN: 20001-UP

1шт.

23

07000-73022

O-RING

SN: 20001-UP

2шт.

24

01010-81030

BOLT

SN: 20001-UP

1шт.

25

01010-81080

BOLT

SN: 20001-UP

2шт.

26

01643-31032

WASHER

SN: 20001-UP

3шт.

27

195-22-71100

VALVE ASS'Y,PARKING BRAKE

SN: 20001-UP

1шт.

28

17M-22-42150

PLATE

SN: 20001-UP

1шт.

29

01010-80895

BOLT

SN: 20001-UP

2шт.

30

6132-11-6460

BOLT

SN: 20001-UP

2шт.

31

01643-30823

WASHER

SN: 20001-UP

4шт.

32

07000-72015

O-RING

SN: 20001-UP

4шт.

33

17M-22-42100

VALVE ASS'Y,PREVENT STEEP BRAKE

SN: 20001-UP

1шт.

34

01252-70650

BOLT

SN: 20001-UP

4шт.

35

07000-72010

O-RING

SN: 20001-UP

4шт.

36

08193-20010

CLIP

SN: 20001-UP

1шт.

37

01010-81020

BOLT

SN: 20001-UP

1шт.

38

01643-31032

WASHER

SN: 20001-UP

1шт.

39

17M-22-47280

COVER

SN: 20001-UP

1шт.

40

01011-81290

BOLT

SN: 20001-UP

3шт.

41

01010-81235

BOLT

SN: 20001-UP

1шт.

42

01643-31232

WASHER

SN: 20001-UP

4шт.

Выбрано товаров: 50