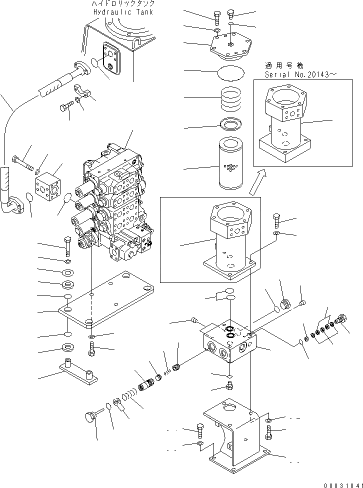
Запчасти Komatsu D275AX-5 ЗАГРУЗОЧН. КЛАПАН И ФИЛЬТР. (ПРЯМ. ОТВАЛ) ЧАСТИ КОРПУСА

Схема запчастей Komatsu D275AX-5 - ЗАГРУЗОЧН. КЛАПАН И ФИЛЬТР. (ПРЯМ. ОТВАЛ) ЧАСТИ КОРПУСА
1
2
3
4
5
6
7
8
9
9
10
10
11
12
13
14
15
16
17
18
19
19
20
21
22
23
24
25
26
27
28
28
29
30
31
32
33
34
35
36
37
38
39
40
41
42
43
44
45
46
47
48
48
49
50
50
51
52
53
54
55
FIT
1:1
100%

Артикул

Название

Примечание

Количество

1

723-64-22400

CONTROL VALVE

SN: 20001-UP

1шт.

2

17M-60-51210

BRACKET

SN: 20001-UP

1шт.

3

01010-61440

BOLT

SN: 20001-UP

3шт.

4

01643-31445

WASHER

SN: 20001-UP

3шт.

5

01010-81280

BOLT

SN: 20001-UP

4шт.

6

01643-31232

WASHER

SN: 20001-UP

4шт.

7

561-74-61750

WASHER

SN: 20001-UP

4шт.

8

17A-60-12321

BRACKET

SN: 20001-UP

2шт.

9

14X-60-12120

CUSHION

SN: 20001-UP

8шт.

10

07000-13025

O-RING

SN: 20001-UP

8шт.

11

17M-61-41250

BLOCK

SN: 20001-UP

1шт.

12

01011-81000

BOLT

SN: 20001-UP

4шт.

13

01643-31032

WASHER

SN: 20001-UP

4шт.

14

07000-13038

O-RING

SN: 20001-UP

1шт.

15

07298-01211

HOSE

SN: 20001-UP

1шт.

16

07371-31255

FLANGE

SN: 20001-UP

4шт.

17

07372-21035

BOLT

SN: 20001-UP

8шт.

18

01643-51032

WASHER

SN: 20001-UP

8шт.

19

07000-13038

O-RING

SN: 20001-UP

2шт.

|$$20

(17M-49-41402,01010-81265(3))

-1шт.

20

01010-81235

BOLT

SN: 20001-UP

6шт.

21

01643-31232

WASHER

SN: 20001-UP

6шт.

22

07000-02110

O-RING

SN: 20001-UP

1шт.

23

07002-01023

O-RING

SN: 20001-UP

1шт.

24

07040-11007

PLUG

SN: 20001-UP

1шт.

25

07063-51054

ELEMENT

SN: 20001-UP

1шт.

26

17A-49-17891

PLATE

SN: 20001-UP

1шт.

27

17A-49-18231

COVER

SN: 20001-UP

1шт.

28

17M-49-41412

CASE

SN: 20001-UP

1шт.

28

\4\17M-49-41411

CASE

SN: 20001-20142

1шт.

|$$31

(17M-49-41412,01010-81265(3))

-1шт.

29

198-49-11460

SPRING

SN: 20001-UP

1шт.

30

01010-81265

BOLT

SN: 20143-UP

3шт.

30

01010-81235

BOLT

SN: 20001-20142

3шт.

31

01643-31232

WASHER

SN: 20001-UP

3шт.

32

07000-73030

O-RING

SN: 20001-UP

2шт.

|$58

17M-49-41301

VALVE ASS'Y

SN: 20001-UP

1шт.

33

104-15-25480

VALVE

SN: 20001-UP

1шт.

34

104-15-25490

VALVE

SN: 20001-UP

1шт.

35

112-903-2480

SHIM, 0.5MM

SN: 20001-UP

2шт.

36

125-15-15290

SPRING

SN: 20001-UP

1шт.

37

17A-49-16321

PLUG

SN: 20001-UP

1шт.

38

17A-49-16361

SPOOL

SN: 20001-UP

1шт.

|$65

17A-49-19100

ORIFICE ASS'Y

SN: 20001-UP

1шт.

39

17A-49-19110

PLUG

SN: 20001-UP

1шт.

40

142-49-14920

ORIFICE

SN: 20001-UP

3шт.

41

142-49-14930

ORIFICE

SN: 20001-UP

2шт.

42

17A-49-19120

SCREW

SN: 20001-UP

1шт.

43

17M-49-41311

VALVE BODY

SN: 20001-UP

1шт.

44

362-15-15550

PLUG

SN: 20001-UP

1шт.

45

568-61-15611

SPRING

SN: 20001-UP

1шт.

46

07002-11623

O-RING

SN: 20001-UP

1шт.

47

07002-12034

O-RING

SN: 20001-UP

1шт.

48

07002-13034

O-RING

SN: 20001-UP

2шт.

49

07040-12012

PLUG

SN: 20001-UP

1шт.

50

07043-10108

PLUG

SN: 20001-UP

3шт.

51

01010-81230

BOLT

SN: 20001-UP

3шт.

52

01643-31232

WASHER

SN: 20001-UP

3шт.

53

17M-49-41321

BRACKET

SN: 20001-UP

1шт.

54

01010-81235

BOLT

SN: 20001-UP

4шт.

55

01643-31232

WASHER

SN: 20001-UP

4шт.

Выбрано товаров: 0