Запчасти Komatsu D275AX-5 КРЫШКА КРЫЛА (СПЕЦ-Я ДЛЯ СВАЛОК)(№8-) ЧАСТИ КОРПУСА

Схема запчастей Komatsu D275AX-5 - КРЫШКА КРЫЛА (СПЕЦ-Я ДЛЯ СВАЛОК)(№8-) ЧАСТИ КОРПУСА
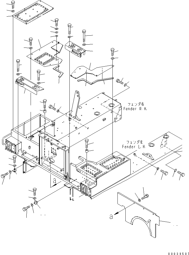
1
2
3
4
5
6
7
8
9
10
11
12
13
14
15
16
17
18
19
20
21
22
23
24
25
26
27
28
29
30
31
32
33
34
35
36
37
38
39
40
40
41
41
42
43
43
44
44
45
46
47
FIT
1:1
100%

Артикул

Название

Примечание

Количество

1

01011-62410

BOLT

SN: 20180-UP

4шт.

2

17M-54-25570

SPACER

SN: 20180-UP

4шт.

3

01010-62460

BOLT

SN: 20180-UP

2шт.

4

20Y-09-11150

SPACER

SN: 20180-UP

2шт.

5

01010-62490

BOLT

SN: 20180-UP

3шт.

6

01643-32460

WASHER

SN: 20180-UP

3шт.

7

01010-62490

BOLT

SN: 20180-UP

3шт.

8

01643-32460

WASHER

SN: 20180-UP

3шт.

9

01011-62410

BOLT

SN: 20180-UP

4шт.

10

17M-54-25570

SPACER

SN: 20180-UP

4шт.

11

01010-62460

BOLT

SN: 20180-UP

2шт.

12

20Y-09-11150

SPACER

SN: 20180-UP

2шт.

13

17M-54-45311

COVER,L.H.

SN: 20180-UP

1шт.

14

01010-81245

BOLT

SN: 20180-UP

2шт.

15

01643-31232

WASHER

SN: 20180-UP

2шт.

16

01010-81295

BOLT

SN: 20180-UP

2шт.

17

01643-31232

WASHER

SN: 20180-UP

2шт.

18

17M-54-45321

COVER,R.H.

SN: 20180-UP

1шт.

19

01010-81245

BOLT

SN: 20180-UP

2шт.

20

01643-31232

WASHER

SN: 20180-UP

2шт.

21

01010-81295

BOLT

SN: 20180-UP

2шт.

22

01643-31232

WASHER

SN: 20180-UP

2шт.

23

17M-54-45930

COVER,L.H.

SN: 20180-UP

1шт.

24

17M-54-47290

SEAL

SN: 20180-UP

1шт.

25

17M-54-47310

SEAL

SN: 20180-UP

1шт.

26

01010-81225

BOLT

SN: 20180-UP

6шт.

27

01643-31232

WASHER

SN: 20180-UP

6шт.

28

17M-54-45940

COVER,R.H.

SN: 20180-UP

1шт.

29

17M-54-47320

SEAL

SN: 20180-UP

1шт.

30

01010-81230

BOLT

SN: 20180-UP

5шт.

31

01643-31232

WASHER

SN: 20180-UP

5шт.

32

20Y-973-2430

COLLAR

SN: 20180-UP

1шт.

33

195-54-75990

SPACER

SN: 20180-UP

1шт.

34

01010-81240

BOLT

SN: 20180-UP

1шт.

35

01643-31232

WASHER

SN: 20180-UP

1шт.

36

17M-54-45641

COVER,R.H.

SN: 20180-UP

1шт.

37

01010-81225

BOLT

SN: 20180-UP

6шт.

38

01643-31232

WASHER

SN: 20180-UP

6шт.

39

17M-54-45331

BRACKET

SN: 20180-UP

1шт.

40

01010-81225

BOLT

SN: 20180-UP

2шт.

41

01643-31232

WASHER

SN: 20180-UP

2шт.

42

17M-54-45341

BRACKET,R.H.

SN: 20180-UP

1шт.

43

01010-81225

BOLT

SN: 20180-UP

2шт.

44

01643-31232

WASHER

SN: 20180-UP

2шт.

45

17M-54-42521

COVER

SN: 20180-UP

1шт.

46

01010-81220

BOLT

SN: 20180-UP

3шт.

47

01643-31232

WASHER

SN: 20180-UP

3шт.

Выбрано товаров: 47