Запчасти Komatsu D275AX-5 KOMTRAX (ДЛЯ ЧИЛИ)(№7-) ЭЛЕКТРИКА

Схема запчастей Komatsu D275AX-5 - KOMTRAX (ДЛЯ ЧИЛИ)(№7-) ЭЛЕКТРИКА
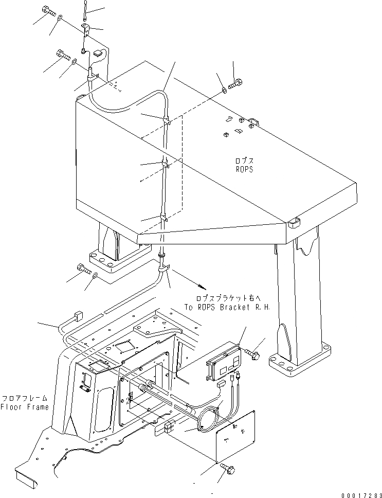
1
2
3
4
4
5
6
7
8
8
8
8
9
9
10
10
11
12
13
14
15
16
17
FIT
1:1
100%

Артикул

Название

Примечание

Количество

1

7826-20-7023

CONTROLLER

SN: 20231-UP

1шт.

1

0

CONTROLLER

SN: 20114-20230

1шт.

1

0

CONTROLLER

SN: 20067-20113

1шт.

2

01435-00825

BOLT

SN: 20067-UP

4шт.

3

17M-54-46520

COVER

SN: 20067-UP

1шт.

4

08034-20414

BAND

SN: 20067-UP

2шт.

5

01435-00825

BOLT

SN: 20067-UP

4шт.

6

17M-06-41640

WIRING HARNESS

SN: 20067-UP

1шт.

7

17M-06-41621

WIRING HARNESS

SN: 20231-UP

1шт.

7

17M-06-41620

WIRING HARNESS

SN: 20067-20230

1шт.

8

04434-51408

CLIP

SN: 20067-UP

4шт.

9

01010-80816

BOLT

SN: 20067-UP

4шт.

10

01643-30823

WASHER

SN: 20067-UP

4шт.

11

17M-54-46470

BRACKET

SN: 20067-UP

1шт.

12

01010-81016

BOLT

SN: 20067-UP

2шт.

13

01643-31032

WASHER

SN: 20067-UP

2шт.

14

8A13-10-2100

ANTENNA

SN: 20067-UP

1шт.

15

04434-51408

CLIP

SN: 20067-UP

1шт.

16

01010-80816

BOLT

SN: 20067-UP

1шт.

17

01643-30823

WASHER

SN: 20067-UP

1шт.

Выбрано товаров: 20