Запчасти Komatsu D275AX-5 СИЛОВАЯ ПЕРЕДАЧА (/)¤ СИЛОВАЯ ГИДРОЛИНИЯ СИЛОВАЯ ПЕРЕДАЧА И КОНЕЧНАЯ ПЕРЕДАЧА

Схема запчастей Komatsu D275AX-5 - СИЛОВАЯ ПЕРЕДАЧА (/)¤ СИЛОВАЯ ГИДРОЛИНИЯ СИЛОВАЯ ПЕРЕДАЧА И КОНЕЧНАЯ ПЕРЕДАЧА
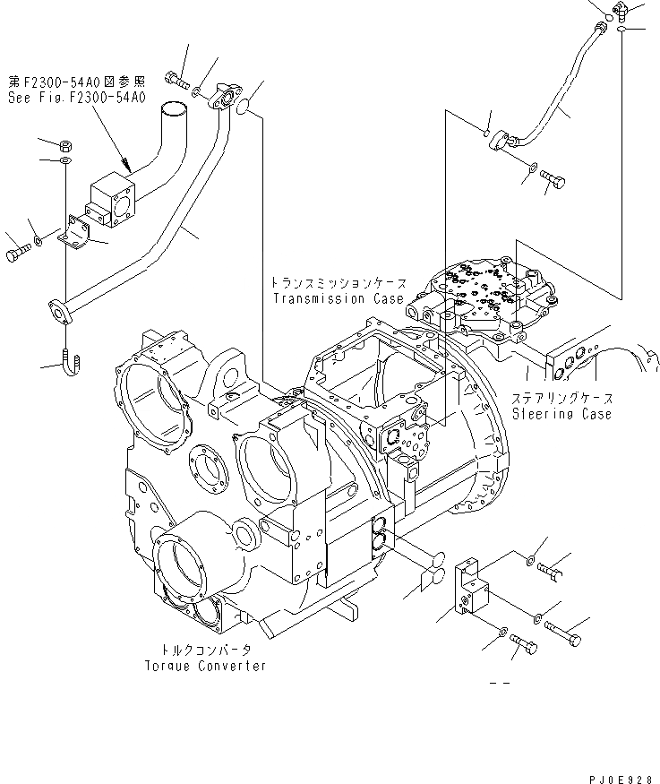
1
2
3
4
5
6
7
8
9
10
11
12
13
14
15
16
17
18
19
20
21
22
23
24
25
FIT
1:1
100%

Артикул

Название

Примечание

Количество

|$4

17M-22-40001

POWER TRAIN ASS'Y

SN: 20160-UP

1шт.

|$5

17M-22-40000

POWER TRAIN ASS'Y

SN: 20001-20159

1шт.

|$$3

THIS ASSEMBLY CONSISTS OF ALL PARTS SHOWN IN FIGS.F2300-51A0 TO F2300-62A0.

-1шт.

|$7

17M-22-40021

POWER LINE ASS'Y,(WITH HEATER)

SN: 20160-UP

1шт.

|$8

17M-22-40020

POWER LINE ASS'Y,(WITH HEATER)

SN: 20001-20159

1шт.

|$$6

THIS ASSEMBLY CONSISTS OF ALL PARTS SHOWN IN FIGS.F2300-51A1 TO F2300-63A1.

-1шт.

1

17M-49-42221

HOSE

SN: 20001-UP

1шт.

2

07000-72018

O-RING

SN: 20001-UP

1шт.

3

01010-81040

BOLT

SN: 20001-UP

2шт.

4

01643-31032

WASHER

SN: 20001-UP

2шт.

5

02782-10422

ELBOW

SN: 20001-UP

1шт.

6

02896-11012

O-RING

SN: 20001-UP

1шт.

7

07002-12034

O-RING

SN: 20001-UP

1шт.

8

17M-49-41141

TUBE

SN: 20001-UP

1шт.

9

07000-73045

O-RING

SN: 20001-UP

1шт.

10

01010-81245

BOLT

SN: 20001-UP

2шт.

11

01643-31232

WASHER

SN: 20001-UP

2шт.

12

209-62-55180

BRACKET

SN: 20001-UP

1шт.

13

01010-81230

BOLT

SN: 20001-UP

2шт.

14

01643-31232

WASHER

SN: 20001-UP

2шт.

15

07283-23442

CLIP

SN: 20001-UP

1шт.

16

01599-01011

NUT

SN: 20001-UP

2шт.

17

01643-31032

WASHER

SN: 20001-UP

2шт.

18

17M-49-41421

BLOCK

SN: 20001-UP

1шт.

19

07000-73050

O-RING

SN: 20001-UP

2шт.

20

01010-81045

BOLT

SN: 20001-UP

1шт.

21

01643-31032

WASHER

SN: 20001-UP

1шт.

22

01010-81050

BOLT

SN: 20001-UP

1шт.

23

01643-31032

WASHER

SN: 20001-UP

1шт.

24

01010-81095

BOLT

SN: 20001-UP

1шт.

25

01643-31032

WASHER

SN: 20001-UP

1шт.

Выбрано товаров: 31