Запчасти Komatsu D275AX-5 СИЛОВАЯ ПЕРЕДАЧА (/)¤ ЭЛЕКТР. СИЛОВАЯ ПЕРЕДАЧА И КОНЕЧНАЯ ПЕРЕДАЧА

Схема запчастей Komatsu D275AX-5 - СИЛОВАЯ ПЕРЕДАЧА (/)¤ ЭЛЕКТР. СИЛОВАЯ ПЕРЕДАЧА И КОНЕЧНАЯ ПЕРЕДАЧА
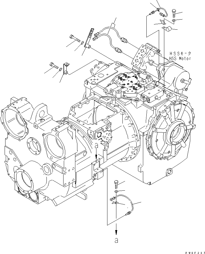
1
2
3
4
5
6
7
8
9
10
11
12
13
14
15
16
17
FIT
1:1
100%

Артикул

Название

Примечание

Количество

|$4

17M-22-40001

POWER TRAIN ASS'Y

SN: 20160-UP

1шт.

|$5

17M-22-40000

POWER TRAIN ASS'Y

SN: 20001-20159

1шт.

|$$3

THIS ASSEMBLY CONSISTS OF ALL PARTS SHOWN IN FIGS.F2300-51A0 TO F2300-62A0.

-1шт.

|$7

17M-22-40021

POWER LINE ASS'Y,(WITH HEATER)

SN: 20160-UP

1шт.

|$8

17M-22-40020

POWER LINE ASS'Y,(WITH HEATER)

SN: 20001-20159

1шт.

|$$6

THIS ASSEMBLY CONSISTS OF ALL PARTS SHOWN IN FIGS.F2300-51A1 TO F2300-63A1.

-1шт.

1

7861-93-3320

SENSOR,HYDRAULIC OIL TEMPERATURE

SN: 20001-UP

1шт.

2

08034-00310

BAND

SN: 20001-UP

1шт.

3

08193-20012

CLIP

SN: 20001-UP

1шт.

4

04434-51212

CLIP

SN: 20001-UP

1шт.

5

01010-81225

BOLT

SN: 20001-UP

1шт.

6

01643-31232

WASHER

SN: 20001-UP

1шт.

7

7861-93-3320

SENSOR,T/C OUTLET OIL TEMPERATURE

SN: 20001-UP

1шт.

8

08193-20010

CLIP

SN: 20001-UP

1шт.

9

01010-81016

BOLT

SN: 20001-UP

1шт.

10

01643-31032

WASHER

SN: 20001-UP

1шт.

11

7861-93-1610

SENSOR,HSS OIL PRESSURE

SN: 20001-UP

2шт.

12

17A-49-28840

PLATE

SN: 20001-UP

1шт.

13

01011-81200

BOLT

SN: 20001-UP

1шт.

14

01643-31232

WASHER

SN: 20001-UP

1шт.

15

17M-06-41410

BRACKET

SN: 20001-UP

1шт.

16

01010-81285

BOLT

SN: 20001-UP

1шт.

17

01643-31232

WASHER

SN: 20001-UP

1шт.

Выбрано товаров: 23