Запчасти Komatsu D275AX-5 РУЛЕВ. УПРАВЛЕНИЕ (/9)¤ ГТР КОРПУС (/) (С ОБОГРЕВ-ЛЕМ) (МОРОЗОУСТОЙЧИВ. СПЕЦ-Я (A) СПЕЦ-Я.) СИЛОВАЯ ПЕРЕДАЧА И КОНЕЧНАЯ ПЕРЕДАЧА

Схема запчастей Komatsu D275AX-5 - РУЛЕВ. УПРАВЛЕНИЕ (/9)¤ ГТР КОРПУС (/) (С ОБОГРЕВ-ЛЕМ) (МОРОЗОУСТОЙЧИВ. СПЕЦ-Я (A) СПЕЦ-Я.) СИЛОВАЯ ПЕРЕДАЧА И КОНЕЧНАЯ ПЕРЕДАЧА
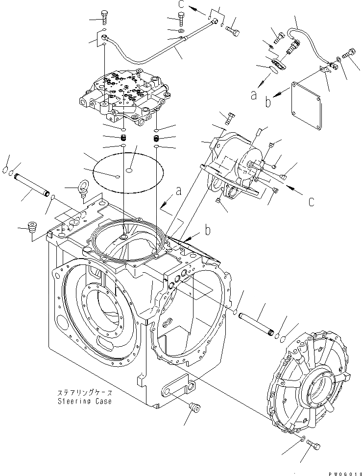
1
1
2
2
3
3
4
4
5
5
6
6
6
6
7
8
9
10
11
12
13
14
15
16
17
18
19
20
20
20
20
21
22
23
24
25
25
26
26
27
28
29
30
31
32
33
34
FIT
1:1
100%

Артикул

Название

Примечание

Количество

|$1

17M-22-41020

STEERING ASS'Y

SN: 20001-UP

1шт.

|$$2

THIS ASSEMBLY CONSISTS OF ALL PARTS SHOWN IN FIGS.F2370-51A1 TO F2370-54A1.

-1шт.

1

17M-22-47290

TUBE

SN: 20001-UP

6шт.

2

07000-73022

O-RING

SN: 20001-UP

6шт.

3

07000-72022

O-RING

SN: 20001-UP

6шт.

4

07000-73038

O-RING

SN: 20001-UP

6шт.

5

14X-22-16170

SLEEVE

SN: 20001-UP

2шт.

6

07000-72018

O-RING

SN: 20001-UP

4шт.

7

01010-81260

BOLT

SN: 20001-UP

24шт.

8

01643-31232

WASHER

SN: 20001-UP

24шт.

9

04530-13045

BOLT

SN: 20001-UP

2шт.

10

17M-22-47460

FLANGE

SN: 20001-UP

1шт.

11

7861-93-2330

SENSOR

SN: 20001-UP

1шт.

12

07000-73050

O-RING

SN: 20001-UP

1шт.

13

01010-80825

BOLT

SN: 20001-UP

2шт.

14

01643-30823

WASHER

SN: 20001-UP

2шт.

15

01010-81230

BOLT

SN: 20001-UP

1шт.

16

01643-31232

WASHER

SN: 20001-UP

1шт.

17

08193-20012

CLIP

SN: 20001-UP

1шт.

18

17M-22-47380

HOUSING

SN: 20001-UP

1шт.

19

711-21-13850

NOZZLE

SN: 20001-UP

1шт.

20

07043-70211

PLUG

SN: 20001-UP

6шт.

21

04020-01228

PIN,DOWEL

SN: 20001-UP

2шт.

22

01010-81235

BOLT

SN: 20001-UP

7шт.

23

01643-31232

WASHER

SN: 20001-UP

7шт.

24

17M-22-47160

TUBE

SN: 20001-UP

1шт.

25

07005-01612

GASKET

SN: 20001-UP

4шт.

26

07206-31216

BOLT

SN: 20001-UP

2шт.

27

04434-51212

CLIP

SN: 20001-UP

1шт.

28

01010-81220

BOLT

SN: 20001-UP

1шт.

29

01643-31232

WASHER

SN: 20001-UP

1шт.

30

07043-71019

PLUG

SN: 20001-UP

2шт.

31

07000-75355

O-RING

SN: 20001-UP

1шт.

32

07000-73032

O-RING

SN: 20001-UP

1шт.

33

07000-72021

O-RING

SN: 20001-UP

1шт.

34

02720-11616

PLUG

SN: 20001-UP

2шт.

Выбрано товаров: 36