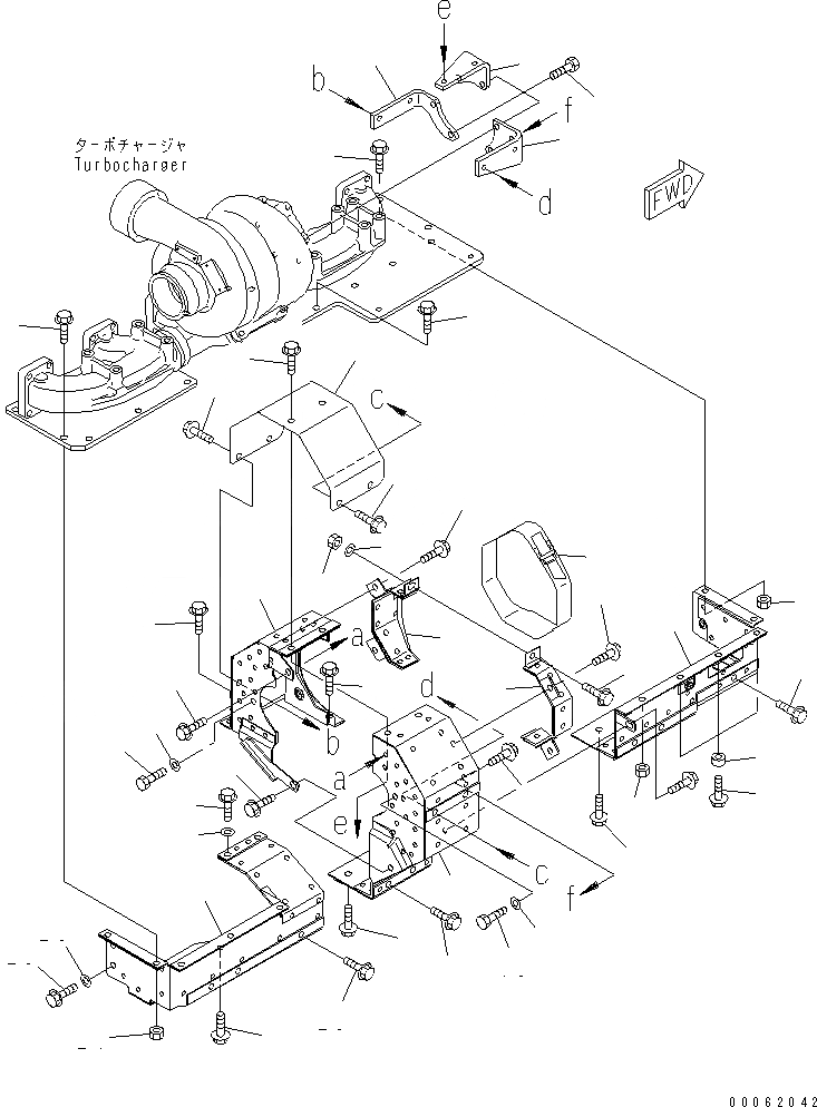
Запчасти Komatsu SDA6D140E-3H-9 ТЕРМОЗАЩИТА (LAND FILL СПЕЦ-Я.)(№-) ДВИГАТЕЛЬ

Схема запчастей Komatsu SDA6D140E-3H-9 - ТЕРМОЗАЩИТА (LAND FILL СПЕЦ-Я.)(№-) ДВИГАТЕЛЬ
1
2
3
4
5
6
6
6
7
8
8
9
10
10
11
11
12
13
14
14
15
16
16
16
17
18
19
20
21
22
23
24
25
26
26
27
28
28
29
30
30
31
31
32
33
33
34
1
2
3
4
5
6
6
6
7
8
8
9
10
10
11
11
12
13
14
14
15
16
16
16
17
18
19
20
21
22
23
24
25
26
26
27
28
28
29
30
30
31
31
32
33
33
34
FIT
1:1
100%

Артикул

Название

Примечание

Количество

1

6218-11-6340

COVER

SN: 112663-UP

1шт.

2

6218-11-9910

BRACKET

SN: 112663-UP

1шт.

3

6218-11-9920

BRACKET

SN: 112663-UP

1шт.

4

6218-11-9930

BRACKET

SN: 112663-UP

1шт.

5

01020-11025

BOLT

SN: 112663-UP

6шт.

6

01435-01025

BOLT

SN: 112663-UP

6шт.

7

6218-11-6230

COVER

SN: 112663-UP

1шт.

8

01435-01016

BOLT

SN: 112663-UP

3шт.

9

01435-01025

BOLT

SN: 112663-UP

2шт.

10

01020-01035

BOLT

SN: 112663-UP

2шт.

11

01643-31032

WASHER

SN: 112663-UP

3шт.

12

6218-11-6240

COVER

SN: 112663-UP

1шт.

13

01435-01016

BOLT

SN: 112663-UP

2шт.

14

01435-01020

BOLT

SN: 112663-UP

4шт.

15

6218-11-6260

COVER

SN: 112663-UP

1шт.

16

01435-01020

BOLT

SN: 112663-UP

3шт.

17

01643-31032

WASHER

SN: 112663-UP

2шт.

18

01580-01008

NUT

SN: 112663-UP

1шт.

19

6218-11-6330

COVER

SN: 112663-UP

1шт.

20

01435-01020

BOLT

SN: 112663-UP

2шт.

21

6218-11-6360

COVER

SN: 112663-UP

1шт.

22

6218-11-6220

COVER

SN: 112663-UP

1шт.

23

01435-01025

BOLT

SN: 112663-UP

5шт.

24

01580-01008

NUT

SN: 112663-UP

5шт.

25

01435-01016

BOLT

SN: 112663-UP

3шт.

26

01435-01020

BOLT

SN: 112663-UP

4шт.

27

01435-01025

BOLT

SN: 112663-UP

3шт.

28

01643-31032

WASHER

SN: 112663-UP

4шт.

29

6218-11-6251

COVER

SN: 112663-UP

1шт.

30

01435-01025

BOLT

SN: 112663-UP

3шт.

31

01580-01008

NUT

SN: 112663-UP

3шт.

32

419-15-17540

SPACER

SN: 112663-UP

3шт.

33

01435-01025

BOLT

SN: 112663-UP

5шт.

34

01435-01016

BOLT

SN: 112663-UP

3шт.

1

6218-11-6340

COVER

SN: 112663-UP

1шт.

2

6218-11-9910

BRACKET

SN: 112663-UP

1шт.

3

6218-11-9920

BRACKET

SN: 112663-UP

1шт.

4

6218-11-9930

BRACKET

SN: 112663-UP

1шт.

5

01020-11025

BOLT

SN: 112663-UP

6шт.

6

01435-01025

BOLT

SN: 112663-UP

6шт.

7

6218-11-6230

COVER

SN: 112663-UP

1шт.

8

01435-01016

BOLT

SN: 112663-UP

3шт.

9

01435-01025

BOLT

SN: 112663-UP

2шт.

10

01020-01035

BOLT

SN: 112663-UP

2шт.

11

01643-31032

WASHER

SN: 112663-UP

3шт.

12

6218-11-6240

COVER

SN: 112663-UP

1шт.

13

01435-01016

BOLT

SN: 112663-UP

2шт.

14

01435-01020

BOLT

SN: 112663-UP

4шт.

15

6218-11-6260

COVER

SN: 112663-UP

1шт.

16

01435-01020

BOLT

SN: 112663-UP

3шт.

17

01643-31032

WASHER

SN: 112663-UP

2шт.

18

01580-01008

NUT

SN: 112663-UP

1шт.

19

6218-11-6330

COVER

SN: 112663-UP

1шт.

20

01435-01020

BOLT

SN: 112663-UP

2шт.

21

6218-11-6360

COVER

SN: 112663-UP

1шт.

22

6218-11-6220

COVER

SN: 112663-UP

1шт.

23

01435-01025

BOLT

SN: 112663-UP

5шт.

24

01580-01008

NUT

SN: 112663-UP

5шт.

25

01435-01016

BOLT

SN: 112663-UP

3шт.

26

01435-01020

BOLT

SN: 112663-UP

4шт.

27

01435-01025

BOLT

SN: 112663-UP

3шт.

28

01643-31032

WASHER

SN: 112663-UP

4шт.

29

6218-11-6251

COVER

SN: 112663-UP

1шт.

30

01435-01025

BOLT

SN: 112663-UP

3шт.

31

01580-01008

NUT

SN: 112663-UP

3шт.

32

419-15-17540

SPACER

SN: 112663-UP

3шт.

33

01435-01025

BOLT

SN: 112663-UP

5шт.

34

01435-01016

BOLT

SN: 112663-UP

3шт.

Выбрано товаров: 68