Запчасти Komatsu SDA6D140E-3H-9 ТОПЛИВН. ФИЛЬТР. (СПЕЦ-Я ДЛЯ ОЧ. ПЛОХ. ТОПЛИВА) (РЕЗЬБА -/8)(№-) ДВИГАТЕЛЬ

Схема запчастей Komatsu SDA6D140E-3H-9 - ТОПЛИВН. ФИЛЬТР. (СПЕЦ-Я ДЛЯ ОЧ. ПЛОХ. ТОПЛИВА) (РЕЗЬБА -/8)(№-) ДВИГАТЕЛЬ
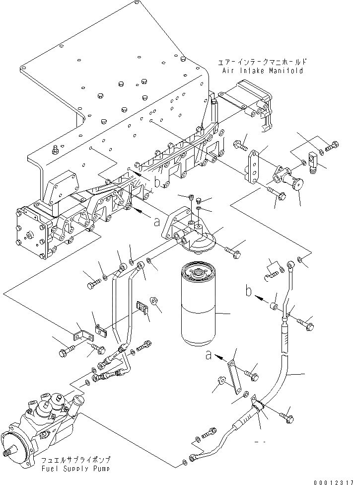
1
2
3
4
5
6
7
8
9
10
10
10
11
11
12
13
14
15
16
16
16
16
17
18
19
20
21
22
23
24
25
26
27
27
28
29
30
1
2
3
4
5
6
7
8
9
10
10
10
11
11
12
13
14
15
16
16
16
16
17
18
19
20
21
22
23
24
25
26
27
27
28
29
30
FIT
1:1
100%

Артикул

Название

Примечание

Количество

|$1

6217-71-7300

HEAD ASS'Y (1-5/8)

SN: 114124-UP

1шт.

1

6217-71-7310

HEAD (1-5/8),FUEL FILTER

SN: 114124-UP

1шт.

2

6110-73-6231

PLUG

SN: 114124-UP

1шт.

3

07005-00812

SEAL, WASHER

SN: 114124-UP

1шт.

4

07043-70108

PLUG

SN: 114124-UP

1шт.

5

0

CARTRIDGE (1-5/8)

SN: 117731-UP

1шт.

5

0

CARTRIDGE (1-5/8),(SEE FIG. A4119-A4A1)

SN: 117001-117730

1шт.

5

0

CARTRIDGE (1-5/8),(SEE FIG. A4119-A4A1)

SN: 114124-117000

1шт.

6

01435-01035

BOLT

SN: 114124-UP

4шт.

7

6218-71-5710

TUBE,INLET

SN: 114124-UP

1шт.

8

6218-71-5730

TUBE,OUTLET

SN: 114124-UP

1шт.

9

07206-31014

BOLT,JOINT

SN: 114124-UP

2шт.

10

07005-01412

SEAL, WASHER (K2)

SN: 114124-UP

4шт.

11

6166-75-6821

CLAMP

SN: 119333-UP

2шт.

11

6166-75-6820

CLAMP

SN: 114124-119332

2шт.

12

01435-00835

BOLT

SN: 114124-UP

1шт.

13

01584-00806

NUT

SN: 114124-UP

1шт.

14

6221-51-8650

BRACKET

SN: 114124-UP

1шт.

15

01435-01020

BOLT

SN: 114124-UP

1шт.

16

6933-71-8110

PUMP ASS'Y,PRIMING

SN: 114124-UP

1шт.

17

6218-71-8580

BRACKET

SN: 114124-UP

1шт.

18

01435-00820

BOLT

SN: 114124-UP

2шт.

19

01435-01050

BOLT

SN: 114124-UP

2шт.

20

6218-71-5860

TUBE

SN: 114124-UP

1шт.

21

6213-11-4770

BRACKET

SN: 114124-UP

1шт.

22

01435-01020

BOLT

SN: 114124-UP

1шт.

23

01435-01025

BOLT

SN: 114124-UP

1шт.

24

01584-01008

NUT

SN: 114124-UP

1шт.

25

04434-52511

CLIP

SN: 114124-UP

1шт.

26

07095-30318

CUSHION

SN: 114124-UP

1шт.

27

6136-11-2980

SPACER

SN: 114124-UP

1шт.

28

04434-51010

CLIP

SN: 114124-UP

1шт.

29

6206-11-4590

SPACER

SN: 114124-UP

1шт.

30

01435-01045

BOLT

SN: 114124-UP

1шт.

|$1

6217-71-7300

HEAD ASS'Y (1-5/8)

SN: 114124-UP

1шт.

1

6217-71-7310

HEAD (1-5/8),FUEL FILTER

SN: 114124-UP

1шт.

2

6110-73-6231

PLUG

SN: 114124-UP

1шт.

3

07005-00812

SEAL, WASHER

SN: 114124-UP

1шт.

4

07043-70108

PLUG

SN: 114124-UP

1шт.

5

0

CARTRIDGE (1-5/8)

SN: 117731-UP

1шт.

5

0

CARTRIDGE (1-5/8),(SEE FIG. A4119-A4A1)

SN: 117001-117730

1шт.

5

0

CARTRIDGE (1-5/8),(SEE FIG. A4119-A4A1)

SN: 114124-117000

1шт.

6

01435-01035

BOLT

SN: 114124-UP

4шт.

7

6218-71-5710

TUBE,INLET

SN: 114124-UP

1шт.

8

6218-71-5730

TUBE,OUTLET

SN: 114124-UP

1шт.

9

07206-31014

BOLT,JOINT

SN: 114124-UP

2шт.

10

07005-01412

SEAL, WASHER (K2)

SN: 114124-UP

4шт.

11

6166-75-6821

CLAMP

SN: 119333-UP

2шт.

11

6166-75-6820

CLAMP

SN: 114124-119332

2шт.

12

01435-00835

BOLT

SN: 114124-UP

1шт.

13

01584-00806

NUT

SN: 114124-UP

1шт.

14

6221-51-8650

BRACKET

SN: 114124-UP

1шт.

15

01435-01020

BOLT

SN: 114124-UP

1шт.

16

6933-71-8110

PUMP ASS'Y,PRIMING

SN: 114124-UP

1шт.

17

6218-71-8580

BRACKET

SN: 114124-UP

1шт.

18

01435-00820

BOLT

SN: 114124-UP

2шт.

19

01435-01050

BOLT

SN: 114124-UP

2шт.

20

6218-71-5860

TUBE

SN: 114124-UP

1шт.

21

6213-11-4770

BRACKET

SN: 114124-UP

1шт.

22

01435-01020

BOLT

SN: 114124-UP

1шт.

23

01435-01025

BOLT

SN: 114124-UP

1шт.

24

01584-01008

NUT

SN: 114124-UP

1шт.

25

04434-52511

CLIP

SN: 114124-UP

1шт.

26

07095-30318

CUSHION

SN: 114124-UP

1шт.

27

6136-11-2980

SPACER

SN: 114124-UP

1шт.

28

04434-51010

CLIP

SN: 114124-UP

1шт.

29

6206-11-4590

SPACER

SN: 114124-UP

1шт.

30

01435-01045

BOLT

SN: 114124-UP

1шт.

Выбрано товаров: 68