Запчасти Komatsu SDA6D140E-3H-9 ВОЗДУХООЧИСТИТЕЛЬ (LANDFILL СПЕЦ-Я.)(№-) ДВИГАТЕЛЬ

Схема запчастей Komatsu SDA6D140E-3H-9 - ВОЗДУХООЧИСТИТЕЛЬ (LANDFILL СПЕЦ-Я.)(№-) ДВИГАТЕЛЬ
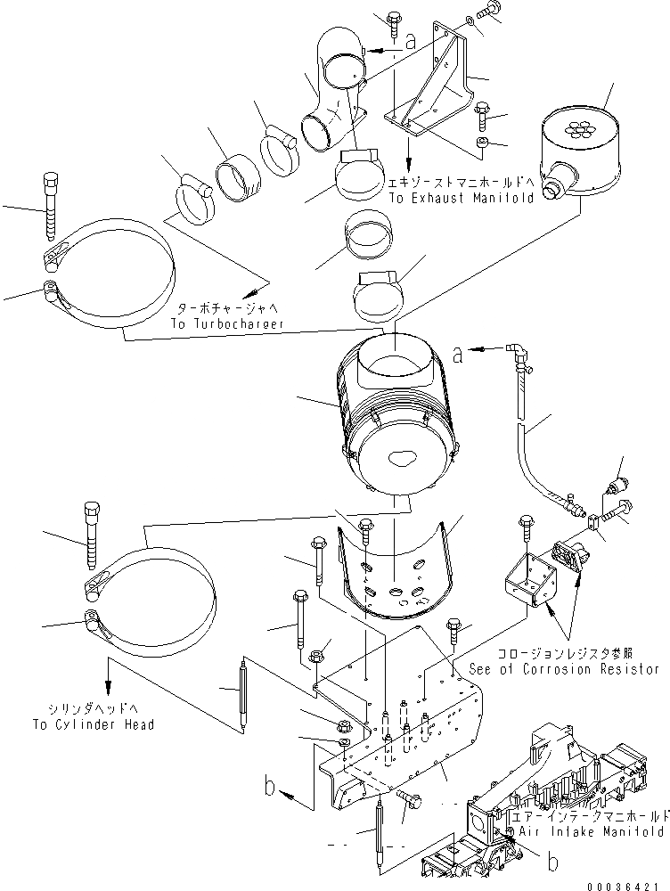
1
2
3
3
4
4
5
6
7
8
8
9
9
10
11
12
13
14
15
16
17
18
19
20
20
21
22
22
23
24
25
26
27
28
29
1
2
3
3
4
4
5
6
7
8
8
9
9
10
11
12
13
14
15
16
17
18
19
20
20
21
22
22
23
24
25
26
27
28
29
FIT
1:1
100%

Артикул

Название

Примечание

Количество

1

6240-81-7402

AIR CLEANER ASS'Y,(SEE FIG.A1410-B4K8)

SN: 116017-UP

1шт.

1

0

AIR CLEANER ASS'Y,(SEE FIG.A1410-B4K8)

SN: 114546-116016

1шт.

2

600-183-7521

CLEANER

SN: 114778-UP

1шт.

2

0

PRE CLEANER

SN: 114546-114777

1шт.

3

6240-11-9910

BAND

SN: 114546-UP

2шт.

4

6643-11-4641

BOLT

SN: 114546-UP

2шт.

5

6218-11-4450

CONNECTOR,AIR

SN: 114546-UP

1шт.

6

6217-11-4460

HOSE

SN: 114546-UP

1шт.

7

6218-11-4320

HOSE

SN: 114546-UP

1шт.

8

07289-00160

CLAMP

SN: 114546-UP

2шт.

9

07289-00170

CLAMP

SN: 114546-UP

2шт.

10

6218-11-4920

BRACKET

SN: 114546-UP

1шт.

11

01010-81035

BOLT

SN: 114546-UP

4шт.

12

01643-31032

WASHER

SN: 114546-UP

4шт.

13

01435-01045

BOLT

SN: 114546-UP

3шт.

14

6162-73-5940

SPACER

SN: 114546-UP

3шт.

15

01435-01035

BOLT

SN: 114546-UP

1шт.

16

6218-11-4670

BRACKET

SN: 114546-UP

1шт.

17

01435-01025

BOLT

SN: 114546-UP

1шт.

18

01436-01030

BOLT

SN: 114546-UP

4шт.

19

01436-01045

BOLT

SN: 114546-UP

2шт.

20

6218-11-4861

BOLT

SN: 114546-UP

4шт.

21

6110-23-6490

SPACER

SN: 114546-UP

4шт.

22

01584-01008

NUT

SN: 114546-UP

4шт.

23

6218-11-4550

BRACKET

SN: 114546-UP

1шт.

24

01435-01025

BOLT

SN: 114546-UP

4шт.

25

08672-01000

INDICATOR

SN: 114546-UP

1шт.

26

08671-50040

HOSE

SN: 114546-UP

1шт.

27

6218-11-4590

BLOCK

SN: 114546-UP

1шт.

28

01435-01060

BOLT

SN: 114546-UP

1шт.

29

01435-01025

BOLT

SN: 114546-UP

6шт.

1

6240-81-7402

AIR CLEANER ASS'Y,(SEE FIG.A1410-B4K8)

SN: 116017-UP

1шт.

1

0

AIR CLEANER ASS'Y,(SEE FIG.A1410-B4K8)

SN: 114546-116016

1шт.

2

600-183-7521

CLEANER

SN: 114778-UP

1шт.

2

0

PRE CLEANER

SN: 114546-114777

1шт.

3

6240-11-9910

BAND

SN: 114546-UP

2шт.

4

6643-11-4641

BOLT

SN: 114546-UP

2шт.

5

6218-11-4450

CONNECTOR,AIR

SN: 114546-UP

1шт.

6

6217-11-4460

HOSE

SN: 114546-UP

1шт.

7

6218-11-4320

HOSE

SN: 114546-UP

1шт.

8

07289-00160

CLAMP

SN: 114546-UP

2шт.

9

07289-00170

CLAMP

SN: 114546-UP

2шт.

10

6218-11-4920

BRACKET

SN: 114546-UP

1шт.

11

01010-81035

BOLT

SN: 114546-UP

4шт.

12

01643-31032

WASHER

SN: 114546-UP

4шт.

13

01435-01045

BOLT

SN: 114546-UP

3шт.

14

6162-73-5940

SPACER

SN: 114546-UP

3шт.

15

01435-01035

BOLT

SN: 114546-UP

1шт.

16

6218-11-4670

BRACKET

SN: 114546-UP

1шт.

17

01435-01025

BOLT

SN: 114546-UP

1шт.

18

01436-01030

BOLT

SN: 114546-UP

4шт.

19

01436-01045

BOLT

SN: 114546-UP

2шт.

20

6218-11-4861

BOLT

SN: 114546-UP

4шт.

21

6110-23-6490

SPACER

SN: 114546-UP

4шт.

22

01584-01008

NUT

SN: 114546-UP

4шт.

23

6218-11-4550

BRACKET

SN: 114546-UP

1шт.

24

01435-01025

BOLT

SN: 114546-UP

4шт.

25

08672-01000

INDICATOR

SN: 114546-UP

1шт.

26

08671-50040

HOSE

SN: 114546-UP

1шт.

27

6218-11-4590

BLOCK

SN: 114546-UP

1шт.

28

01435-01060

BOLT

SN: 114546-UP

1шт.

29

01435-01025

BOLT

SN: 114546-UP

6шт.

Выбрано товаров: 62