Запчасти Komatsu D275AX-5E0 РУЛЕВ. УПРАВЛЕНИЕ (КЛАПАН РУЛЕВОГО УПРАВЛЕНИЯ) (ТОРМОЗН. КЛАПАН)(№-) СИЛОВАЯ ПЕРЕДАЧА И КОНЕЧНАЯ ПЕРЕДАЧА

Схема запчастей Komatsu D275AX-5E0 - РУЛЕВ. УПРАВЛЕНИЕ (КЛАПАН РУЛЕВОГО УПРАВЛЕНИЯ) (ТОРМОЗН. КЛАПАН)(№-) СИЛОВАЯ ПЕРЕДАЧА И КОНЕЧНАЯ ПЕРЕДАЧА
1
1
2
3
4
5
6
7
8
9
10
11
12
13
14
15
16
17
18
19
20
FIT
1:1
100%

Артикул

Название

Примечание

Количество

|$$1

SERIAL NO. IN ( ) INDICATES STEERING SERIAL NO.

-1шт.

|$3

17M-22-41101

STEERING ASS'Y

SN: (103091)-UP

1шт.

|$4

17M-22-41100

STEERING ASS'Y

SN: 30001-(103090)

1шт.

|$$4

THIS ASSEMBLY CONSISTS OF ALL PARTS SHOWN IN FIGS.F2370-51C0 TO F2370-61C0.

-1шт.

|$7

17M-22-42004

STEERING VALVE ASS'Y

SN: 30001-UP

1шт.

|$8

0

STEERING VALVE ASS'Y

SN: (30001-30103)

1шт.

|$$7

THESE ASSEMBLIES CONSIST OF ALL PARTS SHOWN IN FIGS.F2370-58C0 TO F2370-60C0.

-1шт.

|$10

17M-22-42100

VALVE ASS'Y

SN: 30001-UP

1шт.

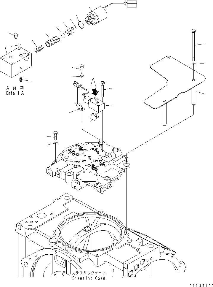
1

0

VALVE BODY

SN: 30001-UP

1шт.

2

0

SPOOL

SN: 30001-UP

1шт.

3

0

SPRING

SN: 30001-UP

1шт.

4

0

VALVE

SN: 30001-UP

1шт.

5

0

PLUG

SN: 30001-UP

1шт.

6

0

SOLENOID

SN: 30001-UP

1шт.

7

0

O-RING

SN: 30001-UP

1шт.

8

0

O-RING

SN: 30001-UP

1шт.

9

0

BALL

SN: 30001-UP

1шт.

10

07042-80108

PLUG

SN: 30001-UP

2шт.

11

01252-70650

BOLT

SN: 30001-UP

4шт.

12

07000-72010

O-RING

SN: 30001-UP

4шт.

13

08193-20010

CLIP

SN: 30001-UP

1шт.

14

01010-81020

BOLT

SN: 30001-UP

1шт.

15

01643-31032

WASHER

SN: 30001-UP

1шт.

16

17M-22-47281

COVER

SN: 30001-UP

1шт.

17

01011-81290

BOLT

SN: 30001-UP

3шт.

18

01010-81235

BOLT

SN: 30001-UP

1шт.

19

01643-31232

WASHER

SN: 30001-UP

1шт.

20

01643-31232

WASHER

SN: 30001-UP

3шт.

Выбрано товаров: 28