Запчасти Komatsu D275AX-5E0 КРЕПЛЕНИЕ ДВИГАТЕЛЯ(№-) КОМПОНЕНТЫ ДВИГАТЕЛЯ

Схема запчастей Komatsu D275AX-5E0 - КРЕПЛЕНИЕ ДВИГАТЕЛЯ(№-) КОМПОНЕНТЫ ДВИГАТЕЛЯ
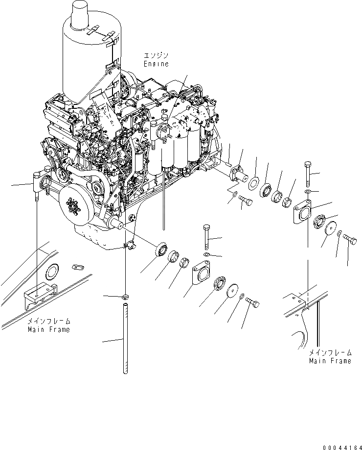
1
1
2
2
3
4
5
6
7
8
9
9
10
10
11
12
13
14
15
16
17
18
19
20
20
21
21
22
23
FIT
1:1
100%

Артикул

Название

Примечание

Количество

1

17A-21-12151

CAP

SN: 30001-UP

2шт.

2

154-01-21310

CUSHION

SN: 30001-UP

4шт.

3

154-01-21320

CUSHION

SN: 30001-UP

2шт.

4

154-01-21330

CUSHION

SN: 30001-UP

2шт.

5

14X-01-11140

SPACER

SN: 30001-UP

2шт.

6

14X-01-11150

PLATE

SN: 30001-UP

2шт.

7

01010-61645

BOLT

SN: 30001-UP

2шт.

8

01643-31645

WASHER

SN: 30001-UP

2шт.

9

17A-21-12151

CAP

SN: 30001-UP

2шт.

10

154-01-21310

CUSHION

SN: 30001-UP

4шт.

11

154-01-21320

CUSHION

SN: 30001-UP

2шт.

12

154-01-21330

CUSHION

SN: 30001-UP

2шт.

13

14X-01-11150

PLATE

SN: 30001-UP

2шт.

14

01010-61645

BOLT

SN: 30001-UP

2шт.

15

01643-31645

WASHER

SN: 30001-UP

2шт.

16

17A-01-11121

PIN

SN: 30001-UP

2шт.

17

01010-61645

BOLT

SN: 30001-UP

8шт.

18

01643-31645

WASHER

SN: 30001-UP

8шт.

19

04020-01434

PIN

SN: 30001-UP

4шт.

20

17M-09-41130

BOLT

SN: 30001-UP

8шт.

21

01643-32460

WASHER

SN: 30001-UP

8шт.

22

07286-02669

HOSE

SN: 30001-UP

1шт.

23

07281-00359

CLAMP

SN: 30001-UP

1шт.

Выбрано товаров: 23