Запчасти Komatsu D275AX-5E0 ОСНОВН. КОНСТРУКЦИЯ (ЭЛЕКТРОПРОВОДКА) (БЛОК РЕЛЕ) (БЕЗ КАБИНЫ)(№-) КАБИНА ОПЕРАТОРА И СИСТЕМА УПРАВЛЕНИЯ

Схема запчастей Komatsu D275AX-5E0 - ОСНОВН. КОНСТРУКЦИЯ (ЭЛЕКТРОПРОВОДКА) (БЛОК РЕЛЕ) (БЕЗ КАБИНЫ)(№-) КАБИНА ОПЕРАТОРА И СИСТЕМА УПРАВЛЕНИЯ
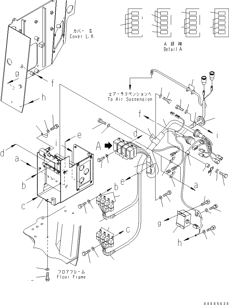
1
2
2
3
4
5
5
6
6
7
7
8
9
10
10
11
12
12
12
12
12
13
14
14
15
16
17
18
19
20
21
22
23
24
25
26
27
28
29
30
31
32
33
34
35
36
37
38
39
40
41
42
43
FIT
1:1
100%

Артикул

Название

Примечание

Количество

1

17M-06-43451

BRACKET

SN: 30001-UP

1шт.

2

08193-20010

CLIP

SN: 30001-UP

2шт.

3

01010-80816

BOLT

SN: 30001-UP

2шт.

4

01643-30823

WASHER

SN: 30001-UP

2шт.

5

569-06-61960

RELAY

SN: 30001-UP

8шт.

6

01010-80612

BOLT

SN: 30001-UP

8шт.

7

01643-30623

WASHER

SN: 30001-UP

8шт.

8

08037-05016

GROMMET

SN: 30001-UP

1шт.

9

17M-06-43550

WIRING HARNESS

SN: 30001-UP

1шт.

10

08041-00500

FUSE, 5A

SN: 30001-UP

4шт.

11

08041-01000

FUSE, 10A

SN: 30001-UP

2шт.

12

08041-02000

FUSE, 20A

SN: 30001-UP

22шт.

13

20T-06-71560

FUSE BOX

SN: 30001-UP

4шт.

14

08210-00601

SPIRAL TUBE

SN: 30001-UP

8шт.

15

01010-80816

BOLT

SN: 30001-UP

8шт.

16

01641-20812

WASHER

SN: 30001-UP

8шт.

17

04434-53411

CLIP

SN: 30001-UP

1шт.

18

01010-80816

BOLT

SN: 30001-UP

1шт.

19

01643-30823

WASHER

SN: 30001-UP

1шт.

20

04434-52310

CLIP

SN: 30001-UP

1шт.

21

01010-80816

BOLT

SN: 30001-UP

1шт.

22

01643-30823

WASHER

SN: 30001-UP

1шт.

23

04434-51708

CLIP

SN: 30001-UP

1шт.

24

01010-80816

BOLT

SN: 30001-UP

1шт.

25

01643-30823

WASHER

SN: 30001-UP

1шт.

26

04434-51708

CLIP

SN: 30001-UP

1шт.

27

01010-80816

BOLT

SN: 30001-UP

1шт.

28

01643-30823

WASHER

SN: 30001-UP

1шт.

29

08034-20414

BAND

SN: 30001-UP

2шт.

30

04434-51010

CLIP

SN: 30001-UP

1шт.

31

175-79-83760

SPACER

SN: 30001-UP

1шт.

32

08193-20010

CLIP

SN: 30001-UP

1шт.

33

01010-81040

BOLT

SN: 30001-UP

1шт.

34

01643-31032

WASHER

SN: 30001-UP

1шт.

35

04434-51010

CLIP

SN: 30001-UP

1шт.

36

01010-81020

BOLT

SN: 30001-UP

1шт.

37

01643-31032

WASHER

SN: 30001-UP

1шт.

38

12Y-06-11650

CONVERTER

SN: 30001-UP

1шт.

39

01252-70512

BOLT

SN: 30001-UP

2шт.

40

01252-70510

BOLT

SN: 30001-UP

1шт.

41

01640-20508

WASHER

SN: 30001-UP

1шт.

42

01010-80825

BOLT

SN: 30001-UP

7шт.

43

01643-30823

WASHER

SN: 30001-UP

7шт.

Выбрано товаров: 43