Запчасти Komatsu D275AX-5E0 КРЫЛО (СИЛОВАЯ ЛИНИЯ ФИЛЬТР. И КРЕПЛЕНИЕ ПОЛА)(№-) ЧАСТИ КОРПУСА

Схема запчастей Komatsu D275AX-5E0 - КРЫЛО (СИЛОВАЯ ЛИНИЯ ФИЛЬТР. И КРЕПЛЕНИЕ ПОЛА)(№-) ЧАСТИ КОРПУСА
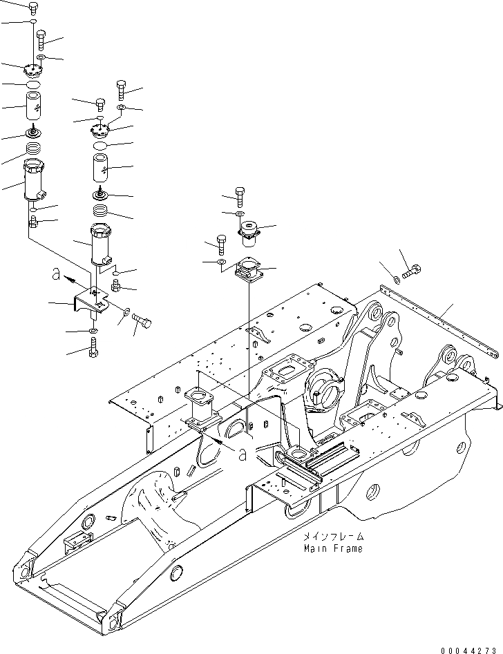
1
1
2
2
3
4
4
5
5
6
6
6
7
7
7
8
8
9
9
10
10
11
11
12
12
13
13
14
15
16
17
18
19
20
21
22
23
24
FIT
1:1
100%

Артикул

Название

Примечание

Количество

1

17A-49-15441

COVER

SN: 30001-UP

2шт.

2

17A-49-41821

CASE

SN: 30001-UP

2шт.

3

17M-49-41211

BRACKET

SN: 30001-UP

1шт.

4

17M-49-42310

VALVE ASS'Y

SN: 30001-UP

2шт.

5

21T-60-13650

SPRING

SN: 30001-UP

2шт.

6

01010-81230

BOLT

SN: 30001-UP

20шт.

7

01643-31232

WASHER

SN: 30001-UP

20шт.

8

07000-12130

O-RING

SN: 30001-UP

2шт.

9

07002-11023

O-RING

SN: 30001-UP

2шт.

10

07002-12434

O-RING

SN: 30002-UP

2шт.

10

07002-02434

O-RING

SN: 30001-30001

2шт.

11

07040-11007

PLUG

SN: 30001-UP

2шт.

12

07040-12412

PLUG

SN: 30001-UP

2шт.

13

07063-51100

ELEMENT

SN: 30001-UP

2шт.

14

01010-81240

BOLT

SN: 30001-UP

4шт.

15

01643-31232

WASHER

SN: 30001-UP

4шт.

16

195-54-78412

CUSHION

SN: 30109-UP

2шт.

16

0

CUSHION

SN: 30074-30108

2шт.

16

0

CUSHION

SN: 30001-30073

2шт.

17

17M-54-44221

BRACKET

SN: 30001-UP

2шт.

18

01010-81645

BOLT

SN: 30001-UP

8шт.

19

01643-31645

WASHER

SN: 30001-UP

8шт.

20

01010-81645

BOLT

SN: 30001-UP

8шт.

21

01643-31645

WASHER

SN: 30001-UP

8шт.

22

17M-54-55141

PLATE

SN: 30001-UP

1шт.

23

01010-82455

BOLT

SN: 30001-UP

4шт.

24

01643-32460

WASHER

SN: 30001-UP

4шт.

Выбрано товаров: 27