Запчасти Komatsu D275AX-5E0 КРЫЛО (КРЕПЛЕНИЕ КАПОТА)(№-) ЧАСТИ КОРПУСА

Схема запчастей Komatsu D275AX-5E0 - КРЫЛО (КРЕПЛЕНИЕ КАПОТА)(№-) ЧАСТИ КОРПУСА
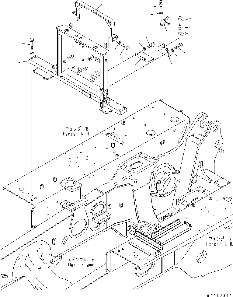
1
2
3
4
5
6
7
8
9
10
11
12
13
14
15
16
17
18
FIT
1:1
100%

Артикул

Название

Примечание

Количество

1

17M-54-52512

BRACKET

SN: 30049-UP

1шт.

2

01010-82490

BOLT

SN: 30001-UP

4шт.

3

01643-32460

WASHER

SN: 30001-UP

4шт.

4

17M-54-52532

BRACKET

SN: 30011-UP

1шт.

5

01010-81230

BOLT

SN: 30001-UP

4шт.

6

01643-31232

WASHER

SN: 30001-UP

4шт.

7

17M-06-43960

PLATE

SN: 30001-UP

1шт.

8

01010-81230

BOLT

SN: 30001-UP

2шт.

9

01643-31232

WASHER

SN: 30001-UP

2шт.

10

17M-06-43340

BRACKET

SN: 30053-UP

1шт.

11

01010-81230

BOLT

SN: 30001-UP

2шт.

12

01643-31232

WASHER

SN: 30001-UP

2шт.

13

7861-93-5390

SENSOR

SN: 30053-UP

1шт.

14

01252-60635

BOLT

SN: 30001-UP

2шт.

15

01643-30623

WASHER

SN: 30001-UP

2шт.

16

600-051-3300

CLIP

SN: 30053-UP

1шт.

17

01010-81225

BOLT

SN: 30053-UP

1шт.

18

01643-31232

WASHER

SN: 30053-UP

1шт.

Выбрано товаров: 18