Запчасти Komatsu D275AX-5E0 РУЛЕВ. УПРАВЛЕНИЕ (КЛАПАН РУЛЕВОГО УПРАВЛЕНИЯ) (ECMV)(№-()) СИЛОВАЯ ПЕРЕДАЧА И КОНЕЧНАЯ ПЕРЕДАЧА

Схема запчастей Komatsu D275AX-5E0 - РУЛЕВ. УПРАВЛЕНИЕ (КЛАПАН РУЛЕВОГО УПРАВЛЕНИЯ) (ECMV)(№-()) СИЛОВАЯ ПЕРЕДАЧА И КОНЕЧНАЯ ПЕРЕДАЧА
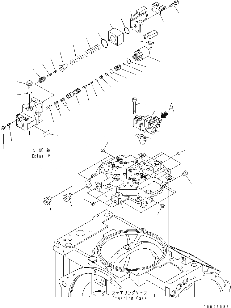
1
2
3
4
4
4
4
5
6
6
7
8
9
10
11
12
13
14
15
16
17
18
19
20
21
22
23
24
25
26
27
28
29
30
31
32
33
34
35
36
37
38
39
40
41
FIT
1:1
100%

Артикул

Название

Примечание

Количество

|$$1

SERIAL NO. IN ( ) INDICATES STEERING SERIAL NO.

-1шт.

|$3

17M-22-41101

STEERING ASS'Y

SN: (103091)-(103162)

1шт.

|$4

17M-22-41100

STEERING ASS'Y

SN: 30001-(103090)

1шт.

|$$4

THIS ASSEMBLY CONSISTS OF ALL PARTS SHOWN IN FIGS.F2370-51C0 TO F2370-61C0.

-1шт.

|$7

17M-22-42004

STEERING VALVE ASS'Y

SN: 30001-(103162)

1шт.

|$8

0

STEERING VALVE ASS'Y

SN: (30001-30103)

1шт.

|$$7

THESE ASSEMBLIES CONSIST OF ALL PARTS SHOWN IN FIGS.F2370-58C0 TO F2370-60C0.

-1шт.

1

17M-22-47260

COVER

SN: 30001-(103162)

1шт.

2

07043-70312

PLUG

SN: 30001-(103162)

2шт.

3

07043-70617

PLUG

SN: 30001-(103162)

1шт.

4

07043-70211

PLUG

SN: 30001-(103162)

20шт.

5

07043-70617

PLUG

SN: 30001-(103162)

1шт.

|$15

17M-22-45103

ECMV ASS'Y

SN: 30001-@

2шт.

|$16

0

ECMV ASS'Y

SN: (30001-30103)

2шт.

6

0

VALVE BODY

SN: 30001-@

2шт.

7

0

SOLENOID

SN: 30104-@

2шт.

7

0

SOLENOID

SN: 30001-30103

2шт.

8

0

VALVE

SN: 30001-@

2шт.

9

0

BALL

SN: 30001-@

2шт.

10

0

O-RING

SN: 30001-@

2шт.

11

0

O-RING

SN: 30001-@

2шт.

12

0

SPOOL

SN: 30001-@

2шт.

13

0

POPPET

SN: 30001-@

2шт.

14

0

SPRING

SN: 30001-@

2шт.

15

0

SLEEVE

SN: 30001-@

2шт.

16

0

O-RING

SN: 30001-@

2шт.

17

0

RING,SNAP

SN: 30001-@

2шт.

18

0

SPRING

SN: 30001-@

2шт.

19

0

SHIM, 0.5MM

SN: 30001-@

6шт.

20

0

SHIM, 0.2MM

SN: 30001-@

6шт.

21

0

PLUG

SN: 30001-@

2шт.

22

0

SWITCH ASS'Y

SN: 30001-@

2шт.

22

0

SWITCH ASS'Y

SN: (30001-30103)

2шт.

23

0

SPRING

SN: 30001-@

2шт.

24

0

SPRING

SN: 30001-@

2шт.

25

0

SPRING SEAT

SN: 30001-@

2шт.

26

0

PIN

SN: 30001-@

2шт.

26

0

PIN

SN: (30001-30103)

2шт.

27

0

SPRING

SN: 30001-@

2шт.

28

0

SLEEVE

SN: 30001-@

2шт.

29

01252-70540

BOLT

SN: 30001-@

8шт.

30

714-23-15690

BRACKET

SN: 30001-@

2шт.

31

0

O-RING

SN: 30001-@

2шт.

32

0

O-RING

SN: 30001-@

2шт.

33

0

COVER

SN: 30001-@

2шт.

34

0

PLUG

SN: 30001-@

2шт.

35

0

PLUG

SN: 30001-@

2шт.

36

0

O-RING

SN: 30001-@

2шт.

37

0

PLATE,(LIMITED SUPPLY)

SN: 30001-@

2шт.

38

08034-00310

BAND

SN: 30001-@

2шт.

39

01252-70650

BOLT

SN: 30001-@

8шт.

40

07000-72015

O-RING

SN: 30001-@

8шт.

41

07000-71007

O-RING

SN: 30001-@

2шт.

Выбрано товаров: 53