Запчасти Komatsu SAA6D140E-5H-01 ВЫПУСКНОЙ КОЛЛЕКТОР(№-) ДВИГАТЕЛЬ

Схема запчастей Komatsu SAA6D140E-5H-01 - ВЫПУСКНОЙ КОЛЛЕКТОР(№-) ДВИГАТЕЛЬ
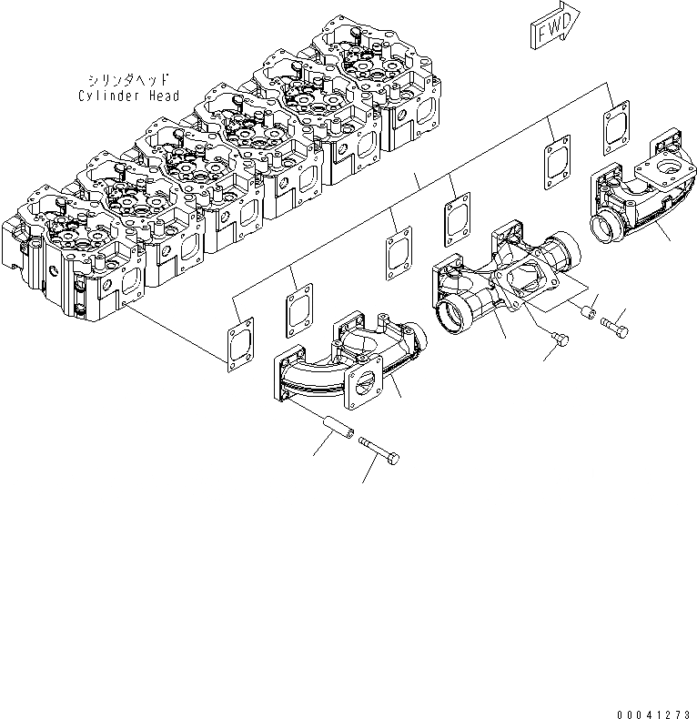
1
2
3
4
5
6
7
8
9
1
2
3
4
5
6
7
8
9
FIT
1:1
100%

Артикул

Название

Примечание

Количество

1

6136-11-5120

SPACER

SN: 530003-UP

22шт.

2

6210-11-5820

SPACER

SN: 530003-UP

2шт.

3

6215-11-5920

PLUG

SN: 530003-UP

2шт.

4

6261-11-5880

GASKET

SN: 530003-UP

6шт.

5

6261-11-5110

MANIFOLD,FRONT

SN: 530003-UP

1шт.

6

6261-11-5120

MANIFOLD,CENTER

SN: 530003-UP

1шт.

7

6261-11-5130

MANIFOLD,REAR

SN: 530003-UP

1шт.

8

01010-E1055

BOLT

SN: 530003-UP

2шт.

9

01011-E1000

BOLT

SN: 530003-UP

22шт.

1

6136-11-5120

SPACER

SN: 530003-UP

22шт.

2

6210-11-5820

SPACER

SN: 530003-UP

2шт.

3

6215-11-5920

PLUG

SN: 530003-UP

2шт.

4

6261-11-5880

GASKET

SN: 530003-UP

6шт.

5

6261-11-5110

MANIFOLD,FRONT

SN: 530003-UP

1шт.

6

6261-11-5120

MANIFOLD,CENTER

SN: 530003-UP

1шт.

7

6261-11-5130

MANIFOLD,REAR

SN: 530003-UP

1шт.

8

01010-E1055

BOLT

SN: 530003-UP

2шт.

9

01011-E1000

BOLT

SN: 530003-UP

22шт.

Выбрано товаров: 18