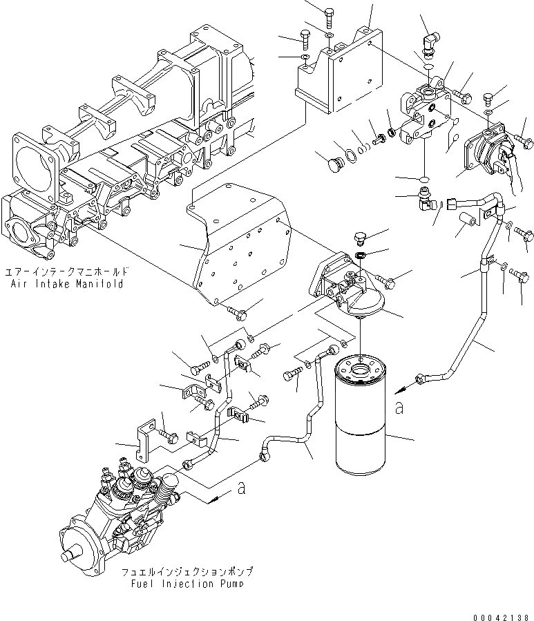
Запчасти Komatsu SAA6D140E-5H-01 ТОПЛИВН. ФИЛЬТР. (РЕЗЬБА -/8)(№87-) ДВИГАТЕЛЬ

Схема запчастей Komatsu SAA6D140E-5H-01 - ТОПЛИВН. ФИЛЬТР. (РЕЗЬБА -/8)(№87-) ДВИГАТЕЛЬ
1
2
3
4
5
6
7
8
9
10
10
11
11
12
12
12
12
13
13
14
15
16
17
18
19
20
21
22
23
24
25
26
27
28
29
30
31
31
32
32
33
34
34
35
36
37
38
38
39
40
41
42
42
1
2
3
4
5
6
7
8
9
10
10
11
11
12
12
12
12
13
13
14
15
16
17
18
19
20
21
22
23
24
25
26
27
28
29
30
31
31
32
32
33
34
34
35
36
37
38
38
39
40
41
42
42
FIT
1:1
100%

Артикул

Название

Примечание

Количество

|$2

6261-71-6400

HEAD ASS'Y (1-5/8)

SN: 530087-UP

1шт.

1

6261-71-6410

HEAD (1-5/8),FUEL FILTER

SN: 530087-UP

1шт.

2

6110-73-6231

PLUG

SN: 530087-UP

2шт.

3

07005-00812

SEAL, WASHER

SN: 530087-UP

2шт.

4

0

CARTRIDGE (1-5/8),(SEE FIG.A4119-A4A1)

SN: 532658-UP

1шт.

4

0

CARTRIDGE (1-5/8),(SEE FIG.A4119-A4A1)

SN: 530087-532657

1шт.

5

01435-01035

BOLT

SN: 530087-UP

4шт.

6

6261-71-5310

BRACKET

SN: 530087-UP

1шт.

7

01435-01025

BOLT

SN: 530087-UP

4шт.

8

6261-71-5360

TUBE,SUPPLY

SN: 530087-UP

1шт.

9

6261-71-5330

TUBE,RETURN

SN: 530087-UP

1шт.

10

07206-31014

BOLT,JOINT

SN: 530087-UP

2шт.

11

07005-01412

SEAL, WASHER

SN: 530087-UP

4шт.

12

6166-75-6820

CLAMP

SN: 530087-UP

4шт.

13

01435-00830

BOLT

SN: 530087-UP

2шт.

14

6218-71-5790

BRACKET

SN: 530087-UP

1шт.

15

01436-01085

BOLT

SN: 530087-UP

1шт.

16

6261-71-5390

STAY

SN: 530087-UP

1шт.

17

01435-01020

BOLT

SN: 530087-UP

1шт.

18

6261-71-8240

PRIMING PUMP ASS'Y

SN: 530087-UP

1шт.

19

07040-11409

PLUG

SN: 530087-UP

2шт.

20

07005-01412

SEAL, WASHER

SN: 530087-UP

2шт.

|$27

6261-71-8100

BLOCK ASS'Y

SN: 530087-UP

1шт.

21

6261-71-8110

BLOCK

SN: 530087-UP

1шт.

22

6217-71-6850

PLUG

SN: 530087-UP

1шт.

23

6217-71-6820

VALVE

SN: 530087-UP

1шт.

24

6217-71-6830

SPRING

SN: 530087-UP

1шт.

25

6217-71-6840

WASHER

SN: 530087-UP

1шт.

26

6217-71-6870

PIN

SN: 530087-UP

1шт.

27

07000-12014

O-RING

SN: 530087-UP

2шт.

28

01435-01025

BOLT

SN: 530087-UP

4шт.

29

01435-01030

BOLT

SN: 530087-UP

3шт.

30

6261-71-5350

TUBE

SN: 530087-UP

1шт.

31

02782-10422

ELBOW

SN: 530087-UP

2шт.

32

07002-22034

O-RING

SN: 530087-UP

2шт.

33

02896-21012

O-RING

SN: 530087-UP

1шт.

34

6162-63-8820

CLIP

SN: 530087-UP

2шт.

35

01435-01075

BOLT

SN: 530087-UP

1шт.

36

01435-01020

BOLT

SN: 530087-UP

1шт.

37

113-03-21170

SPACER

SN: 530087-UP

1шт.

38

01643-31032

WASHER

SN: 530087-UP

2шт.

39

6261-71-5590

BRACKET

SN: 530087-UP

1шт.

40

01011-81005

BOLT

SN: 530087-UP

2шт.

41

01011-81090

BOLT

SN: 530087-UP

2шт.

42

01643-31032

WASHER

SN: 530087-UP

4шт.

|$2

6261-71-6400

HEAD ASS'Y (1-5/8)

SN: 530087-UP

1шт.

1

6261-71-6410

HEAD (1-5/8),FUEL FILTER

SN: 530087-UP

1шт.

2

6110-73-6231

PLUG

SN: 530087-UP

2шт.

3

07005-00812

SEAL, WASHER

SN: 530087-UP

2шт.

4

0

CARTRIDGE (1-5/8),(SEE FIG.A4119-A4A1)

SN: 532658-UP

1шт.

4

0

CARTRIDGE (1-5/8),(SEE FIG.A4119-A4A1)

SN: 530087-532657

1шт.

5

01435-01035

BOLT

SN: 530087-UP

4шт.

6

6261-71-5310

BRACKET

SN: 530087-UP

1шт.

7

01435-01025

BOLT

SN: 530087-UP

4шт.

8

6261-71-5360

TUBE,SUPPLY

SN: 530087-UP

1шт.

9

6261-71-5330

TUBE,RETURN

SN: 530087-UP

1шт.

10

07206-31014

BOLT,JOINT

SN: 530087-UP

2шт.

11

07005-01412

SEAL, WASHER

SN: 530087-UP

4шт.

12

6166-75-6820

CLAMP

SN: 530087-UP

4шт.

13

01435-00830

BOLT

SN: 530087-UP

2шт.

14

6218-71-5790

BRACKET

SN: 530087-UP

1шт.

15

01436-01085

BOLT

SN: 530087-UP

1шт.

16

6261-71-5390

STAY

SN: 530087-UP

1шт.

17

01435-01020

BOLT

SN: 530087-UP

1шт.

18

6261-71-8240

PRIMING PUMP ASS'Y

SN: 530087-UP

1шт.

19

07040-11409

PLUG

SN: 530087-UP

2шт.

20

07005-01412

SEAL, WASHER

SN: 530087-UP

2шт.

|$27

6261-71-8100

BLOCK ASS'Y

SN: 530087-UP

1шт.

21

6261-71-8110

BLOCK

SN: 530087-UP

1шт.

22

6217-71-6850

PLUG

SN: 530087-UP

1шт.

23

6217-71-6820

VALVE

SN: 530087-UP

1шт.

24

6217-71-6830

SPRING

SN: 530087-UP

1шт.

25

6217-71-6840

WASHER

SN: 530087-UP

1шт.

26

6217-71-6870

PIN

SN: 530087-UP

1шт.

27

07000-12014

O-RING

SN: 530087-UP

2шт.

28

01435-01025

BOLT

SN: 530087-UP

4шт.

29

01435-01030

BOLT

SN: 530087-UP

3шт.

30

6261-71-5350

TUBE

SN: 530087-UP

1шт.

31

02782-10422

ELBOW

SN: 530087-UP

2шт.

32

07002-22034

O-RING

SN: 530087-UP

2шт.

33

02896-21012

O-RING

SN: 530087-UP

1шт.

34

6162-63-8820

CLIP

SN: 530087-UP

2шт.

35

01435-01075

BOLT

SN: 530087-UP

1шт.

36

01435-01020

BOLT

SN: 530087-UP

1шт.

37

113-03-21170

SPACER

SN: 530087-UP

1шт.

38

01643-31032

WASHER

SN: 530087-UP

2шт.

39

6261-71-5590

BRACKET

SN: 530087-UP

1шт.

40

01011-81005

BOLT

SN: 530087-UP

2шт.

41

01011-81090

BOLT

SN: 530087-UP

2шт.

42

01643-31032

WASHER

SN: 530087-UP

4шт.

Выбрано товаров: 90