Запчасти Komatsu SAA6D140E-5H-01 АНТИКОРРОЗ. ЭЛЕМЕНТ (КРОМЕ ЯПОН.)(№-) ДВИГАТЕЛЬ

Схема запчастей Komatsu SAA6D140E-5H-01 - АНТИКОРРОЗ. ЭЛЕМЕНТ (КРОМЕ ЯПОН.)(№-) ДВИГАТЕЛЬ
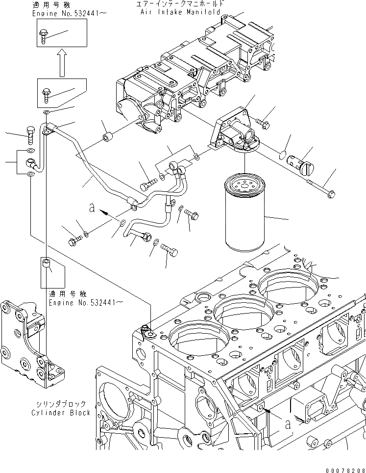
1
2
3
4
4
4A
4B
5
5
5
6
7
8
8
8
8
9
9
9
10
11
12
13
14
15
1
2
3
4
4
4A
4B
5
5
5
6
7
8
8
8
8
9
9
9
10
11
12
13
14
15
FIT
1:1
100%

Артикул

Название

Примечание

Количество

1

6215-71-4940

CLAMP

SN: 530056-UP

3шт.

2

6631-11-5630

SPACER

SN: 530056-UP

1шт.

3

01435-01045

BOLT

SN: 530056-UP

1шт.

4

01435-01020

BOLT

SN: 532441-UP

1шт.

4

01435-01020

BOLT

SN: 530056-532440

2шт.

4A

01435-01035

BOLT

SN: 532441-UP

1шт.

4B

6631-11-6390

SPACER

SN: 532441-UP

1шт.

5

01643-31032

WASHER

SN: 530056-UP

3шт.

6

6261-61-8620

TUBE,RETURN

SN: 530056-UP

1шт.

7

6261-61-8610

TUBE,INLET

SN: 530056-UP

1шт.

8

07005-01412

SEAL, WASHER

SN: 530056-UP

8шт.

9

07206-31014

BOLT,JOINT

SN: 530056-UP

4шт.

|$15

6217-61-8170

RESISTOR ASS'Y,CORROSION

SN: 530056-UP

1шт.

|$16

6217-61-8231

HEAD ASS'Y

SN: 530056-UP

1шт.

10

6217-61-8211

HEAD,CORROSION

SN: 530056-UP

1шт.

11

6217-61-8221

VALVE

SN: 530056-UP

1шт.

12

07000-A2021

O-RING

SN: 530056-UP

1шт.

13

600-411-1161

CARTRIDGE,CORROSION

SN: 530056-UP

1шт.

14

01435-01035

BOLT

SN: 530056-UP

4шт.

15

01436-01000

BOLT

SN: 530056-UP

1шт.

1

6215-71-4940

CLAMP

SN: 530056-UP

3шт.

2

6631-11-5630

SPACER

SN: 530056-UP

1шт.

3

01435-01045

BOLT

SN: 530056-UP

1шт.

4

01435-01020

BOLT

SN: 532441-UP

1шт.

4

01435-01020

BOLT

SN: 530056-532440

2шт.

4A

01435-01035

BOLT

SN: 532441-UP

1шт.

4B

6631-11-6390

SPACER

SN: 532441-UP

1шт.

5

01643-31032

WASHER

SN: 530056-UP

3шт.

6

6261-61-8620

TUBE,RETURN

SN: 530056-UP

1шт.

7

6261-61-8610

TUBE,INLET

SN: 530056-UP

1шт.

8

07005-01412

SEAL, WASHER

SN: 530056-UP

8шт.

9

07206-31014

BOLT,JOINT

SN: 530056-UP

4шт.

|$15

6217-61-8170

RESISTOR ASS'Y,CORROSION

SN: 530056-UP

1шт.

|$16

6217-61-8231

HEAD ASS'Y

SN: 530056-UP

1шт.

10

6217-61-8211

HEAD,CORROSION

SN: 530056-UP

1шт.

11

6217-61-8221

VALVE

SN: 530056-UP

1шт.

12

07000-A2021

O-RING

SN: 530056-UP

1шт.

13

600-411-1161

CARTRIDGE,CORROSION

SN: 530056-UP

1шт.

14

01435-01035

BOLT

SN: 530056-UP

4шт.

15

01436-01000

BOLT

SN: 530056-UP

1шт.

Выбрано товаров: 40