Запчасти Komatsu SAA6D140E-5H-01 ТЕРМОЗАЩИТА(№-) ДВИГАТЕЛЬ

Схема запчастей Komatsu SAA6D140E-5H-01 - ТЕРМОЗАЩИТА(№-) ДВИГАТЕЛЬ
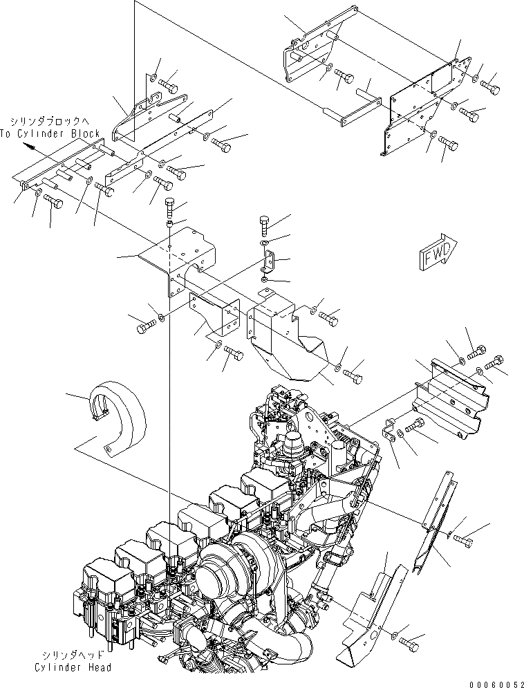
1
2
3
4
5
5
6
7
7
7
8
9
10
10
11
12
13
14
15
16
16
17
17
17
17
18
19
20
21
22
23
24
25
26
26
27
28
28
28
29
30
31
32
33
33
34
35
36
37
38
39
40
40
40
40
41
41
41
41
1
2
3
4
5
5
6
7
7
7
8
9
10
10
11
12
13
14
15
16
16
17
17
17
17
18
19
20
21
22
23
24
25
26
26
27
28
28
28
29
30
31
32
33
33
34
35
36
37
38
39
40
40
40
40
41
41
41
41
FIT
1:1
100%

Артикул

Название

Примечание

Количество

1

6261-11-8190

COVER

SN: 530056-UP

1шт.

2

6261-11-8180

BRACKET

SN: 530056-UP

1шт.

3

6261-11-8640

BRACKET

SN: 530056-UP

1шт.

4

6261-11-8660

BRACKET

SN: 530056-UP

1шт.

5

01010-81030

BOLT

SN: 530056-UP

5шт.

6

01010-81025

BOLT

SN: 530056-UP

2шт.

7

01643-31032

WASHER

SN: 530056-UP

7шт.

8

01010-E1025

BOLT

SN: 530056-UP

6шт.

9

01011-81030

BOLT

SN: 530056-UP

1шт.

10

01643-31032

WASHER

SN: 530056-UP

7шт.

11

6261-11-8430

COVER

SN: 530056-UP

1шт.

12

6261-11-8880

COVER

SN: 530056-UP

1шт.

13

6261-11-8420

BRACKET

SN: 530056-UP

1шт.

14

01010-81025

BOLT

SN: 530056-UP

2шт.

15

01010-81045

BOLT

SN: 530056-UP

1шт.

16

01010-81025

BOLT

SN: 530056-UP

4шт.

17

01643-31032

WASHER

SN: 530056-UP

7шт.

18

6261-11-8490

BRACKET

SN: 530056-UP

1шт.

19

01010-81040

BOLT

SN: 530056-UP

1шт.

20

6132-21-4630

SPACER

SN: 530056-UP

1шт.

21

01643-31032

WASHER

SN: 530056-UP

1шт.

22

6261-11-8540

BRACKET

SN: 530056-UP

1шт.

23

01010-E1040

BOLT

SN: 530056-UP

3шт.

24

6631-11-5630

SPACER

SN: 530056-UP

3шт.

25

6261-11-8620

COVER

SN: 530056-UP

1шт.

26

01010-81025

BOLT

SN: 530056-UP

5шт.

27

01011-81020

BOLT

SN: 530056-UP

1шт.

28

01643-31032

WASHER

SN: 530056-UP

6шт.

29

6143-11-4290

SPACER

SN: 530056-UP

1шт.

30

6261-11-8551

COVER

SN: 531153-UP

1шт.

30

6261-11-8550

COVER

SN: 530056-531152

1шт.

31

01010-81025

BOLT

SN: 530056-UP

5шт.

32

01010-81030

BOLT

SN: 530056-UP

2шт.

33

01643-31032

WASHER

SN: 530056-UP

7шт.

34

6261-11-8710

COVER

SN: 530056-UP

1шт.

35

01010-81025

BOLT

SN: 530056-UP

4шт.

36

01643-31032

WASHER

SN: 530056-UP

4шт.

37

6261-11-8770

COVER

SN: 530056-UP

1шт.

38

6261-11-8330

COVER

SN: 530056-UP

1шт.

39

6261-11-8740

BRACKET

SN: 530056-UP

1шт.

40

01010-81025

BOLT

SN: 530056-UP

14шт.

41

01643-31032

WASHER

SN: 530056-UP

14шт.

1

6261-11-8190

COVER

SN: 530056-UP

1шт.

2

6261-11-8180

BRACKET

SN: 530056-UP

1шт.

3

6261-11-8640

BRACKET

SN: 530056-UP

1шт.

4

6261-11-8660

BRACKET

SN: 530056-UP

1шт.

5

01010-81030

BOLT

SN: 530056-UP

5шт.

6

01010-81025

BOLT

SN: 530056-UP

2шт.

7

01643-31032

WASHER

SN: 530056-UP

7шт.

8

01010-E1025

BOLT

SN: 530056-UP

6шт.

9

01011-81030

BOLT

SN: 530056-UP

1шт.

10

01643-31032

WASHER

SN: 530056-UP

7шт.

11

6261-11-8430

COVER

SN: 530056-UP

1шт.

12

6261-11-8880

COVER

SN: 530056-UP

1шт.

13

6261-11-8420

BRACKET

SN: 530056-UP

1шт.

14

01010-81025

BOLT

SN: 530056-UP

2шт.

15

01010-81045

BOLT

SN: 530056-UP

1шт.

16

01010-81025

BOLT

SN: 530056-UP

4шт.

17

01643-31032

WASHER

SN: 530056-UP

7шт.

18

6261-11-8490

BRACKET

SN: 530056-UP

1шт.

19

01010-81040

BOLT

SN: 530056-UP

1шт.

20

6132-21-4630

SPACER

SN: 530056-UP

1шт.

21

01643-31032

WASHER

SN: 530056-UP

1шт.

22

6261-11-8540

BRACKET

SN: 530056-UP

1шт.

23

01010-E1040

BOLT

SN: 530056-UP

3шт.

24

6631-11-5630

SPACER

SN: 530056-UP

3шт.

25

6261-11-8620

COVER

SN: 530056-UP

1шт.

26

01010-81025

BOLT

SN: 530056-UP

5шт.

27

01011-81020

BOLT

SN: 530056-UP

1шт.

28

01643-31032

WASHER

SN: 530056-UP

6шт.

29

6143-11-4290

SPACER

SN: 530056-UP

1шт.

30

6261-11-8551

COVER

SN: 531153-UP

1шт.

30

6261-11-8550

COVER

SN: 530056-531152

1шт.

31

01010-81025

BOLT

SN: 530056-UP

5шт.

32

01010-81030

BOLT

SN: 530056-UP

2шт.

33

01643-31032

WASHER

SN: 530056-UP

7шт.

34

6261-11-8710

COVER

SN: 530056-UP

1шт.

35

01010-81025

BOLT

SN: 530056-UP

4шт.

36

01643-31032

WASHER

SN: 530056-UP

4шт.

37

6261-11-8770

COVER

SN: 530056-UP

1шт.

38

6261-11-8330

COVER

SN: 530056-UP

1шт.

39

6261-11-8740

BRACKET

SN: 530056-UP

1шт.

40

01010-81025

BOLT

SN: 530056-UP

14шт.

41

01643-31032

WASHER

SN: 530056-UP

14шт.

Выбрано товаров: 0