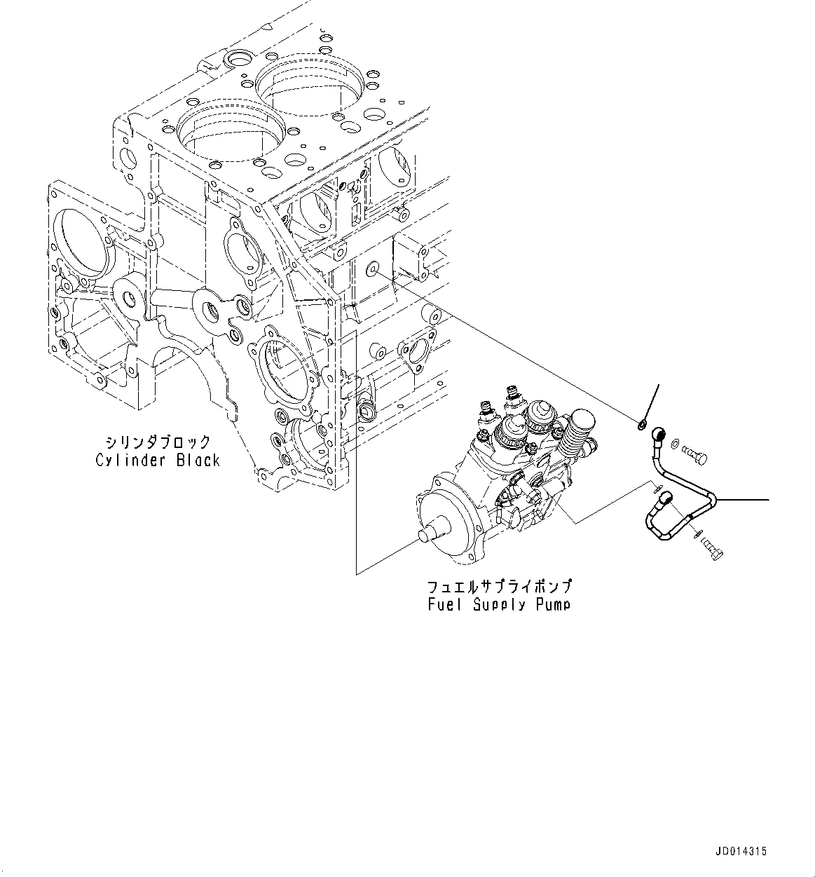
Запчасти Komatsu SAA6D140E-5H ТОПЛИВН. НАСОС СМАЗКА (№78-) ТОПЛИВН. НАСОС СМАЗКА

Схема запчастей Komatsu SAA6D140E-5H - ТОПЛИВН. НАСОС СМАЗКА (№78-) ТОПЛИВН. НАСОС СМАЗКА
1
2
1
2
FIT
1:1
100%

Артикул

Название

Примечание

Количество

1

6261-51-7110

Tube, Supply

SN: 535785-UP

1шт.

2

07005-01012

Seal, Washer

SN: 535785-UP

1шт.

1

6261-51-7110

Tube, Supply

SN: 535785-UP

1шт.

2

07005-01012

Seal, Washer

SN: 535785-UP

1шт.

Выбрано товаров: 4