Запчасти Komatsu SAA6D140E-5H ТЕРМОЗАЩИТА (№78-8) ТЕРМОЗАЩИТА, ДЛЯ 9AMP. ГЕНЕРАТОР

Схема запчастей Komatsu SAA6D140E-5H - ТЕРМОЗАЩИТА (№78-8) ТЕРМОЗАЩИТА, ДЛЯ 9AMP. ГЕНЕРАТОР
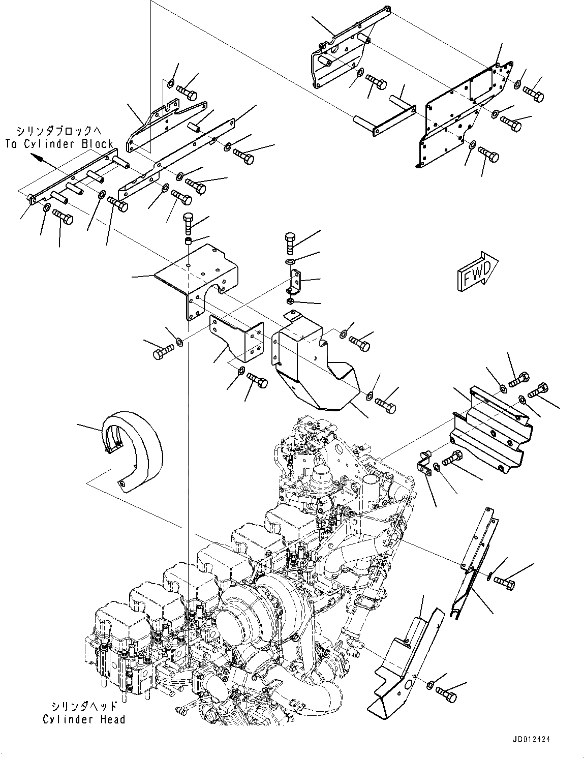
1
2
3
4
5
7
6
9
10
11
12
13
14
15
17
19
18
21
22
24
23
25
26
27
28
29
31
32
33
34
35
39
40
41
42
43
44
45
46
48
47
46
45
46
45
16
20
19
20
36
30
11
8
5
6
30
29
38
37
1
2
3
4
5
7
6
9
10
11
12
13
14
15
17
19
18
21
22
24
23
25
26
27
28
29
31
32
33
34
35
39
40
41
42
43
44
45
46
48
47
46
45
46
45
16
20
19
20
36
30
11
8
5
6
30
29
38
37
FIT
1:1
100%

Артикул

Название

Примечание

Количество

1

6261-11-8190

Cover

SN: 535785-538430

1шт.

2

6261-11-8180

Bracket

SN: 535785-538430

1шт.

3

6261-11-8640

Bracket

SN: 535785-538430

1шт.

4

6261-11-8660

Bracket

SN: 535785-538430

1шт.

5

01010-81030

Bolt

SN: 535785-538430

5шт.

6

01643-31032

Washer

SN: 535785-538430

5шт.

7

01010-81025

Bolt

SN: 535785-538430

2шт.

8

01643-31032

Washer

SN: 535785-538430

2шт.

9

01010-E1025

Bolt

SN: 535785-538430

6шт.

10

01011-81030

Bolt

SN: 535785-538430

1шт.

11

01643-31032

Washer

SN: 535785-538430

7шт.

12

6261-11-8430

Cover

SN: 535785-538430

1шт.

13

6261-11-8880

Cover

SN: 535785-538430

1шт.

14

6261-11-8420

Bracket

SN: 535785-538430

1шт.

15

01010-81025

Bolt

SN: 535785-538430

2шт.

16

01643-31032

Washer

SN: 535785-538430

2шт.

17

01010-81045

Bolt

SN: 535785-538430

1шт.

18

01643-31032

Washer

SN: 535785-538430

1шт.

19

01010-81025

Bolt

SN: 535785-538430

4шт.

20

01643-31032

Washer

SN: 535785-538430

4шт.

21

6261-11-8490

Bracket

SN: 535785-538430

1шт.

22

01010-81040

Bolt

SN: 535785-538430

1шт.

23

01643-31032

Washer

SN: 535785-538430

1шт.

24

6132-21-4630

Spacer

SN: 535785-538430

1шт.

25

6261-11-8540

Bracket

SN: 535785-538430

1шт.

26

01010-E1040

Bolt

SN: 535785-538430

3шт.

27

6631-11-5630

Spacer

SN: 535785-538430

3шт.

28

6261-11-7930

Cover

SN: 535785-538430

1шт.

29

01010-81025

Bolt

SN: 535785-538430

5шт.

30

01643-31032

Washer

SN: 535785-538430

5шт.

31

01010-81095

Bolt

SN: 535785-538430

1шт.

32

01643-31032

Washer

SN: 535785-538430

1шт.

33

207-54-15180

Boss

SN: 535785-538430

1шт.

34

6261-11-8551

Cover

SN: 535785-538430

1шт.

35

01010-81025

Bolt

SN: 535785-538430

5шт.

36

01643-31032

Washer

SN: 535785-538430

5шт.

37

01010-81030

Bolt

SN: 535785-538430

2шт.

38

01643-31032

Washer

SN: 535785-538430

2шт.

39

6261-11-8710

Cover

SN: 535785-538430

1шт.

40

01010-81025

Bolt

SN: 535785-538430

4шт.

41

01643-31032

Washer

SN: 535785-538430

4шт.

42

6261-11-8770

Cover

SN: 535785-538430

1шт.

43

6261-11-8330

Cover

SN: 535785-538430

1шт.

44

6261-11-8740

Bracket

SN: 535785-538430

1шт.

45

01010-81025

Bolt

SN: 535785-538430

12шт.

46

01643-31032

Washer

SN: 535785-538430

12шт.

47

01010-81020

Bolt

SN: 535785-538430

2шт.

48

01643-31032

Washer

SN: 535785-538430

2шт.

1

6261-11-8190

Cover

SN: 535785-538430

1шт.

2

6261-11-8180

Bracket

SN: 535785-538430

1шт.

3

6261-11-8640

Bracket

SN: 535785-538430

1шт.

4

6261-11-8660

Bracket

SN: 535785-538430

1шт.

5

01010-81030

Bolt

SN: 535785-538430

5шт.

6

01643-31032

Washer

SN: 535785-538430

5шт.

7

01010-81025

Bolt

SN: 535785-538430

2шт.

8

01643-31032

Washer

SN: 535785-538430

2шт.

9

01010-E1025

Bolt

SN: 535785-538430

6шт.

10

01011-81030

Bolt

SN: 535785-538430

1шт.

11

01643-31032

Washer

SN: 535785-538430

7шт.

12

6261-11-8430

Cover

SN: 535785-538430

1шт.

13

6261-11-8880

Cover

SN: 535785-538430

1шт.

14

6261-11-8420

Bracket

SN: 535785-538430

1шт.

15

01010-81025

Bolt

SN: 535785-538430

2шт.

16

01643-31032

Washer

SN: 535785-538430

2шт.

17

01010-81045

Bolt

SN: 535785-538430

1шт.

18

01643-31032

Washer

SN: 535785-538430

1шт.

19

01010-81025

Bolt

SN: 535785-538430

4шт.

20

01643-31032

Washer

SN: 535785-538430

4шт.

21

6261-11-8490

Bracket

SN: 535785-538430

1шт.

22

01010-81040

Bolt

SN: 535785-538430

1шт.

23

01643-31032

Washer

SN: 535785-538430

1шт.

24

6132-21-4630

Spacer

SN: 535785-538430

1шт.

25

6261-11-8540

Bracket

SN: 535785-538430

1шт.

26

01010-E1040

Bolt

SN: 535785-538430

3шт.

27

6631-11-5630

Spacer

SN: 535785-538430

3шт.

28

6261-11-7930

Cover

SN: 535785-538430

1шт.

29

01010-81025

Bolt

SN: 535785-538430

5шт.

30

01643-31032

Washer

SN: 535785-538430

5шт.

31

01010-81095

Bolt

SN: 535785-538430

1шт.

32

01643-31032

Washer

SN: 535785-538430

1шт.

33

207-54-15180

Boss

SN: 535785-538430

1шт.

34

6261-11-8551

Cover

SN: 535785-538430

1шт.

35

01010-81025

Bolt

SN: 535785-538430

5шт.

36

01643-31032

Washer

SN: 535785-538430

5шт.

37

01010-81030

Bolt

SN: 535785-538430

2шт.

38

01643-31032

Washer

SN: 535785-538430

2шт.

39

6261-11-8710

Cover

SN: 535785-538430

1шт.

40

01010-81025

Bolt

SN: 535785-538430

4шт.

41

01643-31032

Washer

SN: 535785-538430

4шт.

42

6261-11-8770

Cover

SN: 535785-538430

1шт.

43

6261-11-8330

Cover

SN: 535785-538430

1шт.

44

6261-11-8740

Bracket

SN: 535785-538430

1шт.

45

01010-81025

Bolt

SN: 535785-538430

12шт.

46

01643-31032

Washer

SN: 535785-538430

12шт.

47

01010-81020

Bolt

SN: 535785-538430

2шт.

48

01643-31032

Washer

SN: 535785-538430

2шт.

Выбрано товаров: 96