Запчасти Komatsu SAA6D140E-5H ТРУБОПРОВОД ВПУСКА ВОЗДУХА (№78-) ТРУБОПРОВОД ВПУСКА ВОЗДУХА, БЕЗ КОНДИЦ. ВОЗДУХА

Схема запчастей Komatsu SAA6D140E-5H - ТРУБОПРОВОД ВПУСКА ВОЗДУХА (№78-) ТРУБОПРОВОД ВПУСКА ВОЗДУХА, БЕЗ КОНДИЦ. ВОЗДУХА
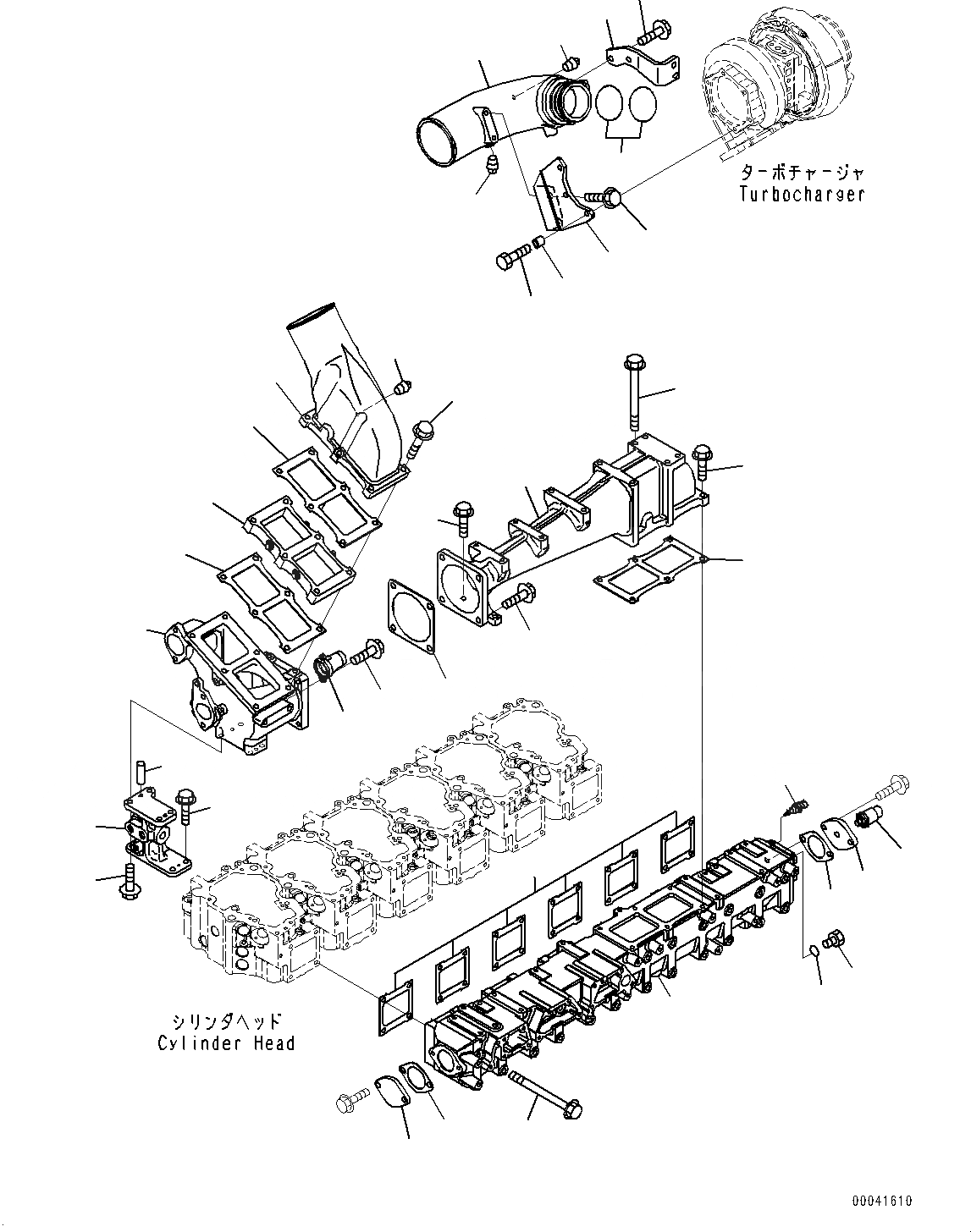
4
5
6
7
8
9
10
11
12
13
14
15
16
17
18
19
20
21
22
25
26
27
28
29
30
31
32
5
32
30
1
3
23
24
33
34
35
36
37
33
2
4
5
6
7
8
9
10
11
12
13
14
15
16
17
18
19
20
21
22
25
26
27
28
29
30
31
32
5
32
30
1
3
23
24
33
34
35
36
37
33
2
FIT
1:1
100%

Артикул

Название

Примечание

Количество

1

6210-11-4811

Gasket

SN: 535785-UP

6шт.

2

6261-11-4111

Manifold

SN: 536418-UP

1шт.

2

6261-11-4110

Manifold

SN: 535785-536417

1шт.

3

01436-01070

Bolt

SN: 535785-UP

20шт.

4

600-815-4280

Heater

SN: 535785-UP

1шт.

5

6211-11-4821

Gasket

SN: 535785-UP

2шт.

6

6261-11-4310

Connector

SN: 535785-UP

1шт.

7

01435-01070

Bolt

SN: 535785-UP

5шт.

8

07042-A0108

Plug

SN: 535785-UP

1шт.

9

6261-11-7210

Housing

SN: 535785-UP

1шт.

10

6261-11-7220

Bracket

SN: 535785-UP

1шт.

11

01435-01025

Bolt

SN: 535785-UP

4шт.

12

01435-01030

Bolt

SN: 535785-UP

4шт.

13

04020-00820

Pin, Dowel

SN: 535785-UP

2шт.

14

6261-11-2130

Nozzle

SN: 535785-UP

1шт.

15

01437-10816

Bolt

SN: 535785-UP

2шт.

16

6211-11-4821

Gasket

SN: 535785-UP

1шт.

17

6261-11-7410

Connector

SN: 535785-UP

1шт.

18

6261-11-7450

Gasket

SN: 535785-UP

1шт.

19

01435-01030

Bolt

SN: 535785-UP

2шт.

20

01435-01035

Bolt

SN: 535785-UP

2шт.

21

01435-01235

Bolt

SN: 535785-UP

4шт.

22

01436-01080

Bolt

SN: 535785-UP

2шт.

23

6560-61-7202

Sensor, Pressure

SN: 537844-UP

1шт.

23

6560-61-7201

Sensor Assembly

SN: 535785-537843

1шт.

23

6560-61-7211

Sensor

SN: 535785-537843

1шт.

23

6216-54-6320

O-ring

SN: 535785-UP

1шт.

24

6560-61-7300

Sensor Assembly

SN: 535785-UP

1шт.

24

6560-61-7310

Sensor

SN: 535785-UP

1шт.

24

6735-21-1930

O-ring

SN: 535785-UP

1шт.

25

6261-11-4420

Connector

SN: 535785-UP

1шт.

26

6631-11-5630

Spacer

SN: 535785-UP

3шт.

27

6261-11-4551

Bracket

SN: 535785-UP

1шт.

28

6261-11-4560

Bracket

SN: 535785-UP

1шт.

29

01020-11040

Bolt

SN: 535785-UP

3шт.

30

01435-01030

Bolt

SN: 535785-UP

6шт.

31

02895-77075

O-ring

SN: 535785-UP

2шт.

32

07042-A0108

Plug

SN: 535785-UP

2шт.

33

6212-61-6662

Gasket

SN: 535785-UP

2шт.

34

6215-61-6670

Plate

SN: 535785-UP

1шт.

35

6261-11-4120

Plate

SN: 535785-UP

1шт.

36

07040-11409

Plug

SN: 535785-UP

1шт.

37

07002-21423

O-ring

SN: 535785-UP

1шт.

1

6210-11-4811

Gasket

SN: 535785-UP

6шт.

2

6261-11-4111

Manifold

SN: 536418-UP

1шт.

2

6261-11-4110

Manifold

SN: 535785-536417

1шт.

3

01436-01070

Bolt

SN: 535785-UP

20шт.

4

600-815-4280

Heater

SN: 535785-UP

1шт.

5

6211-11-4821

Gasket

SN: 535785-UP

2шт.

6

6261-11-4310

Connector

SN: 535785-UP

1шт.

7

01435-01070

Bolt

SN: 535785-UP

5шт.

8

07042-A0108

Plug

SN: 535785-UP

1шт.

9

6261-11-7210

Housing

SN: 535785-UP

1шт.

10

6261-11-7220

Bracket

SN: 535785-UP

1шт.

11

01435-01025

Bolt

SN: 535785-UP

4шт.

12

01435-01030

Bolt

SN: 535785-UP

4шт.

13

04020-00820

Pin, Dowel

SN: 535785-UP

2шт.

14

6261-11-2130

Nozzle

SN: 535785-UP

1шт.

15

01437-10816

Bolt

SN: 535785-UP

2шт.

16

6211-11-4821

Gasket

SN: 535785-UP

1шт.

17

6261-11-7410

Connector

SN: 535785-UP

1шт.

18

6261-11-7450

Gasket

SN: 535785-UP

1шт.

19

01435-01030

Bolt

SN: 535785-UP

2шт.

20

01435-01035

Bolt

SN: 535785-UP

2шт.

21

01435-01235

Bolt

SN: 535785-UP

4шт.

22

01436-01080

Bolt

SN: 535785-UP

2шт.

23

6560-61-7202

Sensor, Pressure

SN: 537844-UP

1шт.

23

6560-61-7201

Sensor Assembly

SN: 535785-537843

1шт.

23

6560-61-7211

Sensor

SN: 535785-537843

1шт.

23

6216-54-6320

O-ring

SN: 535785-UP

1шт.

24

6560-61-7300

Sensor Assembly

SN: 535785-UP

1шт.

24

6560-61-7310

Sensor

SN: 535785-UP

1шт.

24

6735-21-1930

O-ring

SN: 535785-UP

1шт.

25

6261-11-4420

Connector

SN: 535785-UP

1шт.

26

6631-11-5630

Spacer

SN: 535785-UP

3шт.

27

6261-11-4551

Bracket

SN: 535785-UP

1шт.

28

6261-11-4560

Bracket

SN: 535785-UP

1шт.

29

01020-11040

Bolt

SN: 535785-UP

3шт.

30

01435-01030

Bolt

SN: 535785-UP

6шт.

31

02895-77075

O-ring

SN: 535785-UP

2шт.

32

07042-A0108

Plug

SN: 535785-UP

2шт.

33

6212-61-6662

Gasket

SN: 535785-UP

2шт.

34

6215-61-6670

Plate

SN: 535785-UP

1шт.

35

6261-11-4120

Plate

SN: 535785-UP

1шт.

36

07040-11409

Plug

SN: 535785-UP

1шт.

37

07002-21423

O-ring

SN: 535785-UP

1шт.

Выбрано товаров: 86