Запчасти Komatsu D30AM-17 ОСНОВН. МУФТА ПЛАСТИНА И COVER ОСНОВН. МУФТА И ТРАНСМИССИЯ

Схема запчастей Komatsu D30AM-17 - ОСНОВН. МУФТА ПЛАСТИНА И COVER ОСНОВН. МУФТА И ТРАНСМИССИЯ
FIT
1:1
100%

Артикул

Название

Примечание

Количество

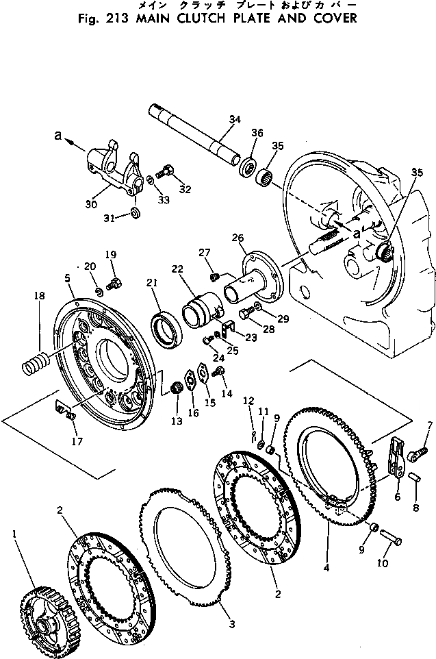
1

12F-10-11130

GEAR, 64 TEETH

SN: 32001-UP

1шт.

2

12F-10-11240

DISC

SN: 32001-UP

2шт.

3

111-11-12120

PLATE

SN: 32001-UP

1шт.

4

112-10-42140

PLATE

SN: 32001-UP

1шт.

5

112-10-42110

COVER,(WITH GEAR)

SN: 32001-UP

1шт.

6

112-10-42250

LEVER

SN: 32001-UP

3шт.

7

112-10-42180

BOLT

SN: 32001-UP

3шт.

8

112-10-42190

PIN

SN: 32001-UP

3шт.

9

112-10-42220

BUSHING

SN: 32001-UP

6шт.

10

112-10-42210

PIN

SN: 32001-UP

3шт.

11

01641-01016

WASHER

SN: 32001-UP

3шт.

12

04050-03022

PIN

SN: 32001-UP

3шт.

13

112-10-42170

NUT

SN: 32001-UP

3шт.

14

01010-30610

BOLT

SN: 32001-UP

6шт.

15

112-10-42240

WASHER

SN: 32001-UP

3шт.

16

112-10-42230

LOCK

SN: 32001-UP

3шт.

17

112-10-42150

SPRING

SN: 32001-UP

3шт.

18

112-10-42160

SPRING

SN: 32001-UP

12шт.

19

01010-31025

BOLT

SN: 32001-UP

9шт.

20

01602-01030

WASHER

SN: 32001-UP

9шт.

21

112-10-44150

BEARING

SN: 32001-UP

1шт.

22

112-10-44140

SLEEVE

SN: 32001-UP

1шт.

23

101-11-14210

CLIP

SN: 32001-UP

2шт.

24

01220-30508

SCREW

SN: 32001-UP

4шт.

25

01611-05063

WASHER

SN: 32001-UP

4шт.

|$25

112-10-00110

SLEEVE ASS'Y

SN: 32001-UP

1шт.

26

0

SLEEVE

SN: 32001-UP

1шт.

27

102-10-43410

PLUG

SN: 32001-UP

1шт.

28

01010-30825

BOLT

SN: 32001-UP

4шт.

29

01602-00825

WASHER

SN: 32001-UP

4шт.

30

112-10-44161

YOKE

SN: 32001-UP

1шт.

31

101-11-14260

KEY

SN: 32001-UP

2шт.

32

01010-31035

BOLT

SN: 32001-UP

2шт.

33

01602-01030

WASHER

SN: 32001-UP

2шт.

34

112-10-44171

SHAFT

SN: 32001-UP

1шт.

35

06120-02820

BEARING

SN: 32001-UP

2шт.

36

07012-00028

SEAL

SN: 32001-UP

1шт.

Выбрано товаров: 37