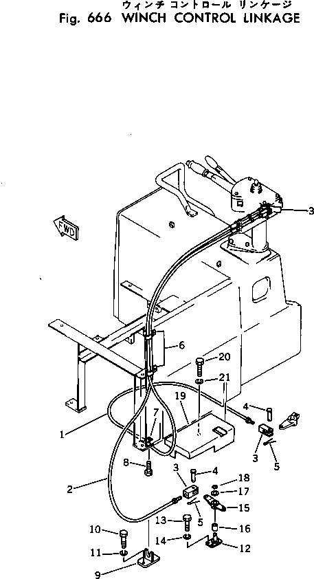
Запчасти Komatsu D30AM-17 ЛЕБЕДКА МЕХ-М УПРАВЛ-Я УПРАВЛ-Е РАБОЧИМ ОБОРУДОВАНИЕМ

Схема запчастей Komatsu D30AM-17 - ЛЕБЕДКА МЕХ-М УПРАВЛ-Я УПРАВЛ-Е РАБОЧИМ ОБОРУДОВАНИЕМ
FIT
1:1
100%

Артикул

Название

Примечание

Количество

1

114-Y60-5130

CABLE

SN: 32001-UP

1шт.

2

114-Y60-5110

CABLE

SN: 32001-UP

1шт.

3

04211-20844

YOKE

SN: 32001-UP

4шт.

4

04205-10822

PIN

SN: 32001-UP

4шт.

5

04050-02012

PIN

SN: 32001-UP

4шт.

6

08036-02514

CLIP

SN: 32001-UP

2шт.

7

08036-01414

CLIP

SN: 32001-UP

1шт.

8

01010-31025

BOLT

SN: 32001-UP

1шт.

9

114-Y60-5170

BRACKET

SN: 32001-UP

1шт.

10

01010-30820

BOLT

SN: 32001-UP

2шт.

11

01602-00825

WASHER

SN: 32001-UP

2шт.

12

114-Z60-5210

BRACKET

SN: 32001-UP

1шт.

13

01010-30820

BOLT

SN: 32001-UP

2шт.

14

01602-00825

WASHER

SN: 32001-UP

2шт.

|$14

114-Z60-0220

LEVER ASS'Y

SN: 32001-UP

1шт.

15

0

LEVER

SN: 32001-UP

1шт.

16

09350-01420

BUSHING

SN: 32001-UP

1шт.

17

113-43-23350

WASHER

SN: 32001-UP

1шт.

18

04064-01410

RING

SN: 32001-UP

1шт.

19

114-Y60-5150

COVER

SN: 32001-UP

1шт.

20

01010-30816

BOLT

SN: 32001-UP

1шт.

21

01602-00825

WASHER

SN: 32001-UP

1шт.

Выбрано товаров: 22