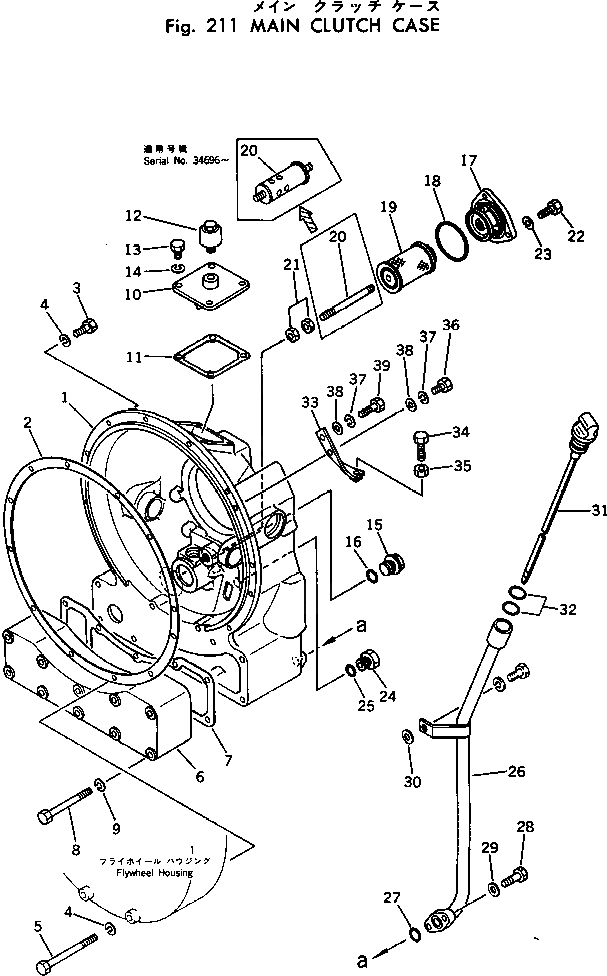
Запчасти Komatsu D30AM-17 ОСНОВН. МУФТА КОРПУС ОСНОВН. МУФТА И ТРАНСМИССИЯ

Схема запчастей Komatsu D30AM-17 - ОСНОВН. МУФТА КОРПУС ОСНОВН. МУФТА И ТРАНСМИССИЯ
FIT
1:1
100%

Артикул

Название

Примечание

Количество

1

112-10-43110

CASE

SN: 32001-UP

1шт.

2

112-10-51210

GASKET

SN: 32001-UP

1шт.

3

01010-31030

BOLT

SN: 32001-UP

9шт.

4

01602-01030

WASHER

SN: 32001-UP

11шт.

5

01011-31025

BOLT

SN: 32001-UP

2шт.

6

112-10-43130

CASE

SN: 32001-UP

1шт.

7

112-10-43140

GASKET

SN: 32001-UP

1шт.

8

01011-31010

BOLT

SN: 32001-UP

10шт.

9

01602-01030

WASHER

SN: 32001-UP

10шт.

10

112-10-43150

COVER

SN: 32001-UP

1шт.

11

112-10-43160

GASKET

SN: 32001-UP

1шт.

12

07030-00252

BREATHER

SN: 32001-UP

1шт.

13

01010-30820

BOLT

SN: 32001-UP

4шт.

14

01602-00825

WASHER

SN: 32001-UP

4шт.

15

07044-12412

PLUG

SN: 32001-UP

1шт.

16

07002-02434

O-RING

SN: 32001-UP

1шт.

17

125-15-11240

COVER

SN: 32001-UP

1шт.

18

07000-02070

O-RING

SN: 32001-UP

1шт.

19

120-10-31310

STRAINER

SN: 32001-UP

1шт.

20

112-10-53320

PIPE

SN: 34696-UP

1шт.

|20

121-10-13320

STUD

SN: 32001-34695

1шт.

21

01580-01008

NUT

SN: 32001-UP

2шт.

22

01010-31030

BOLT

SN: 32001-UP

3шт.

23

01602-01030

WASHER

SN: 32001-UP

3шт.

24

07040-11812

PLUG

SN: 32001-UP

1шт.

25

07002-01823

O-RING

SN: 32001-UP

1шт.

26

112-10-53160

TUBE

SN: 32001-UP

1шт.

27

07000-03025

O-RING

SN: 32001-UP

1шт.

28

01010-31030

BOLT

SN: 32001-UP

2шт.

29

01602-01030

WASHER

SN: 32001-UP

2шт.

30

01640-21016

WASHER

SN: 32001-UP

1шт.

31

112-10-43180

GAUGE,OIL LEVEL

SN: 32001-UP

1шт.

32

07002-02434

O-RING

SN: 32001-UP

2шт.

33

112-10-43230

PLATE

SN: 32001-UP

1шт.

34

01016-31050

BOLT

SN: 32001-UP

1шт.

35

01580-01008

NUT

SN: 32001-UP

1шт.

36

01010-31020

BOLT

SN: 32001-UP

1шт.

37

01602-01030

WASHER

SN: 32001-UP

2шт.

38

01643-31032

WASHER

SN: 32001-UP

2шт.

39

01010-31040

BOLT

SN: 32001-UP

1шт.

Выбрано товаров: 40