Запчасти Komatsu D30AM-17 РУЛЕВ. УПРАВЛЕНИЕ КОРПУС COVER СИСТЕМАУПРАВЛЕНИЯ ПОВОРОТОМ И КОНЕЧНАЯ ПЕРЕДАЧА

Схема запчастей Komatsu D30AM-17 - РУЛЕВ. УПРАВЛЕНИЕ КОРПУС COVER СИСТЕМАУПРАВЛЕНИЯ ПОВОРОТОМ И КОНЕЧНАЯ ПЕРЕДАЧА
FIT
1:1
100%

Артикул

Название

Примечание

Количество

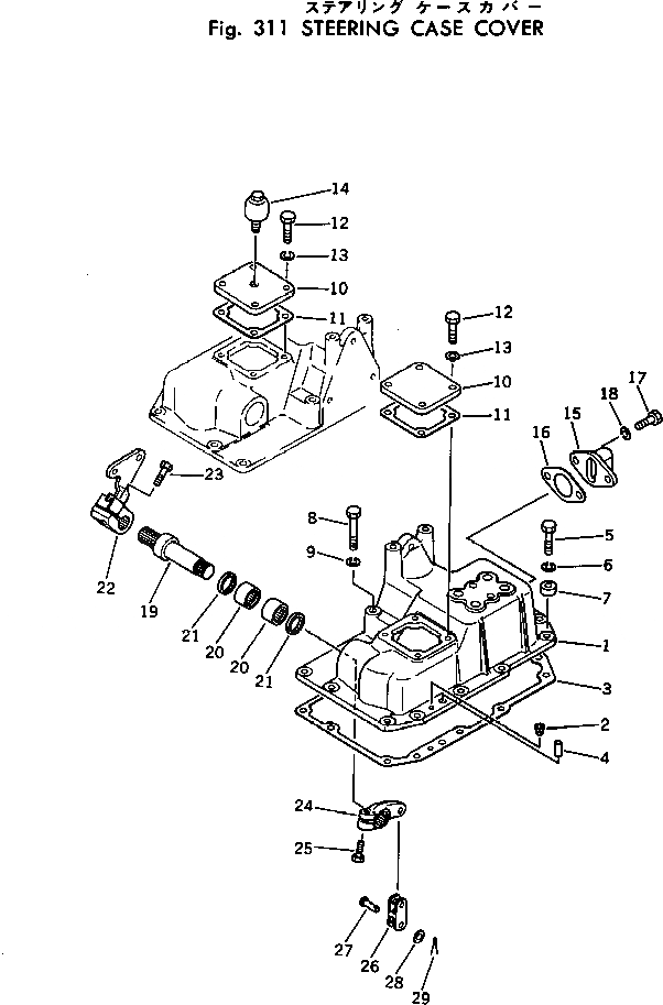
1

113-33-32111

COVER,L.H.

SN: 32001-UP

1шт.

|1

113-33-32121

COVER,R.H.

SN: 32001-UP

1шт.

2

07049-01012

PLUG

SN: 32001-UP

2шт.

3

113-33-32250

GASKET

SN: 32001-UP

2шт.

4

113-33-22180

PIN

SN: 32001-UP

4шт.

5

01010-31040

BOLT

SN: 32001-UP

22шт.

6

01602-01030

WASHER

SN: 32001-UP

22шт.

7

581-95-19870

BOSS

SN: 32001-UP

22шт.

8

01010-31065

BOLT

SN: 32001-UP

4шт.

9

01602-01030

WASHER

SN: 32001-UP

4шт.

10

113-33-32260

COVER,L.H.

SN: 32001-UP

1шт.

|10

113-33-32280

COVER,R.H.

SN: 32001-UP

1шт.

11

113-33-32270

GASKET

SN: 32001-UP

2шт.

12

01010-31025

BOLT

SN: 32001-UP

8шт.

13

01602-01030

WASHER

SN: 32001-UP

8шт.

14

07030-00252

BREATHER

SN: 32001-UP

1шт.

15

113-33-22160

CAP

SN: 32001-UP

2шт.

16

113-33-22170

GASKET

SN: 32001-UP

2шт.

17

01010-31025

BOLT

SN: 32001-UP

4шт.

18

01602-01030

WASHER,SPRING

SN: 32001-UP

4шт.

19

113-33-32130

SHAFT,L.H.

SN: 32001-UP

1шт.

|19

113-33-32140

SHAFT,R.H.

SN: 32001-UP

1шт.

20

06120-02820

BEARING

SN: 32001-UP

4шт.

21

06122-02804

SEAL

SN: 32001-UP

4шт.

22

113-33-32151

LEVER

SN: 32001-UP

2шт.

23

01010-30830

BOLT

SN: 32001-UP

2шт.

24

113-33-22251

LEVER

SN: 32001-UP

1шт.

25

01010-30830

BOLT

SN: 32001-UP

1шт.

26

113-33-22240

YOKE

SN: 32001-UP

1шт.

27

04205-11032

PIN

SN: 32001-UP

2шт.

28

01641-21016

WASHER

SN: 32001-UP

2шт.

29

04050-13015

PIN

SN: 32001-UP

2шт.

Выбрано товаров: 0