Запчасти Komatsu 4D105-5H СИСТЕМА СМАЗКИ МАСЛООХЛАДИТЕЛЬ СИСТЕМА СМАЗКИ МАСЛ. СИСТЕМА

Схема запчастей Komatsu 4D105-5H - СИСТЕМА СМАЗКИ МАСЛООХЛАДИТЕЛЬ СИСТЕМА СМАЗКИ МАСЛ. СИСТЕМА
FIT
1:1
100%

Артикул

Название

Примечание

Количество

|1

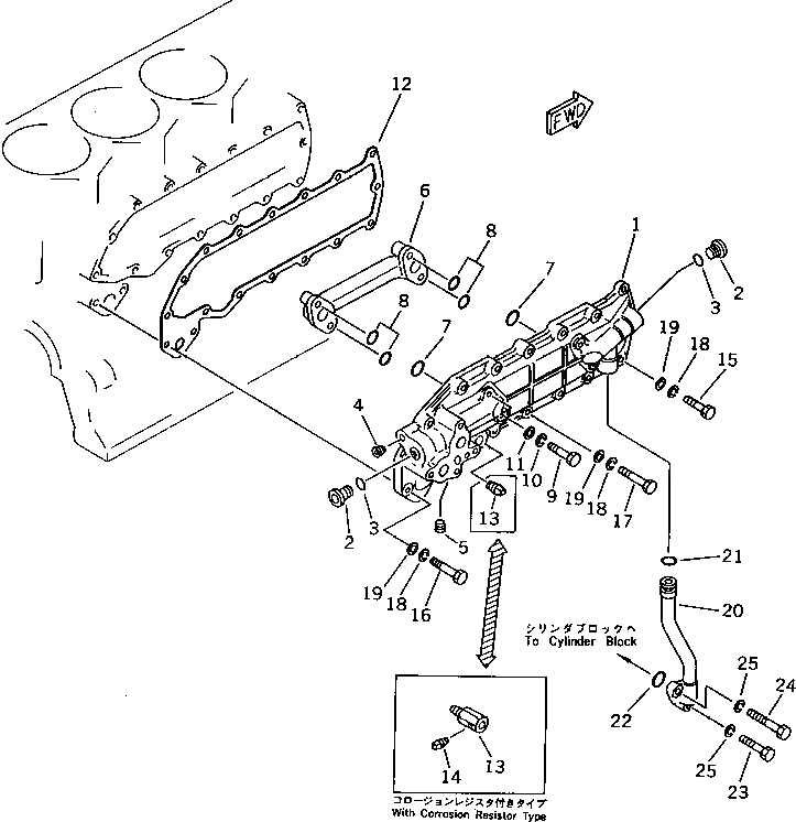
6134-61-2102

OIL COOLER ASS'Y

SN: 106581-UP

1шт.

1

6134-61-2113

COVER

SN: 106581-UP

1шт.

2

6134-61-2190

PLUG

SN: 106581-UP

2шт.

3

6134-61-2180

O-RING

SN: 106581-UP

2шт.

4

07043-00108

PLUG

SN: 106581-UP

1шт.

5

07043-00312

PLUG

SN: 106581-UP

1шт.

6

6134-61-2210

PIPE,OIL

SN: 106581-UP

1шт.

7

6136-61-2190

O-RING

SN: 106581-UP

2шт.

8

6127-61-2971

O-RING

SN: 106581-UP

4шт.

9

01010-50825

BOLT

SN: 106581-UP

4шт.

10

01602-20825

WASHER,SPRING

SN: 106581-UP

4шт.

11

01641-20812

WASHER

SN: 106581-UP

4шт.

12

6134-61-2811

GASKET (K2)

SN: 106581-UP

1шт.

13

6134-61-2290

PLUG,(FOR W/O. CORROSION RESISTOR)

SN: 106581-UP

1шт.

|13

6134-61-8610

NIPPLE,(SEE FIG.0521)

SN: 106518-UP

1шт.

14

07042-00211

PLUG,(SEE FIG.0521)

SN: 106518-UP

1шт.

15

01010-30825

BOLT

SN: 106581-UP

5шт.

16

01010-30830

BOLT

SN: 106581-UP

2шт.

17

01010-30825

BOLT

SN: 106581-UP

9шт.

18

01602-00825

WASHER,SPRING

SN: 106581-UP

16шт.

19

01640-00816

WASHER

SN: 106581-UP

16шт.

20

6134-51-6310

TUBE,OIL

SN: 106581-UP

1шт.

21

07000-22021

O-RING (K2)

SN: 106581-UP

1шт.

22

07000-63028

O-RING (K2)

SN: 106581-UP

1шт.

23

01010-30830

BOLT

SN: 106581-UP

1шт.

24

01010-30840

BOLT

SN: 106581-UP

1шт.

25

01602-00825

WASHER,SPRING

SN: 106581-UP

2шт.

|1

6134-61-2102

OIL COOLER ASS'Y

SN: 106581-UP

1шт.

1

6134-61-2113

COVER

SN: 106581-UP

1шт.

2

6134-61-2190

PLUG

SN: 106581-UP

2шт.

3

6134-61-2180

O-RING

SN: 106581-UP

2шт.

4

07043-00108

PLUG

SN: 106581-UP

1шт.

5

07043-00312

PLUG

SN: 106581-UP

1шт.

6

6134-61-2210

PIPE,OIL

SN: 106581-UP

1шт.

7

6136-61-2190

O-RING

SN: 106581-UP

2шт.

8

6127-61-2971

O-RING

SN: 106581-UP

4шт.

9

01010-50825

BOLT

SN: 106581-UP

4шт.

10

01602-20825

WASHER,SPRING

SN: 106581-UP

4шт.

11

01641-20812

WASHER

SN: 106581-UP

4шт.

12

6134-61-2811

GASKET (K2)

SN: 106581-UP

1шт.

13

6134-61-2290

PLUG,(FOR W/O. CORROSION RESISTOR)

SN: 106581-UP

1шт.

|13

6134-61-8610

NIPPLE,(SEE FIG.0521)

SN: 106518-UP

1шт.

14

07042-00211

PLUG,(SEE FIG.0521)

SN: 106518-UP

1шт.

15

01010-30825

BOLT

SN: 106581-UP

5шт.

16

01010-30830

BOLT

SN: 106581-UP

2шт.

17

01010-30825

BOLT

SN: 106581-UP

9шт.

18

01602-00825

WASHER,SPRING

SN: 106581-UP

16шт.

19

01640-00816

WASHER

SN: 106581-UP

16шт.

20

6134-51-6310

TUBE,OIL

SN: 106581-UP

1шт.

21

07000-22021

O-RING (K2)

SN: 106581-UP

1шт.

22

07000-63028

O-RING (K2)

SN: 106581-UP

1шт.

23

01010-30830

BOLT

SN: 106581-UP

1шт.

24

01010-30840

BOLT

SN: 106581-UP

1шт.

25

01602-00825

WASHER,SPRING

SN: 106581-UP

2шт.

Выбрано товаров: 54