Запчасти Komatsu D31A-16 ЭЛЕКТРИКА (СТАЛЬНАЯ КАБИНА) ОПЦИОННЫЕ КОМПОНЕНТЫ

Схема запчастей Komatsu D31A-16 - ЭЛЕКТРИКА (СТАЛЬНАЯ КАБИНА) ОПЦИОННЫЕ КОМПОНЕНТЫ
FIT
1:1
100%

Артикул

Название

Примечание

Количество

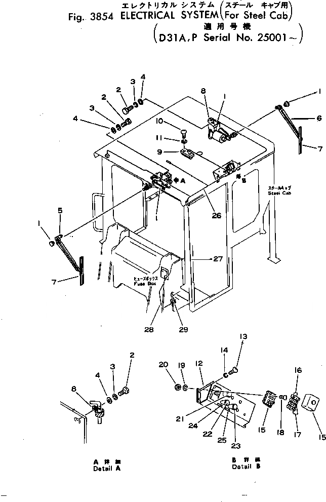
1

130-911-3270

MOTOR

SN: 25001-UP

2шт.

2

01010-50616

BOLT

SN: 25001-UP

6шт.

3

01602-20619

WASHER

SN: 25001-UP

6шт.

4

01642-20608

WASHER

SN: 25001-UP

6шт.

5

08184-10500

ARM

SN: 25001-UP

1шт.

6

08184-10450

ARM

SN: 25001-UP

1шт.

7

08185-00400

BLADE

SN: 25001-UP

2шт.

8

08036-10810

CLIP

SN: 25001-UP

2шт.

9

08142-22400

LAMP

SN: 25001-UP

1шт.

10

01370-00616

SCREW

SN: 25001-UP

2шт.

11

01602-20619

WASHER

SN: 25001-UP

2шт.

12

113-Z11-1240

PANEL

SN: 25001-UP

1шт.

13

01220-40616

SCREW

SN: 25001-UP

4шт.

14

01602-20619

WASHER

SN: 25001-UP

4шт.

15

08043-04000

BOX

SN: 25001-UP

1шт.

16

08040-01000

FUSE, 10A

SN: 25001-UP

2шт.

17

08040-02000

FUSE, 20A

SN: 25001-UP

2шт.

18

01220-40520

SCREW

SN: 25001-UP

2шт.

19

01601-20513

WASHER

SN: 25001-UP

2шт.

20

01580-10504

NUT

SN: 25001-UP

2шт.

21

08060-00040

SWITCH,ROOM LAMP

SN: 25001-UP

1шт.

22

08183-00000

SWITCH,REAR WIPER

SN: 25001-UP

1шт.

23

08183-00000

SWITCH,FRONT WIPER

SN: 25001-UP

1шт.

24

131-915-3370

PLATE, OPERATING,REAR WIPER

SN: 25001-UP

1шт.

25

131-915-3380

PLATE, OPERATING,FRONT WIPER

SN: 25001-UP

1шт.

26

113-Z11-1310

WIRE ASS'Y

SN: 25001-UP

1шт.

27

113-Z79-1720

WIRE

SN: 25001-UP

1шт.

28

113-Z79-1730

WIRE

SN: 25001-UP

1шт.

29

08037-01008

GROMMET

SN: 25001-UP

1шт.

Выбрано товаров: 0