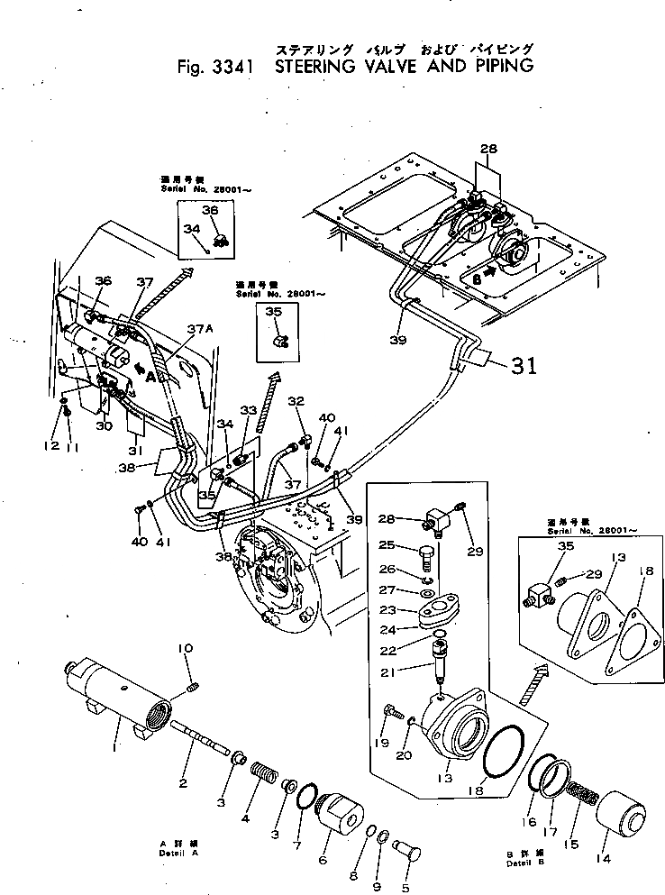
Запчасти Komatsu D31A-16 КЛАПАН РУЛЕВОГО УПРАВЛЕНИЯ И ТРУБЫ СИСТЕМАУПРАВЛЕНИЯ ПОВОРОТОМ И КОНЕЧНАЯ ПЕРЕДАЧА

Схема запчастей Komatsu D31A-16 - КЛАПАН РУЛЕВОГО УПРАВЛЕНИЯ И ТРУБЫ СИСТЕМАУПРАВЛЕНИЯ ПОВОРОТОМ И КОНЕЧНАЯ ПЕРЕДАЧА
FIT
1:1
100%

Артикул

Название

Примечание

Количество

|$0

113-40-00011

VALVE ASS'Y

SN: 28329-UP

1шт.

|$1

0

VALVE ASS'Y

SN: 25001-28328

1шт.

1

113-40-21210

BODY

SN: 28329-UP

1шт.

1

0

BODY

SN: 25001-28328

1шт.

2

113-40-21120

SPOOL

SN: 25001-UP

1шт.

3

113-40-21130

CAP

SN: 25001-UP

4шт.

4

113-40-21140

SPRING

SN: 25001-UP

2шт.

5

113-40-21150

STEM

SN: 25001-UP

2шт.

6

113-40-21160

CAP

SN: 25001-UP

2шт.

7

07000-03040

O-RING

SN: 25001-UP

2шт.

8

07000-02012

O-RING

SN: 25001-UP

2шт.

9

07001-02012

RING

SN: 25001-UP

2шт.

10

07043-00211

PLUG

SN: 25001-UP

1шт.

11

01010-31025

BOLT

SN: 25001-UP

4шт.

12

01602-01030

WASHER

SN: 25001-UP

4шт.

13

113-40-22111

CYLINDER,L.H.

SN: 28001-UP

1шт.

13

113-40-22110

CYLINDER,L.H.

SN: 25001-28000

1шт.

13

113-40-22111

CYLINDER,R.H.

SN: 28001-UP

1шт.

13

113-40-22120

CYLINDER,R.H.

SN: 25001-28000

1шт.

14

113-40-22130

PISTON

SN: 25001-UP

2шт.

15

234-15-15230

SPRING

SN: 25001-UP

2шт.

16

07000-05055

O-RING

SN: 25001-UP

2шт.

17

07001-05055

RING

SN: 25001-UP

2шт.

18

113-40-22170

GASKET

SN: 28001-UP

2шт.

18

07000-05075

O-RING

SN: 25001-28000

2шт.

19

01010-31030

BOLT

SN: 28001-UP

6шт.

19

01010-31025

BOLT

SN: 25001-28000

6шт.

20

01602-01030

WASHER

SN: 25001-UP

6шт.

21

113-40-22220

TUBE

SN: 25001-28000

2шт.

21

0

TUBE

SN: (25001-28000)

2шт.

22

07000-02016

O-RING

SN: 25001-28000

2шт.

23

113-40-22150

FLANGE

SN: 25001-28000

2шт.

24

113-40-22160

GASKET

SN: 25001-28000

2шт.

25

01010-31035

BOLT

SN: 25001-28000

4шт.

26

01602-01030

WASHER

SN: 25001-28000

4шт.

27

01643-31032

WASHER

SN: 25001-28000

4шт.

28

113-40-23180

ADAPTER

SN: 25001-UP

2шт.

29

07042-20108

PLUG

SN: 25001-UP

2шт.

30

113-40-23140

ADAPTER

SN: 25001-UP

2шт.

31

113-40-23161

HOSE

SN: .-UP

2шт.

31

0

HOSE

SN: 25001-.

2шт.

|$$42

(113-40-23161(2),113-40-23171(3))

-1шт.

|$$43

101-04-12250(2))

-1шт.

32

113-40-23130

ELBOW

SN: 25001-UP

1шт.

33

113-40-23110

NIPPLE

SN: 25001-28000

1шт.

34

04260-00952

BALL

SN: 25001-UP

1шт.

35

113-40-23130

ELBOW

SN: 28001-UP

1шт.

35

113-40-23120

ADAPTER

SN: 25001-28000

1шт.

36

113-40-23130

ELBOW

SN: 25001-UP

2шт.

37

113-40-23151

HOSE

SN: .-UP

2шт.

37

0

HOSE

SN: 25001-.

2шт.

|$$52

(113-40-23151(2),113-40-23171(3))

-1шт.

|$$53

101-04-12250(2))

-1шт.

37A

08024-01910

TAPE

SN: 28001-UP

1шт.

38

113-40-23171

CLIP

SN: .-UP

3шт.

38

113-40-23170

CLIP

SN: 25001-.

3шт.

39

101-04-12250

CLIP ASS'Y

SN: .-UP

2шт.

39

140-06-18310

CLIP

SN: 25001-.

2шт.

40

01010-31016

BOLT

SN: 25001-UP

3шт.

41

01602-01030

WASHER

SN: 25001-UP

3шт.

Выбрано товаров: 60