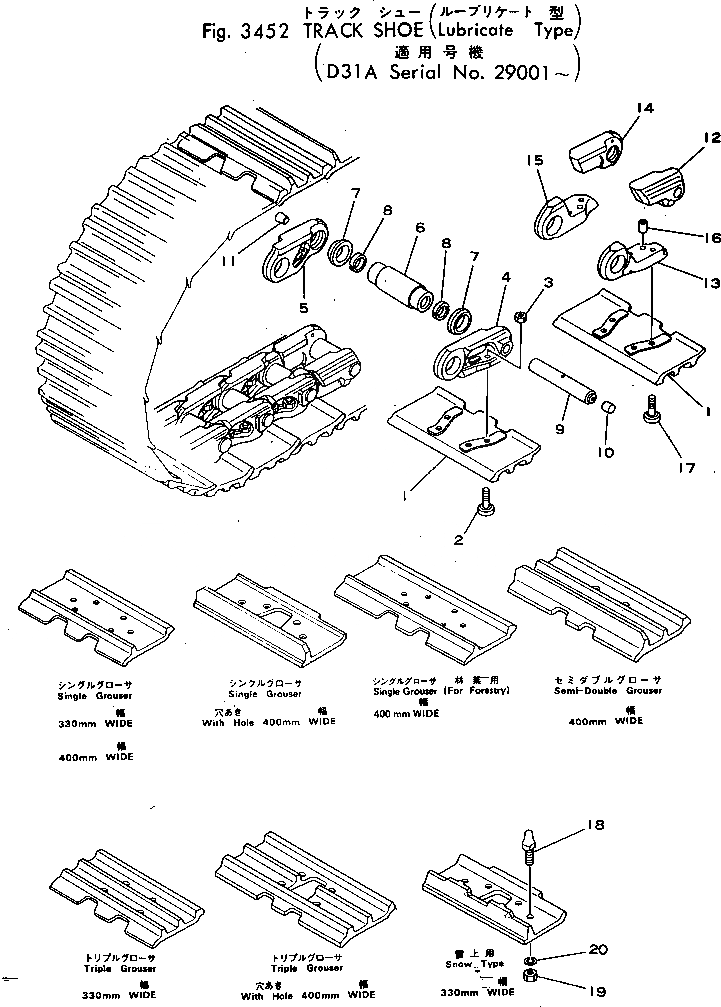
Запчасти Komatsu D31A-16 ГУСЕНИЦЫ (СМАЗЫВ. ТИПА)(№9-) ГУСЕНИЦЫ

Схема запчастей Komatsu D31A-16 - ГУСЕНИЦЫ (СМАЗЫВ. ТИПА)(№9-) ГУСЕНИЦЫ
FIT
1:1
100%

Артикул

Название

Примечание

Количество

|$$1

SEMI-DOUBLE 330MM

-1шт.

|$1

111-32-02100

TRACK SHOE ASS'Y

SN: 29001-UP

1шт.

1

111-32-11110

SHOE,TRACK

SN: 29001-UP

74шт.

2

110-32-11411

BOLT, SHOE (KIT)

SN: 29001-UP

280шт.

3

01803-01420

NUT,SHOE (KIT)

SN: 29001-UP

280шт.

|$5

111-32-00030

TRACK LINK ASS'Y

SN: 29001-UP

1шт.

4

112-32-21120

LINK,TRACK, L.H.

SN: 29001-UP

70шт.

5

112-32-21130

LINK,TRACK, R.H.

SN: 29001-UP

70шт.

6

112-32-21140

BUSHING

SN: 29001-UP

74шт.

7

112-32-21400

SEAL ASS'Y

SN: 29001-UP

148шт.

8

112-32-21430

SPACER

SN: 29001-UP

148шт.

9

112-32-21151

PIN

SN: 29001-UP

74шт.

10

112-32-21161

PLUG,LARGE

SN: 29001-UP

74шт.

11

198-32-11310

PLUG,SMALL

SN: 29001-UP

74шт.

12

112-32-21220

LINK,MASTER, L.H., PIN SIDE

SN: 29001-UP

4шт.

13

112-32-21230

LINK,MASTER, L.H., BUSHING SIDE

SN: 29001-UP

4шт.

14

112-32-21320

LINK,MASTER, R.H., PIN SIDE

SN: 29001-UP

4шт.

15

112-32-21330

LINK,MASTER, R.H., BUSHING SIDE

SN: 29001-UP

4шт.

16

112-32-21340

PIN,DOWEL

SN: 29001-UP

8шт.

17

112-32-21351

BOLT,MASTER LINK

SN: 29001-UP

16шт.

18

112-32-11230

BOLT

SN: 29001-UP

148шт.

19

01580-01411

NUT

SN: 29001-UP

148шт.

20

01602-01442

WASHER,SPRING

SN: 29001-UP

148шт.

|$$24

SINGLE 330MM

-1шт.

1

112-32-04100

TRACK SHOE ASS'Y

SN: 29001-UP

1шт.

1

110-32-11440

SHOE,TRACK

SN: 29001-UP

74шт.

2

110-32-11411

BOLT, SHOE (KIT)

SN: 29001-UP

280шт.

3

01803-01420

NUT,SHOE (KIT)

SN: 29001-UP

280шт.

4

111-32-00030

TRACK LINK ASS'Y

SN: 29001-UP

1шт.

|$$30

SINGLE 400MM

-1шт.

1

112-32-04110

TRACK SHOE ASS'Y

SN: 29001-UP

1шт.

1

110-32-11281

SHOE,TRACK

SN: 29001-UP

74шт.

2

110-32-11411

BOLT, SHOE (KIT)

SN: 29001-UP

280шт.

3

01803-01420

NUT,SHOE (KIT)

SN: 29001-UP

280шт.

4

111-32-00030

TRACK LINK ASS'Y

SN: 29001-UP

1шт.

|$$36

SINGLE 400MM,WITH HOLE

-1шт.

1

112-32-04140

TRACK SHOE ASS'Y

SN: 29001-UP

1шт.

1

112-32-11430

SHOE,TRACK

SN: 29001-UP

74шт.

2

110-32-11411

BOLT, SHOE (KIT)

SN: 29001-UP

280шт.

3

01803-01420

NUT,SHOE (KIT)

SN: 29001-UP

280шт.

4

111-32-00030

TRACK LINK ASS'Y

SN: 29001-UP

1шт.

|$$42

SINGLE 400MM,FOR FORESTRY

-1шт.

1

112-32-04120

TRACK SHOE ASS'Y

SN: 29001-UP

1шт.

1

112-32-11450

SHOE,TRACK

SN: 29001-UP

74шт.

2

110-32-11411

BOLT, SHOE (KIT)

SN: 29001-UP

280шт.

3

01803-01420

NUT,SHOE (KIT)

SN: 29001-UP

280шт.

4

111-32-00030

TRACK LINK ASS'Y

SN: 29001-UP

1шт.

|$$48

SEMI-DOUBLE 400MM

-1шт.

1

111-32-02110

TRACK SHOE ASS'Y

SN: 29001-UP

1шт.

1

111-32-11440

SHOE,TRACK

SN: 29001-UP

74шт.

2

110-32-11411

BOLT, SHOE (KIT)

SN: 29001-UP

280шт.

3

01803-01420

NUT,SHOE (KIT)

SN: 29001-UP

280шт.

4

111-32-00030

TRACK LINK ASS'Y

SN: 29001-UP

1шт.

|$$54

TRIPLE 330MM

-1шт.

1

111-32-02120

TRACK SHOE ASS'Y

SN: 29001-UP

1шт.

1

111-32-11291

SHOE,TRACK

SN: 29001-UP

74шт.

2

110-32-11411

BOLT, SHOE (KIT)

SN: 29001-UP

280шт.

3

01803-01420

NUT,SHOE (KIT)

SN: 29001-UP

280шт.

4

111-32-00030

TRACK LINK ASS'Y

SN: 29001-UP

1шт.

|$$60

TRIPLE 400MM

-1шт.

1

111-32-02130

TRACK SHOE ASS'Y

SN: 29001-UP

1шт.

1

111-32-11350

SHOE,TRACK

SN: 29001-UP

74шт.

2

110-32-11411

BOLT, SHOE (KIT)

SN: 29001-UP

280шт.

3

01803-01420

NUT,SHOE (KIT)

SN: 29001-UP

280шт.

4

111-32-00030

TRACK LINK ASS'Y

SN: 29001-UP

1шт.

|$$66

TRIPLE 400MM,WITH HOLE

-1шт.

1

112-32-04160

TRACK SHOE ASS'Y

SN: 29001-UP

1шт.

1

112-32-11420

SHOE,TRACK

SN: 29001-UP

74шт.

2

110-32-11411

BOLT, SHOE (KIT)

SN: 29001-UP

280шт.

3

01803-01420

NUT,SHOE (KIT)

SN: 29001-UP

280шт.

4

111-32-00030

TRACK LINK ASS'Y

SN: 29001-UP

1шт.

|$$72

SNOW 330MM

-1шт.

1

111-32-02140

TRACK SHOE ASS'Y

SN: 29001-UP

1шт.

1

111-32-11311

SHOE,TRACK

SN: 29001-UP

74шт.

2

110-32-11411

BOLT, SHOE (KIT)

SN: 29001-UP

280шт.

3

01803-01420

NUT,SHOE (KIT)

SN: 29001-UP

280шт.

4

111-32-00030

TRACK LINK ASS'Y

SN: 29001-UP

1шт.

|$$78

SERVICE KIT

-1шт.

2

110-32-05010

SHOE BOLT AND NUT K.

SN: 29001-UP

1шт.

2

110-32-11411

BOLT, SHOE

SN: 29001-UP

50шт.

3

01803-01420

NUT,SHOE

SN: 29001-UP

50шт.

Выбрано товаров: 81