Запчасти Komatsu D31A-16 МАРКИРОВКА (ПОРТУГАЛ.)(№8-) ЧАСТИ КОРПУСА

Схема запчастей Komatsu D31A-16 - МАРКИРОВКА (ПОРТУГАЛ.)(№8-) ЧАСТИ КОРПУСА
FIT
1:1
100%

Артикул

Название

Примечание

Количество

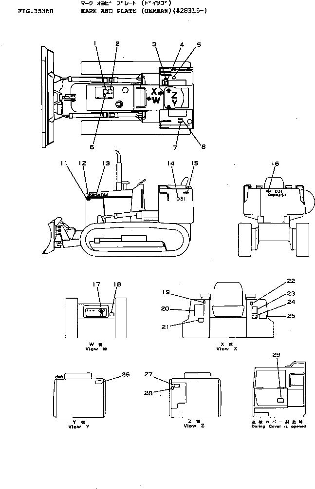
1

09650-21103

PLATE, INSTRUCTION,RADIATOR WATER LEVEL

SN: 28001-UP

1шт.

2

09637-81160

PLATE, INSTRUCTION,AIR CLEANER

SN: 28001-UP

1шт.

3

114-98-21150

PLATE, OPERATING,ANGLE LEVER

SN: 25001-UP

1шт.

4

09670-20070

PLATE, OPERATING,LIFT AND TILT LEVER

SN: 25001-UP

1шт.

5

09653-02000

PLATE, SAFETY,HYDRAULIC TANK CAP

SN: 28001-UP

1шт.

6

09668-02000

PLATE, SAFETY,RADIATOR CAP

SN: 28001-UP

1шт.

7

09652-21101

PLATE, CAUTION,FUEL TANK WATER DRAIN

SN: 28001-UP

1шт.

8

09656-21080

PLATE, INSTRUCTION,ADDITIONAL FUEL STRAINER

SN: 28001-UP

1шт.

11

09667-02000

PLATE, SAFETY,ENGINE COVER

SN: 28001-UP

1шт.

12

113-98-21220

PLATE, STRIPE

SN: 28001-UP

2шт.

13

09690-00450

PLATE, MARK,KOMATSU

SN: 25001-UP

2шт.

14

114-98-21120

PLATE, MARK,D31A

SN: 25001-UP

2шт.

15

09694-00140

PLATE, MARK,SYMBOL

SN: 25001-UP

2шт.

16

09692-02312

PLATE, MARK

SN: 28001-UP

1шт.

17

09683-21060

PLATE, OPERATING,STARTING SWITCH

SN: 28001-UP

1шт.

18

09651-02000

PLATE, SAFETY,BEFORE OPERATING

SN: 28001-UP

1шт.

19

09685-20116

PLATE, OPERATING,LIFT AND TILT LEVER LOCK

SN: 25001-UP

1шт.

20

114-98-21532

CHART, OIL

SN: 28001-UP

1шт.

21

09173-02000

PLATE, SAFETY,INSPECTION AND MAINTENANCE

SN: 28001-UP

1шт.

22

09685-20116

PLATE, OPERATING,MISSION LEVER LOCK

SN: 28001-UP

1шт.

23

6130-82-4961

PLATE, CAUTION,RIBBON HEATER

SN: 28315-UP

1шт.

24

09601-20835

PLATE, NAME,(LIMITED SUPPLY)

SN: 28001-UP

1шт.

24

04418-13060

SCREW

SN: 25001-UP

4шт.

25

09657-02010

PLATE, SAFETY,TRACK SHOE ADJUSTING

SN: 28001-UP

1шт.

26

09649-02001

PLATE, INSTRUCTION,ENGINE STOPPED

SN: 28315-UP

1шт.

27

09654-02000

PLATE, SAFETY,WARNING

SN: 28001-UP

1шт.

28

09685-20016

PLATE, OPERATING,PARKING BRAKE LEVER

SN: 25001-UP

1шт.

29

113-98-21553

PLATE, CAUTION,HYD. FILTER

SN: 28001-UP

1шт.

Выбрано товаров: 28