Запчасти Komatsu D31A-17 МАРКИРОВКА (ИНДОНЕЗИЯ И АНГЛ.) ЧАСТИ КОРПУСА

Схема запчастей Komatsu D31A-17 - МАРКИРОВКА (ИНДОНЕЗИЯ И АНГЛ.) ЧАСТИ КОРПУСА
FIT
1:1
100%

Артикул

Название

Примечание

Количество

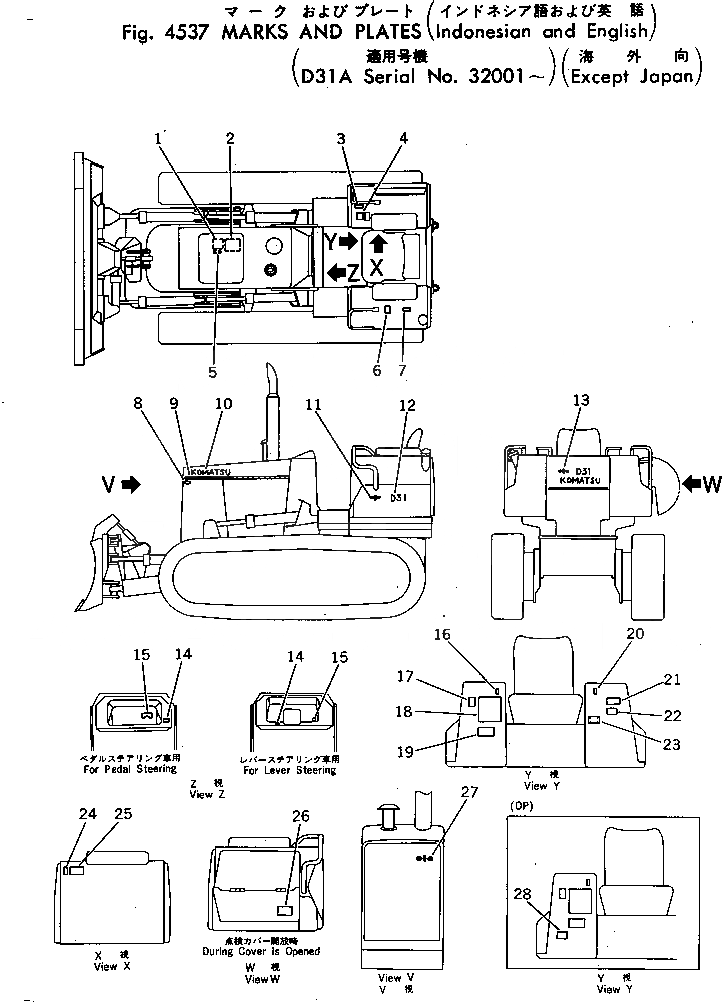
1

09650-05103

PLATE, INSTRUCTION,RADIATOR

SN: 32001-UP

1шт.

2

09637-05161

PLATE, INSTRUCTION,AIR CLEANER

SN: 32001-UP

1шт.

3

114-98-21150

PLATE, OPERATING,ANGLE CONTROL LEVER

SN: 32001-UP

1шт.

4

09670-00004

PLATE, OPERATING,BLADE CONTROL LEVER

SN: 32001-UP

1шт.

5

09668-00500

PLATE, SAFETY,RADIATOR CAP

SN: 32001-UP

1шт.

6

09653-00500

PLATE, SAFETY,HYDRAULIC TANK

SN: 32001-UP

1шт.

7

09652-05101

PLATE, CAUTION,FUEL TANK WATER DRAIN

SN: 32001-UP

1шт.

8

09667-00500

PLATE, SAFETY,ENGINE COVER

SN: 32001-UP

1шт.

9

113-98-21220

PLATE, STRIPE

SN: 32001-UP

2шт.

10

09690-00450

PLATE, MARK,KOMATSU

SN: 32001-UP

2шт.

11

09694-00140

PLATE, MARK,SYMBOL

SN: 32001-UP

2шт.

12

114-98-21121

PLATE, MARK,D31A

SN: 32001-UP

2шт.

13

09692-02312

PLATE, MARK,KOMATSU

SN: 32001-UP

1шт.

14

09651-00500

PLATE, SAFETY,BEFORE OPERATING

SN: 32001-UP

1шт.

15

09683-05060

PLATE, OPERATING,STARTING SWITCH

SN: 32001-UP

1шт.

16

09685-00002

PLATE, OPERATING,BLADE CONTROL LEVER LOCK

SN: 32001-UP

1шт.

17

09173-00500

PLATE, SAFETY,INSPECTION AND MAINTENANCE

SN: 32001-UP

1шт.

18

114-98-31820

CHART, OIL

SN: 32001-UP

1шт.

19

09657-00511

PLATE, SAFETY,TRACK SHOE ADJUSTING

SN: 32001-UP

1шт.

20

09685-00002

PLATE, OPERATING,TRANSMISSION LEVER LOCK

SN: 32001-UP

1шт.

21

09649-00501

PLATE, INSTRUCTION,ENGINE STOPPED

SN: 32001-UP

1шт.

22

113-98-21871

PLATE, OPERATING,INTAKE AIR HEATER SWITCH

SN: 32001-UP

1шт.

23

09601-05835

PLATE, NAME,(LIMITED SUPPLY)

SN: 32001-UP

1шт.

23

04418-13060

SCREW

SN: 32001-UP

4шт.

24

09685-00001

PLATE, OPERATING,PARKING BRAKE LEVER

SN: 32001-UP

1шт.

25

09654-00500

PLATE, SAFETY,STARTING AND LEAVING SEAT

SN: 32001-UP

1шт.

26

103-98-21850

PLATE, CAUTION,OIL FILTER

SN: 32001-UP

1шт.

27

10E-54-23110

PLATE, MARK,SYMBOL

SN: 32001-UP

1шт.

28

09656-05080

PLATE, INSTRUCTION,ADDITIONAL FUEL STRAINER

SN: 32001-UP

1шт.

Выбрано товаров: 29