Запчасти Komatsu D31A-17 ГИДР. НАСОС. УПРАВЛ-Е РАБОЧИМ ОБОРУДОВАНИЕМ

Схема запчастей Komatsu D31A-17 - ГИДР. НАСОС. УПРАВЛ-Е РАБОЧИМ ОБОРУДОВАНИЕМ
FIT
1:1
100%

Артикул

Название

Примечание

Количество

|$0

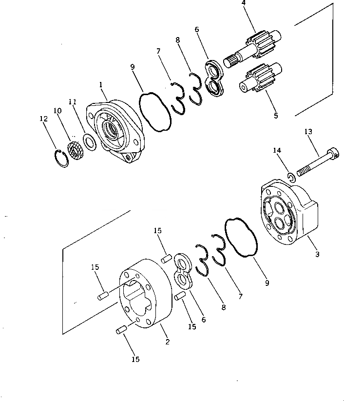
705-12-32110

PUMP ASS'Y

SN: 32001-UP

1шт.

1

0

BRACKET

SN: 32001-UP

1шт.

2

0

CASE

SN: 32001-UP

1шт.

3

0

COVER ASS'Y

SN: 32001-UP

1шт.

4

0

GEAR,DRIVE

SN: 32001-UP

1шт.

5

0

GEAR,DRIVEN

SN: 32001-UP

1шт.

6

0

PLATE,SIDE

SN: 32001-UP

2шт.

7

0

RING,BACK-UP

SN: 32001-UP

2шт.

8

0

RING,SEAL

SN: 32001-UP

2шт.

9

0

O-RING

SN: 32001-UP

2шт.

10

705-17-02810

SEAL

SN: 32001-UP

1шт.

11

705-17-02870

PLATE

SN: 32001-UP

1шт.

12

04065-04018

RING

SN: 32001-UP

1шт.

13

0

BOLT

SN: 32001-UP

4шт.

14

0

WASHER

SN: 32001-UP

4шт.

15

0

PIN

SN: 32001-UP

4шт.

Выбрано товаров: 16