Запчасти Komatsu D31A-20 РЫЧАГ УПРАВЛЕНИЯ РАБОЧИМ ОБОРУДОВАНИЕМ (/) (ДЛЯ ПОВОРОТНОГО ОТВАЛА) (С СТАЛЬНАЯ КАБИНА) КАБИНА ОПЕРАТОРА И СИСТЕМА УПРАВЛЕНИЯ

Схема запчастей Komatsu D31A-20 - РЫЧАГ УПРАВЛЕНИЯ РАБОЧИМ ОБОРУДОВАНИЕМ (/) (ДЛЯ ПОВОРОТНОГО ОТВАЛА) (С СТАЛЬНАЯ КАБИНА) КАБИНА ОПЕРАТОРА И СИСТЕМА УПРАВЛЕНИЯ
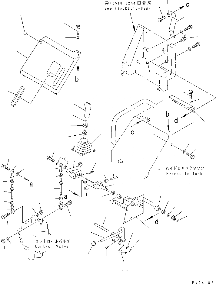
1
2
3
4
5
6
7
7
8
8
9
10
11
12
13
13
14
15
16
17
18
19
20
21
21
22
22
23
23
24
24
25
25
26
27
28
28
29
29
30
30
31
32
33
34
35
36
37
38
39
40
41
42
43
43
44
44
45
46
47
48
FIT
1:1
100%

Артикул

Название

Примечание

Количество

1

114-43-48321

LEVER

SN: 42001-UP

1шт.

2

114-43-48340

SLEEVE

SN: 42001-UP

1шт.

3

201-62-25190

NUT

SN: 42001-UP

1шт.

4

114-43-48330

NIPPLE

SN: 42001-UP

1шт.

5

14X-43-14170

KNOB

SN: 42199-UP

1шт.

|5

0

KNOB

SN: 42001-42198

1шт.

6

114-43-48370

BRACKET

SN: 42001-UP

1шт.

7

702-16-11490

BEARING,NEEDLE

SN: 42001-UP

2шт.

8

702-16-11510

SEAL,BEARING

SN: 42001-UP

2шт.

9

07020-00900

FITTING,GREASE

SN: 42001-UP

1шт.

10

01010-80816

BOLT

SN: 42001-UP

4шт.

11

01602-20825

WASHER,SPRING

SN: 42001-UP

4шт.

|12

113-43-00751

YOKE ASS'Y

SN: 42192-UP

1шт.

|12

0

YOKE ASS'Y

SN: 42001-42191

1шт.

12

0

YOKE

SN: 42192-UP

1шт.

|12

0

YOKE

SN: 42001-42191

1шт.

13

09350-01415

BUSHING

SN: 42001-UP

2шт.

14

113-43-23230

WASHER

SN: 42001-UP

1шт.

15

01590-10809

NUT

SN: 42001-UP

1шт.

16

04050-12015

PIN,COTTER

SN: 42001-UP

1шт.

17

113-43-23410

PIN

SN: 42001-UP

1шт.

18

04025-00324

PIN,SPRING

SN: 42001-UP

1шт.

19

04248-30812

ROD

SN: 42001-UP

1шт.

20

04248-30813

ROD

SN: 42001-UP

1шт.

21

113-43-23270

END,ROD

SN: 42001-UP

2шт.

22

01580-10806

NUT

SN: 42001-UP

2шт.

23

113-43-23280

END,ROD¤ L.H. THREAD

SN: 42001-UP

2шт.

24

01508-40805

NUT,L.H. THREAD

SN: 42001-UP

2шт.

25

04254-00823

SPACER

SN: 42001-UP

3шт.

26

01010-80825

BOLT

SN: 42001-UP

1шт.

27

01010-80830

BOLT

SN: 42001-UP

1шт.

28

01010-80830

BOLT

SN: 42001-UP

2шт.

29

01580-10806

NUT

SN: 42001-UP

2шт.

30

01602-20825

WASHER,SPRING

SN: 42001-UP

2шт.

31

114-43-48744

LEVER

SN: 43053-UP

1шт.

|31

114-43-48743

LEVER

SN: 42714-43052

1шт.

|31

114-43-48742

LEVER

SN: 42001-42713

1шт.

32

09304-10835

KNOB

SN: 42001-UP

1шт.

33

113-43-45141

PIN

SN: 43053-UP

1шт.

|33

113-43-45140

PIN

SN: 42001-43052

1шт.

34

104-43-45260

PIN

SN: 43053-UP

1шт.

|34

04025-00316

PIN,SPRING

SN: 42001-43052

1шт.

35

09463-00006

SPRING

SN: 42001-UP

1шт.

36

01641-20608

WASHER

SN: 42001-UP

2шт.

37

04050-11610

PIN,COTTER

SN: 42001-UP

2шт.

38

114-43-48312

COVER

SN: 42001-UP

1шт.

39

01252-30825

BOLT

SN: 42001-UP

2шт.

40

01643-30823

WASHER

SN: 42001-UP

2шт.

41

113-43-45150

BRACKET

SN: 42001-UP

1шт.

42

114-43-45140

PLATE

SN: 42001-UP

1шт.

43

01010-50825

BOLT

SN: 42001-UP

3шт.

44

01602-20825

WASHER,SPRING

SN: 42001-UP

3шт.

45

20T-43-71160

BOOT

SN: 42001-UP

1шт.

46

114-54-43260

PLUG

SN: 42001-UP

1шт.

47

114-43-48381

GROMMET

SN: 42001-UP

1шт.

48

09415-01008

CAP

SN: 42001-UP

1шт.

Выбрано товаров: 56