Запчасти Komatsu D31AM-20 FВОЗД. LEAD (ДЛЯ ТЯГОВ. ЛЕБЕДКИ) РАБОЧЕЕ ОБОРУДОВАНИЕ

Схема запчастей Komatsu D31AM-20 - FВОЗД. LEAD (ДЛЯ ТЯГОВ. ЛЕБЕДКИ) РАБОЧЕЕ ОБОРУДОВАНИЕ
FIT
1:1
100%

Артикул

Название

Примечание

Количество

|1

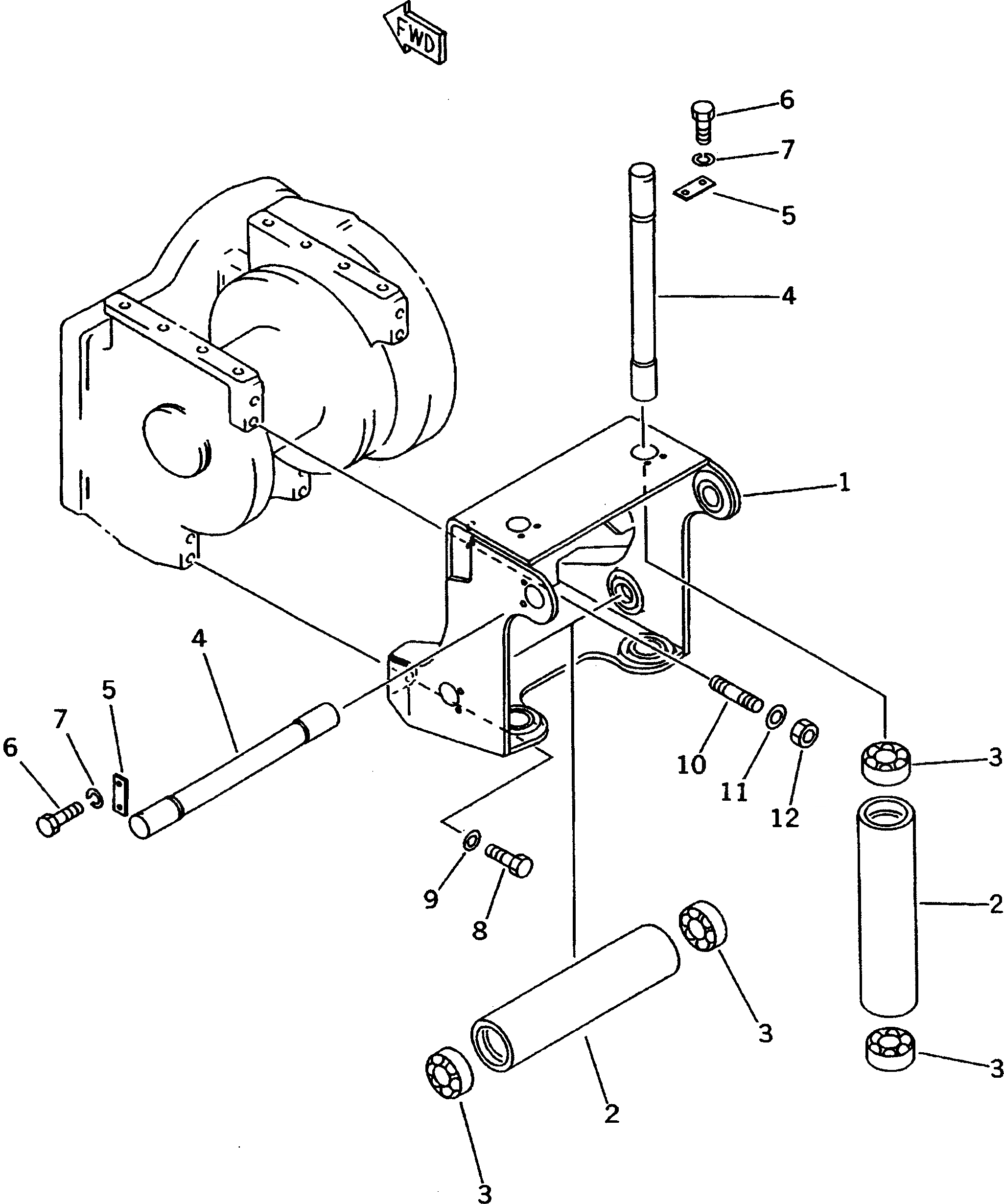
114-Z60-0061

FAIR LEAD ASS'Y

SN: 42001-UP

1шт.

1

114-Z60-4210

FRAME

SN: 42001-UP

1шт.

2

112-961-3120

ROLLER

SN: 42001-UP

4шт.

3

06044-06210

BEARING

SN: 42001-UP

8шт.

4

112-961-3130

SHAFT

SN: 42001-UP

4шт.

5

04082-00212

LOCK

SN: 42001-UP

4шт.

6

01010-51225

BOLT

SN: 42001-UP

8шт.

7

01602-21236

WASHER,SPRING

SN: 42001-UP

8шт.

8

01010-51640

BOLT

SN: 42001-UP

4шт.

9

01643-31645

WASHER

SN: 42001-UP

4шт.

10

01124-51640

STUD

SN: 42001-UP

4шт.

11

01643-31645

WASHER

SN: 42001-UP

4шт.

12

01580-01613

NUT

SN: 42001-UP

4шт.

Выбрано товаров: 13